产品分类
- 深沟球轴承
- 角接触球轴承
- 超高精密轴承
- 精密角接触球轴承
- 标准型
- 标准密封型-S
- 陶瓷球标准型-C
- 陶瓷球密封型-CS
- 高速小球型-HS
- 小球密封型-HSS
- 陶瓷小球型-HC
- 陶瓷小球密封型-HCS
- 超高速陶瓷球型-XC
- 超高速陶瓷球密封型-XCS
- 超高速小球型-XS
- 超高速小球密封型-XSS
- 油气润滑-标准钢球型
- 油气润滑-标准陶瓷球型
- 油气润滑-高速小球型
- 油气润滑-高速陶瓷球型
- 油气润滑-超高速小球型
- 油气润滑-超高速陶瓷球型
- 精密丝杠轴承
- 精密圆柱滚子轴承
- 调心球轴承
- 推力轴承
- 圆柱滚子轴承
- 圆锥滚子轴承
- 调心滚子轴承
- 交叉滚子轴承
- 超薄截面轴承
- 滚针轴承
- 滚轮轴承
- 关节轴承
- 直线运动
- 轴承附件

XC7915FTP4DU轴承
类型:【超高精密轴承 - 精密角接触球轴承】
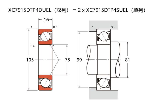
基本尺寸:内径:75 mm,外径:105 mm,厚度:32 mm。
价格区间:¥0 - ¥0【详情】
前缀列表:【X:超高转速】【C:陶瓷球型】后缀列表:【F:接触角 18°】【T:聚酰胺尼龙保持架】【P4:P4 级精度】【DU:两个万能组合】
XC7915FTP4DU是一款超高精密角接触球轴承,其基本尺寸为内径75毫米、外径105毫米、厚度32毫米。该轴承属于精密角接触球轴承中的超高速陶瓷球型系列,采用了陶瓷球作为滚动体,有助于降低高速运转时的离心力效应和摩擦发热。这种设计在提升转速能力的同时,能够保持较好的尺寸稳定性。
在特性方面,该轴承通常具备较高的刚性和运转精度,适用于需要同时承受径向和轴向载荷的场合。由于采用陶瓷材料,其在高速工况下可能表现出较低的温升和较长的润滑寿命。这类轴承常见于一些高转速主轴、精密机床主轴或高速电主轴等应用场景,能够满足较高转速和精度要求。
使用过程中需注意配合公差和预紧力的调整,以确保轴承性能的稳定发挥。同时,适当的润滑与密封设计对维持轴承长期可靠运行具有积极作用。该型号轴承的设计兼顾了高速性能与精密要求,为相关设备的高效稳定运行提供了支持。
X
C
7
9
1
5
F
T
P
4
D
U
X:超高转速
C:陶瓷球型
7:精密角接触球轴承
9:尺寸系列:超轻 19 系列
15:内径:75 mm
F:接触角 18°
T:聚酰胺尼龙保持架
P4:P4 级精度
DU:两个万能组合
X:
超高转速
C:
陶瓷球型
7:
精密角接触球轴承
9:
尺寸系列:超轻 19 系列
15:
内径:75 mm
F:
接触角 18°
T:
聚酰胺尼龙保持架
P4:
P4 级精度
DU:
两个万能组合
公称型号 | ||
超高速陶瓷球型 | XC7915FTP4DU | |
主要尺寸(mm) | ||
内径 | d | 75 |
外径 | D | 105 |
厚度(单列) | B | 16 |
厚度(多列) | T | 32 |
倒角尺寸 | r(min) | 1 |
倒角尺寸 | r1(min) | 0.6 |
额定载荷(KN) | ||
基本额定动载荷 | Cr | 43.2 |
基本额定静载荷 | C0r | 36.4 |
极限载荷(KN) | ||
轴向-单个 | 18 | |
接触角 | ||
度 | ° | 18 |
系数 | ||
fo | 10.9 | |
作用点(mm) | ||
a | 22.6 | |
限制速度(rpm) | ||
脂润滑 | Grease | 23400 |
油润滑 | Oil | 36700 |
安装尺寸(mm) | ||
da(min) | 81 | |
Da(max) | 99 | |
Db(max) | 100 | |
ra(max) | 1 | |
rb(max) | 0.5 | |
预紧力(N)-DU/DB/DF | ||
微预紧 | EL | 49 |
轻预紧 | L | 205 |
中预紧 | M | 528 |
重预紧 | H | - |
轴承刚度(N/μm)-DU/DB/DF | ||
微预紧 | EL | 58 |
轻预紧 | L | 96 |
中预紧 | M | 138 |
重预紧 | H | - |
测量轴向游隙(μm) | ||
微预紧 | EL | 0 |
轻预紧 | L | -8 |
中预紧 | M | -19 |
重预紧 | H | - |
轴承组合 | ||
方式 | 万能 | |
列数 | 2 | |
重量(Kg) | ||
0.68 |

商品 | 品牌 | 主要尺寸 | 发货仓 | 产地 | 库存 | 含税单价 | VIP价 | 操作 |