产品分类
- 深沟球轴承
- 角接触球轴承
- 超高精密轴承
- 精密角接触球轴承
- 标准型
- 标准密封型-S
- 陶瓷球标准型-C
- 陶瓷球密封型-CS
- 高速小球型-HS
- 小球密封型-HSS
- 陶瓷小球型-HC
- 陶瓷小球密封型-HCS
- 超高速陶瓷球型-XC
- 超高速陶瓷球密封型-XCS
- 超高速小球型-XS
- 超高速小球密封型-XSS
- 油气润滑-标准钢球型
- 油气润滑-标准陶瓷球型
- 油气润滑-高速小球型
- 油气润滑-高速陶瓷球型
- 油气润滑-超高速小球型
- 油气润滑-超高速陶瓷球型
- 精密丝杠轴承
- 精密圆柱滚子轴承
- 调心球轴承
- 推力轴承
- 圆柱滚子轴承
- 圆锥滚子轴承
- 调心滚子轴承
- 交叉滚子轴承
- 超薄截面轴承
- 滚针轴承
- 滚轮轴承
- 关节轴承
- 直线运动
- 轴承附件

XC7914FTP4DU轴承
类型:【超高精密轴承 - 精密角接触球轴承】
基本尺寸:内径:70 mm,外径:100 mm,厚度:32 mm。
价格区间:¥0 - ¥0【详情】
前缀列表:【X:超高转速】【C:陶瓷球型】后缀列表:【F:接触角 18°】【T:聚酰胺尼龙保持架】【P4:P4 级精度】【DU:两个万能组合】
XC7914FTP4DU是一款具备超高精密特性的角接触球轴承,其结构参数为内径70毫米、外径100毫米、厚度32毫米,对应英制尺寸约为内径2.7559英寸、外径3.9370英寸、厚度1.2598英寸。该轴承属于超高速陶瓷球型系列,采用轻质高刚性陶瓷材料作为滚动体,有效降低高速运转时的离心力与惯性负荷,同时提升耐温性与耐腐蚀能力。角接触设计使其能够承受径向与轴向联合载荷,接触角优化进一步增强了高速工况下的动态稳定性。
在典型应用方面,该型号适用于对转速精度和刚性要求较高的场景,例如精密机床主轴、高速电主轴单元及高精度旋转工作台。其内部结构经特殊处理,在润滑条件充分时可实现低振动、低噪音运转,有助于延长设备维护周期。需要注意的是,实际性能受配合公差、安装方式及工况环境等多重因素影响,建议结合具体技术规范进行选型与应用评估。
X
C
7
9
1
4
F
T
P
4
D
U
X:超高转速
C:陶瓷球型
7:精密角接触球轴承
9:尺寸系列:超轻 19 系列
14:内径:70 mm
F:接触角 18°
T:聚酰胺尼龙保持架
P4:P4 级精度
DU:两个万能组合
X:
超高转速
C:
陶瓷球型
7:
精密角接触球轴承
9:
尺寸系列:超轻 19 系列
14:
内径:70 mm
F:
接触角 18°
T:
聚酰胺尼龙保持架
P4:
P4 级精度
DU:
两个万能组合
公称型号 | ||
超高速陶瓷球型 | XC7914FTP4DU | |
主要尺寸(mm) | ||
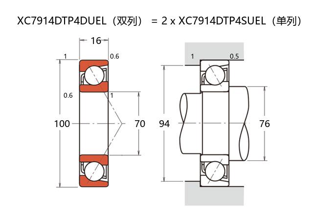
内径 | d | 70 |
外径 | D | 100 |
厚度(单列) | B | 16 |
厚度(多列) | T | 32 |
倒角尺寸 | r(min) | 1 |
倒角尺寸 | r1(min) | 0.6 |
额定载荷(KN) | ||
基本额定动载荷 | Cr | 42.6 |
基本额定静载荷 | C0r | 34.6 |
极限载荷(KN) | ||
轴向-单个 | 17.1 | |
接触角 | ||
度 | ° | 18 |
系数 | ||
fo | 10.8 | |
作用点(mm) | ||
a | 21.8 | |
限制速度(rpm) | ||
脂润滑 | Grease | 24800 |
油润滑 | Oil | 38900 |
安装尺寸(mm) | ||
da(min) | 76 | |
Da(max) | 94 | |
Db(max) | 95 | |
ra(max) | 1 | |
rb(max) | 0.5 | |
预紧力(N)-DU/DB/DF | ||
微预紧 | EL | 49 |
轻预紧 | L | 200 |
中预紧 | M | 415 |
重预紧 | H | - |
轴承刚度(N/μm)-DU/DB/DF | ||
微预紧 | EL | 57 |
轻预紧 | L | 93 |
中预紧 | M | 122 |
重预紧 | H | - |
测量轴向游隙(μm) | ||
微预紧 | EL | 0 |
轻预紧 | L | -8 |
中预紧 | M | -16 |
重预紧 | H | - |
轴承组合 | ||
方式 | 万能 | |
列数 | 2 | |
重量(Kg) | ||
0.66 |

商品 | 品牌 | 主要尺寸 | 发货仓 | 产地 | 库存 | 含税单价 | VIP价 | 操作 |