产品分类
- 深沟球轴承
- 角接触球轴承
- 超高精密轴承
- 精密角接触球轴承
- 标准型
- 标准密封型-S
- 陶瓷球标准型-C
- 陶瓷球密封型-CS
- 高速小球型-HS
- 小球密封型-HSS
- 陶瓷小球型-HC
- 陶瓷小球密封型-HCS
- 超高速陶瓷球型-XC
- 超高速陶瓷球密封型-XCS
- 超高速小球型-XS
- 超高速小球密封型-XSS
- 油气润滑-标准钢球型
- 油气润滑-标准陶瓷球型
- 油气润滑-高速小球型
- 油气润滑-高速陶瓷球型
- 油气润滑-超高速小球型
- 油气润滑-超高速陶瓷球型
- 精密丝杠轴承
- 精密圆柱滚子轴承
- 调心球轴承
- 推力轴承
- 圆柱滚子轴承
- 圆锥滚子轴承
- 调心滚子轴承
- 交叉滚子轴承
- 超薄截面轴承
- 滚针轴承
- 滚轮轴承
- 关节轴承
- 直线运动
- 轴承附件

XC7024ETP4DU轴承
类型:【超高精密轴承 - 精密角接触球轴承】
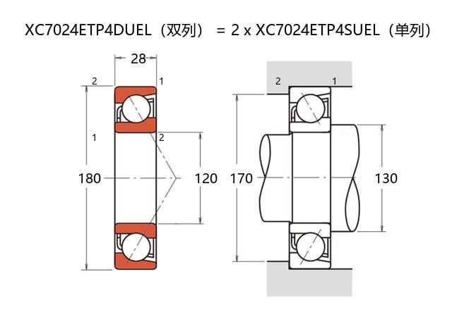
基本尺寸:内径:120 mm,外径:180 mm,厚度:56 mm。
价格区间:¥ - ¥【详情】
前缀列表:【X:超高转速】【C:陶瓷球型】后缀列表:【E:25° 接触角】【T:聚酰胺尼龙保持架】【P4:P4 级精度】【DU:两个万能组合】
XC7024ETP4DU型号轴承属于超高精密角接触球轴承系列,基本尺寸为内径120毫米、外径180毫米、厚度56毫米。该类型轴承采用陶瓷球材料设计,具备优异的轻量化特性和高速运转适应性,有助于降低离心力对性能的影响。其结构支持高速旋转工况,同时保持稳定的刚性表现,适用于高转速精密设备的需求。
在应用中,该轴承常见于需要同时承受径向与轴向载荷的场合,通过优化的接触角设计提升了负载分布效率。材料与工艺的配合减少了运转中的摩擦发热,对延长使用寿命具有积极意义。由于采用特殊热处理和精密加工,轴承在长期连续运行中仍能维持较高的工作精度。
此类产品多应用于精密机床主轴、高速电主轴及其他高旋转精度设备,满足现代工业对能耗与效率的平衡要求。设计时已考虑润滑兼容性,可适配多种润滑方案以适应不同环境条件。整体性能表现依赖于正确的安装维护及配套使用条件。
X
C
7
0
2
4
E
T
P
4
D
U
X:超高转速
C:陶瓷球型
7:精密角接触球轴承
0:尺寸系列:超轻 10 系列
24:内径:120 mm
E:25° 接触角
T:聚酰胺尼龙保持架
P4:P4 级精度
DU:两个万能组合
X:
超高转速
C:
陶瓷球型
7:
精密角接触球轴承
0:
尺寸系列:超轻 10 系列
24:
内径:120 mm
E:
25° 接触角
T:
聚酰胺尼龙保持架
P4:
P4 级精度
DU:
两个万能组合
公称型号 | ||
超高速陶瓷球型 | XC7024ETP4DU | |
主要尺寸(mm) | ||
内径 | d | 120 |
外径 | D | 180 |
厚度(单列) | B | 28 |
厚度(多列) | T | 56 |
倒角尺寸 | r(min) | 2 |
倒角尺寸 | r1(min) | 1 |
额定载荷(KN) | ||
基本额定动载荷 | Cr | 91 |
基本额定静载荷 | C0r | 93 |
极限载荷(KN) | ||
轴向-单个 | 58 | |
接触角 | ||
度 | ° | 25 |
系数 | ||
fo | - | |
作用点(mm) | ||
a | 49 | |
限制速度(rpm) | ||
脂润滑 | Grease | 12700 |
油润滑 | Oil | 20000 |
安装尺寸(mm) | ||
da(min) | 130 | |
Da(max) | 170 | |
Db(max) | 174 | |
ra(max) | 2 | |
rb(max) | 1 | |
预紧力(N)-DU/DB/DF | ||
微预紧 | EL | 98 |
轻预紧 | L | 1125 |
中预紧 | M | 2286 |
重预紧 | H | - |
轴承刚度(N/μm)-DU/DB/DF | ||
微预紧 | EL | 160 |
轻预紧 | L | 367 |
中预紧 | M | 475 |
重预紧 | H | - |
测量轴向游隙(μm) | ||
微预紧 | EL | 0 |
轻预紧 | L | -15 |
中预紧 | M | -26 |
重预紧 | H | - |
轴承组合 | ||
方式 | 万能 | |
列数 | 2 | |
重量(Kg) | ||
4.5 |

商品 | 品牌 | 主要尺寸 | 发货仓 | 产地 | 库存 | 含税单价 | VIP价 | 操作 |
NSK 120BER10XTDBBLP4Y轴承 |
NSK | 0 | ¥0 | |||||