产品分类
- 深沟球轴承
- 角接触球轴承
- 超高精密轴承
- 精密角接触球轴承
- 标准型
- 标准密封型-S
- 陶瓷球标准型-C
- 陶瓷球密封型-CS
- 高速小球型-HS
- 小球密封型-HSS
- 陶瓷小球型-HC
- 陶瓷小球密封型-HCS
- 超高速陶瓷球型-XC
- 超高速陶瓷球密封型-XCS
- 超高速小球型-XS
- 超高速小球密封型-XSS
- 油气润滑-标准钢球型
- 油气润滑-标准陶瓷球型
- 油气润滑-高速小球型
- 油气润滑-高速陶瓷球型
- 油气润滑-超高速小球型
- 油气润滑-超高速陶瓷球型
- 精密丝杠轴承
- 精密圆柱滚子轴承
- 调心球轴承
- 推力轴承
- 圆柱滚子轴承
- 圆锥滚子轴承
- 调心滚子轴承
- 交叉滚子轴承
- 超薄截面轴承
- 滚针轴承
- 滚轮轴承
- 关节轴承
- 直线运动
- 轴承附件

HCS7938ETP4DU轴承
类型:【超高精密轴承 - 精密角接触球轴承】
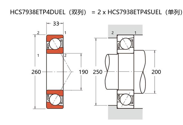
基本尺寸:内径:190 mm,外径:260 mm,厚度:66 mm。
价格区间:¥0 - ¥0【详情】
前缀列表:【H:高转速】【C:陶瓷球】【S:密封型】后缀列表:【E:接触角 25°】【T:尼龙保持架】【P4:P4 级精度】【DU:双列万能配对】
HCS7938ETP4DU属于超高精密角接触球轴承系列,采用陶瓷小球密封型设计。该型号内径为190毫米,外径为260毫米,厚度为66毫米,结构尺寸符合高刚性应用的需求。其内外圈及滚动体经特殊工艺处理,具备优异的尺寸稳定性和耐磨性。
该轴承内部填充高性能润滑剂,配合接触式密封结构,可在中高速工况下有效抑制污染物侵入并维持润滑状态。陶瓷材料的应用显著降低了轴承整体密度,有助于减少高速运转时的离心力效应,同时提升耐腐蚀性能。此类设计特点使其在持续高速或变载工况下仍能保持较低的温升水平和振动值。
该型号适用于精密机床主轴、高转速电机及测量仪器等设备,能够满足对旋转精度和动态特性要求较高的场合。在使用过程中需注意配合部件的形位公差及安装方式,以充分发挥其性能潜力。适当的预紧力调整与定期维护可进一步延长轴承使用寿命。
H
C
S
7
9
3
8
E
T
P
4
D
U
H:高转速
C:陶瓷球
S:密封型
7:精密角接触球轴承
9:尺寸系列:超轻 19 系列
38:内径:190 mm
E:接触角 25°
T:尼龙保持架
P4:P4 级精度
DU:双列万能配对
H:
高转速
C:
陶瓷球
S:
密封型
7:
精密角接触球轴承
9:
尺寸系列:超轻 19 系列
38:
内径:190 mm
E:
接触角 25°
T:
尼龙保持架
P4:
P4 级精度
DU:
双列万能配对
公称型号 | ||
高速陶瓷球密封型 | HCS7938ETP4DU | |
主要尺寸(mm) | ||
内径 | d | 190 |
外径 | D | 260 |
厚度(单列) | B | 33 |
厚度(多列) | T | 66 |
倒角尺寸 | r(min) | 2 |
倒角尺寸 | r1(min) | 1 |
额定载荷(KN) | ||
基本额定动载荷 | Cr | 212 |
基本额定静载荷 | C0r | 228 |
极限载荷(KN) | ||
轴向-单个 | 143 | |
接触角 | ||
度 | ° | 25 |
系数 | ||
fo | - | |
作用点(mm) | ||
a | 69 | |
限制速度(rpm) | ||
脂润滑 | Grease | 6700 |
油润滑 | Oil | - |
安装尺寸(mm) | ||
da(min) | 200 | |
Da(max) | 250 | |
Db(max) | 254 | |
ra(max) | 2 | |
rb(max) | 1 | |
预紧力(N)-DU/DB/DF | ||
微预紧 | EL | 196 |
轻预紧 | L | 2349 |
中预紧 | M | 4768 |
重预紧 | H | - |
轴承刚度(N/μm)-DU/DB/DF | ||
微预紧 | EL | 226 |
轻预紧 | L | 526 |
中预紧 | M | 679 |
重预紧 | H | - |
测量轴向游隙(μm) | ||
微预紧 | EL | 0 |
轻预紧 | L | -22 |
中预紧 | M | -38 |
重预紧 | H | - |
轴承组合 | ||
方式 | 万能 | |
列数 | 2 | |
重量(Kg) | ||
7.56 |

商品 | 品牌 | 主要尺寸 | 发货仓 | 产地 | 库存 | 含税单价 | VIP价 | 操作 |