产品分类
- 深沟球轴承
- 角接触球轴承
- 超高精密轴承
- 精密角接触球轴承
- 标准型
- 标准密封型-S
- 陶瓷球标准型-C
- 陶瓷球密封型-CS
- 高速小球型-HS
- 小球密封型-HSS
- 陶瓷小球型-HC
- 陶瓷小球密封型-HCS
- 超高速陶瓷球型-XC
- 超高速陶瓷球密封型-XCS
- 超高速小球型-XS
- 超高速小球密封型-XSS
- 油气润滑-标准钢球型
- 油气润滑-标准陶瓷球型
- 油气润滑-高速小球型
- 油气润滑-高速陶瓷球型
- 油气润滑-超高速小球型
- 油气润滑-超高速陶瓷球型
- 精密丝杠轴承
- 精密圆柱滚子轴承
- 调心球轴承
- 推力轴承
- 圆柱滚子轴承
- 圆锥滚子轴承
- 调心滚子轴承
- 交叉滚子轴承
- 超薄截面轴承
- 滚针轴承
- 滚轮轴承
- 关节轴承
- 直线运动
- 轴承附件

HCS7926FTP4DU轴承
类型:【超高精密轴承 - 精密角接触球轴承】
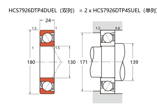
基本尺寸:内径:130 mm,外径:180 mm,厚度:48 mm。
价格区间:¥0 - ¥0【详情】
前缀列表:【H:高转速】【C:陶瓷球】【S:密封型】后缀列表:【F:接触角 18°】【T:尼龙保持架】【P4:P4 级精度】【DU:双列万能配对】
HCS7926FTP4DU属于精密角接触球轴承中的一类,其内径为130毫米,外径180毫米,厚度48毫米,结构设计紧凑,适用于对空间和精度均有较高要求的场合。该轴承采用陶瓷小球作为滚动体,具备良好的耐磨性与抗腐蚀性,在高速运转条件下仍能维持稳定性能。配合特殊密封结构,可有效阻隔外部污染物进入,延长使用寿命并降低润滑需求。
此类轴承主要应用于高转速、高刚性的设备中,例如精密机床主轴、高速电主轴及测试仪器等。其内部结构经过优化,能够承受轴向与径向的复合载荷,同时在运转过程中振动与噪音较低,有助于提升整机运行平稳度。由于选用陶瓷材料,在高温或润滑不良等苛刻工况下,性能表现优于常规轴承材料。
该型轴承在安装时需注意配合精度及预紧力调整,以确保发挥其设计效能。选型时应结合实际负荷、转速以及使用环境综合评估,以达到预期性能匹配。
H
C
S
7
9
2
6
F
T
P
4
D
U
H:高转速
C:陶瓷球
S:密封型
7:精密角接触球轴承
9:尺寸系列:超轻 19 系列
26:内径:130 mm
F:接触角 18°
T:尼龙保持架
P4:P4 级精度
DU:双列万能配对
H:
高转速
C:
陶瓷球
S:
密封型
7:
精密角接触球轴承
9:
尺寸系列:超轻 19 系列
26:
内径:130 mm
F:
接触角 18°
T:
尼龙保持架
P4:
P4 级精度
DU:
双列万能配对
公称型号 | ||
高速陶瓷球密封型 | HCS7926FTP4DU | |
主要尺寸(mm) | ||
内径 | d | 130 |
外径 | D | 180 |
厚度(单列) | B | 24 |
厚度(多列) | T | 48 |
倒角尺寸 | r(min) | 1.5 |
倒角尺寸 | r1(min) | 1 |
额定载荷(KN) | ||
基本额定动载荷 | Cr | 119 |
基本额定静载荷 | C0r | 112 |
极限载荷(KN) | ||
轴向-单个 | 56 | |
接触角 | ||
度 | ° | 18 |
系数 | ||
fo | 10.9 | |
作用点(mm) | ||
a | 37.2 | |
限制速度(rpm) | ||
脂润滑 | Grease | 11700 |
油润滑 | Oil | - |
安装尺寸(mm) | ||
da(min) | 139 | |
Da(max) | 171 | |
Db(max) | 174 | |
ra(max) | 1.5 | |
rb(max) | 0.8 | |
预紧力(N)-DU/DB/DF | ||
微预紧 | EL | 98 |
轻预紧 | L | 813 |
中预紧 | M | 1635 |
重预紧 | H | - |
轴承刚度(N/μm)-DU/DB/DF | ||
微预紧 | EL | 89 |
轻预紧 | L | 189 |
中预紧 | M | 248 |
重预紧 | H | - |
测量轴向游隙(μm) | ||
微预紧 | EL | 0 |
轻预紧 | L | -20 |
中预紧 | M | -35 |
重预紧 | H | - |
轴承组合 | ||
方式 | 万能 | |
列数 | 2 | |
重量(Kg) | ||
2.54 |

商品 | 品牌 | 主要尺寸 | 发货仓 | 产地 | 库存 | 含税单价 | VIP价 | 操作 |