产品分类
- 深沟球轴承
- 角接触球轴承
- 超高精密轴承
- 精密角接触球轴承
- 标准型
- 标准密封型-S
- 陶瓷球标准型-C
- 陶瓷球密封型-CS
- 高速小球型-HS
- 小球密封型-HSS
- 陶瓷小球型-HC
- 陶瓷小球密封型-HCS
- 超高速陶瓷球型-XC
- 超高速陶瓷球密封型-XCS
- 超高速小球型-XS
- 超高速小球密封型-XSS
- 油气润滑-标准钢球型
- 油气润滑-标准陶瓷球型
- 油气润滑-高速小球型
- 油气润滑-高速陶瓷球型
- 油气润滑-超高速小球型
- 油气润滑-超高速陶瓷球型
- 精密丝杠轴承
- 精密圆柱滚子轴承
- 调心球轴承
- 推力轴承
- 圆柱滚子轴承
- 圆锥滚子轴承
- 调心滚子轴承
- 交叉滚子轴承
- 超薄截面轴承
- 滚针轴承
- 滚轮轴承
- 关节轴承
- 直线运动
- 轴承附件

HCS7919FTP4DU轴承
类型:【超高精密轴承 - 精密角接触球轴承】
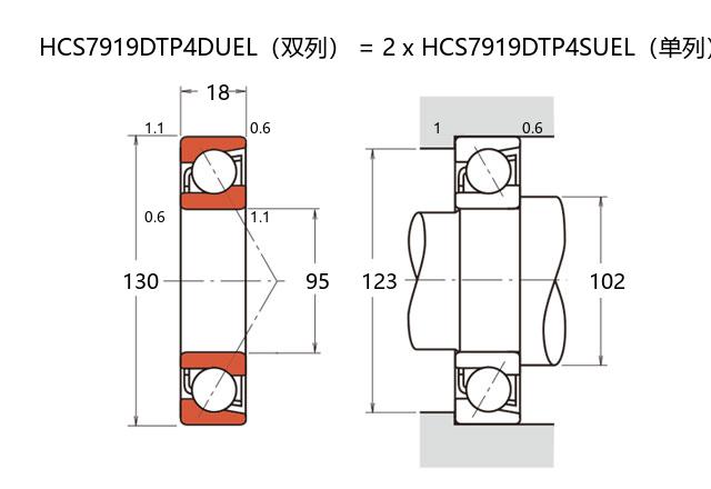
基本尺寸:内径:95 mm,外径:130 mm,厚度:36 mm。
价格区间:¥0 - ¥0【详情】
前缀列表:【H:高转速】【C:陶瓷球】【S:密封型】后缀列表:【F:接触角 18°】【T:尼龙保持架】【P4:P4 级精度】【DU:双列万能配对】
HCS7919FTP4DU属于超高精密角接触球轴承系列,其结构特点与应用范围均体现出较高的技术标准。该型号内径为95毫米,外径130毫米,厚度为36毫米,在尺寸设计上兼顾了承载能力与空间适配性。作为精密角接触球轴承的一种,其接触角经过优化计算,可同时承受径向和轴向负荷,尤其适用于高速运转工况。
该轴承选用陶瓷小球作为滚动体,与传统钢球相比,具备更低的密度与更优的热稳定性,有助于减少高速旋转时的离心力效应,降低温升风险。密封结构的加入提升了防尘与保脂性能,延长了维护周期。在制造工艺方面,P4级精度确保其在预紧力控制、沟道几何精度等关键指标上达到精密等级,使主轴系统获得更平稳的运行特性。
此类轴承常见于高转速主轴系统、精密机床及测量设备中,其材料特性与密封设计能满足长期连续运转的工况需求。通过合理的润滑与安装,可进一步优化其动态性能与使用寿命,为设备提供可靠支撑。
H
C
S
7
9
1
9
F
T
P
4
D
U
H:高转速
C:陶瓷球
S:密封型
7:精密角接触球轴承
9:尺寸系列:超轻 19 系列
19:内径:95 mm
F:接触角 18°
T:尼龙保持架
P4:P4 级精度
DU:双列万能配对
H:
高转速
C:
陶瓷球
S:
密封型
7:
精密角接触球轴承
9:
尺寸系列:超轻 19 系列
19:
内径:95 mm
F:
接触角 18°
T:
尼龙保持架
P4:
P4 级精度
DU:
双列万能配对
公称型号 | ||
高速陶瓷球密封型 | HCS7919FTP4DU | |
主要尺寸(mm) | ||
内径 | d | 95 |
外径 | D | 130 |
厚度(单列) | B | 18 |
厚度(多列) | T | 36 |
倒角尺寸 | r(min) | 1.1 |
倒角尺寸 | r1(min) | 0.6 |
额定载荷(KN) | ||
基本额定动载荷 | Cr | 64 |
基本额定静载荷 | C0r | 59.4 |
极限载荷(KN) | ||
轴向-单个 | 32.5 | |
接触角 | ||
度 | ° | 18 |
系数 | ||
fo | 10.9 | |
作用点(mm) | ||
a | 27.3 | |
限制速度(rpm) | ||
脂润滑 | Grease | 16000 |
油润滑 | Oil | - |
安装尺寸(mm) | ||
da(min) | 102 | |
Da(max) | 123 | |
Db(max) | 125 | |
ra(max) | 1 | |
rb(max) | 0.6 | |
预紧力(N)-DU/DB/DF | ||
微预紧 | EL | 98 |
轻预紧 | L | 314 |
中预紧 | M | 878 |
重预紧 | H | - |
轴承刚度(N/μm)-DU/DB/DF | ||
微预紧 | EL | 86 |
轻预紧 | L | 129 |
中预紧 | M | 191 |
重预紧 | H | - |
测量轴向游隙(μm) | ||
微预紧 | EL | 0 |
轻预紧 | L | -8 |
中预紧 | M | -22 |
重预紧 | H | - |
轴承组合 | ||
方式 | 万能 | |
列数 | 2 | |
重量(Kg) | ||
0.994 |

商品 | 品牌 | 主要尺寸 | 发货仓 | 产地 | 库存 | 含税单价 | VIP价 | 操作 |