产品分类
- 深沟球轴承
- 角接触球轴承
- 超高精密轴承
- 精密角接触球轴承
- 标准型
- 标准密封型-S
- 陶瓷球标准型-C
- 陶瓷球密封型-CS
- 高速小球型-HS
- 小球密封型-HSS
- 陶瓷小球型-HC
- 陶瓷小球密封型-HCS
- 超高速陶瓷球型-XC
- 超高速陶瓷球密封型-XCS
- 超高速小球型-XS
- 超高速小球密封型-XSS
- 油气润滑-标准钢球型
- 油气润滑-标准陶瓷球型
- 油气润滑-高速小球型
- 油气润滑-高速陶瓷球型
- 油气润滑-超高速小球型
- 油气润滑-超高速陶瓷球型
- 精密丝杠轴承
- 精密圆柱滚子轴承
- 调心球轴承
- 推力轴承
- 圆柱滚子轴承
- 圆锥滚子轴承
- 调心滚子轴承
- 交叉滚子轴承
- 超薄截面轴承
- 滚针轴承
- 滚轮轴承
- 关节轴承
- 直线运动
- 轴承附件

HCS7917FTP4DU轴承
类型:【超高精密轴承 - 精密角接触球轴承】
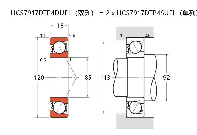
基本尺寸:内径:85 mm,外径:120 mm,厚度:36 mm。
价格区间:¥0 - ¥0【详情】
前缀列表:【H:高转速】【C:陶瓷球】【S:密封型】后缀列表:【F:接触角 18°】【T:尼龙保持架】【P4:P4 级精度】【DU:双列万能配对】
HCS7917FTP4DU是一款精密角接触球轴承,属于超高精密轴承的细分类型。其内径为85毫米,外径120毫米,厚度36毫米,结构设计紧凑,适合对空间和精度有较高要求的应用环境。
该轴承采用陶瓷小球作为滚动体,具备优异的耐磨性和抗腐蚀能力,同时可在高速运转条件下保持稳定的性能表现。密封结构的设计有效防止污染物侵入,延长了轴承在苛刻工况下的使用寿命。由于角接触结构的特点,它能够同时承受径向和轴向载荷,适用于高转速和高精度的旋转场景。
在应用层面,这类轴承常见于精密机床主轴、高速电主轴以及测量仪器等设备中,其材料特性有助于减少运转过程中的摩擦热量积累,提升整体效率。需要注意的是,实际性能会受到安装条件、润滑状态及工作环境等多方面因素的影响,建议结合具体工况进行选型与维护。
H
C
S
7
9
1
7
F
T
P
4
D
U
H:高转速
C:陶瓷球
S:密封型
7:精密角接触球轴承
9:尺寸系列:超轻 19 系列
17:内径:85 mm
F:接触角 18°
T:尼龙保持架
P4:P4 级精度
DU:双列万能配对
H:
高转速
C:
陶瓷球
S:
密封型
7:
精密角接触球轴承
9:
尺寸系列:超轻 19 系列
17:
内径:85 mm
F:
接触角 18°
T:
尼龙保持架
P4:
P4 级精度
DU:
双列万能配对
公称型号 | ||
高速陶瓷球密封型 | HCS7917FTP4DU | |
主要尺寸(mm) | ||
内径 | d | 85 |
外径 | D | 120 |
厚度(单列) | B | 18 |
厚度(多列) | T | 36 |
倒角尺寸 | r(min) | 1.1 |
倒角尺寸 | r1(min) | 0.6 |
额定载荷(KN) | ||
基本额定动载荷 | Cr | 58.8 |
基本额定静载荷 | C0r | 50.2 |
极限载荷(KN) | ||
轴向-单个 | 24.8 | |
接触角 | ||
度 | ° | 18 |
系数 | ||
fo | 10.8 | |
作用点(mm) | ||
a | 25.7 | |
限制速度(rpm) | ||
脂润滑 | Grease | 17600 |
油润滑 | Oil | - |
安装尺寸(mm) | ||
da(min) | 92 | |
Da(max) | 113 | |
Db(max) | 115 | |
ra(max) | 1 | |
rb(max) | 0.6 | |
预紧力(N)-DU/DB/DF | ||
微预紧 | EL | 49 |
轻预紧 | L | 214 |
中预紧 | M | 749 |
重预紧 | H | - |
轴承刚度(N/μm)-DU/DB/DF | ||
微预紧 | EL | 61 |
轻预紧 | L | 102 |
中预紧 | M | 164 |
重预紧 | H | - |
测量轴向游隙(μm) | ||
微预紧 | EL | 0 |
轻预紧 | L | -8 |
中预紧 | M | -24 |
重预紧 | H | - |
轴承组合 | ||
方式 | 万能 | |
列数 | 2 | |
重量(Kg) | ||
0.912 |

商品 | 品牌 | 主要尺寸 | 发货仓 | 产地 | 库存 | 含税单价 | VIP价 | 操作 |