产品分类
- 深沟球轴承
- 角接触球轴承
- 超高精密轴承
- 精密角接触球轴承
- 标准型
- 标准密封型-S
- 陶瓷球标准型-C
- 陶瓷球密封型-CS
- 高速小球型-HS
- 小球密封型-HSS
- 陶瓷小球型-HC
- 陶瓷小球密封型-HCS
- 超高速陶瓷球型-XC
- 超高速陶瓷球密封型-XCS
- 超高速小球型-XS
- 超高速小球密封型-XSS
- 油气润滑-标准钢球型
- 油气润滑-标准陶瓷球型
- 油气润滑-高速小球型
- 油气润滑-高速陶瓷球型
- 油气润滑-超高速小球型
- 油气润滑-超高速陶瓷球型
- 精密丝杠轴承
- 精密圆柱滚子轴承
- 调心球轴承
- 推力轴承
- 圆柱滚子轴承
- 圆锥滚子轴承
- 调心滚子轴承
- 交叉滚子轴承
- 超薄截面轴承
- 滚针轴承
- 滚轮轴承
- 关节轴承
- 直线运动
- 轴承附件

HCS7912ETP4DU轴承
类型:【超高精密轴承 - 精密角接触球轴承】
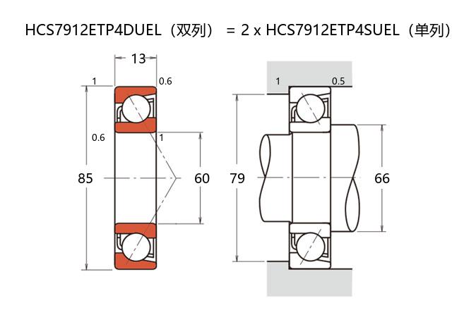
基本尺寸:内径:60 mm,外径:85 mm,厚度:26 mm。
价格区间:¥4116 - ¥25774.39【详情】
前缀列表:【H:高转速】【C:陶瓷球】【S:密封型】后缀列表:【E:接触角 25°】【T:尼龙保持架】【P4:P4 级精度】【DU:双列万能配对】
HCS7912ETP4DU是一款具有特定设计的精密角接触球轴承,其基本尺寸为内径60mm、外径85mm、厚度26mm。该轴承属于超高精密轴承类别,适用于对旋转精度和运行稳定性要求较高的应用场景。
该型号轴承采用陶瓷小球作为滚动体,这种材料具有较低的密度和优异的耐磨性能,有助于减少高速运转时的离心力,降低摩擦温升。密封结构的设计可有效防止污染物进入内部,同时保持润滑剂的稳定性,延长使用寿命。角接触结构使得轴承能够同时承受径向和轴向载荷,特别适合高速主轴、精密机床等设备。
在安装和使用过程中需注意配合公差和预紧力的调整,合理的润滑条件对保持性能至关重要。由于材料特性及工况差异,实际使用寿命可能存在一定波动。用户可根据具体需求选择适当的配置方案,以满足不同应用条件对精度和可靠性的要求。
H
C
S
7
9
1
2
E
T
P
4
D
U
H:高转速
C:陶瓷球
S:密封型
7:精密角接触球轴承
9:尺寸系列:超轻 19 系列
12:内径:60 mm
E:接触角 25°
T:尼龙保持架
P4:P4 级精度
DU:双列万能配对
H:
高转速
C:
陶瓷球
S:
密封型
7:
精密角接触球轴承
9:
尺寸系列:超轻 19 系列
12:
内径:60 mm
E:
接触角 25°
T:
尼龙保持架
P4:
P4 级精度
DU:
双列万能配对
公称型号 | ||
高速陶瓷球密封型 | HCS7912ETP4DU | |
主要尺寸(mm) | ||
内径 | d | 60 |
外径 | D | 85 |
厚度(单列) | B | 13 |
厚度(多列) | T | 26 |
倒角尺寸 | r(min) | 1 |
倒角尺寸 | r1(min) | 0.6 |
额定载荷(KN) | ||
基本额定动载荷 | Cr | 28 |
基本额定静载荷 | C0r | 22 |
极限载荷(KN) | ||
轴向-单个 | 13.6 | |
接触角 | ||
度 | ° | 25 |
系数 | ||
fo | - | |
作用点(mm) | ||
a | 23.4 | |
限制速度(rpm) | ||
脂润滑 | Grease | 22100 |
油润滑 | Oil | - |
安装尺寸(mm) | ||
da(min) | 66 | |
Da(max) | 79 | |
Db(max) | 80 | |
ra(max) | 1 | |
rb(max) | 0.5 | |
预紧力(N)-DU/DB/DF | ||
微预紧 | EL | 49 |
轻预紧 | L | 306 |
中预紧 | M | 638 |
重预紧 | H | - |
轴承刚度(N/μm)-DU/DB/DF | ||
微预紧 | EL | 88 |
轻预紧 | L | 164 |
中预紧 | M | 215 |
重预紧 | H | - |
测量轴向游隙(μm) | ||
微预紧 | EL | 0 |
轻预紧 | L | -8 |
中预紧 | M | -15 |
重预紧 | H | - |
轴承组合 | ||
方式 | 万能 | |
列数 | 2 | |
重量(Kg) | ||
0.34 |

商品 | 品牌 | 主要尺寸 | 发货仓 | 产地 | 库存 | 含税单价 | VIP价 | 操作 |
SKF S71912 ACE/HCP4ADGA轴承 超精密角接触球轴承E设计 |
SKF | 60 X 85 X 26 | 华东 | 意大利 | 4 | 5350.8 | ¥4116 | |
FAG HCS71912-E-T-P4S-DUL轴承 超精密角接触球轴承 |
FAG | 60 X 85 X 26 | 海外 | 德国 | 10 | 8617.88 | ¥6894.3 | |
FAG HCS71912-E-T-P4S-DUO-GA21T轴承 超精密角接触球轴承 |
FAG | 60 X 85 X 26 | 海外 | 德国 | 1 | 25774.39 | ¥20785.8 | |