产品分类
- 深沟球轴承
- 角接触球轴承
- 超高精密轴承
- 精密角接触球轴承
- 标准型
- 标准密封型-S
- 陶瓷球标准型-C
- 陶瓷球密封型-CS
- 高速小球型-HS
- 小球密封型-HSS
- 陶瓷小球型-HC
- 陶瓷小球密封型-HCS
- 超高速陶瓷球型-XC
- 超高速陶瓷球密封型-XCS
- 超高速小球型-XS
- 超高速小球密封型-XSS
- 油气润滑-标准钢球型
- 油气润滑-标准陶瓷球型
- 油气润滑-高速小球型
- 油气润滑-高速陶瓷球型
- 油气润滑-超高速小球型
- 油气润滑-超高速陶瓷球型
- 精密丝杠轴承
- 精密圆柱滚子轴承
- 调心球轴承
- 推力轴承
- 圆柱滚子轴承
- 圆锥滚子轴承
- 调心滚子轴承
- 交叉滚子轴承
- 超薄截面轴承
- 滚针轴承
- 滚轮轴承
- 关节轴承
- 直线运动
- 轴承附件

HCS7911CTP4QBC轴承
类型:【超高精密轴承 - 精密角接触球轴承】
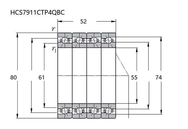
基本尺寸:内径:55 mm,外径:80 mm,厚度:52 mm。
价格区间:¥0 - ¥0【详情】
前缀列表:【H:高转速】【C:陶瓷球】【S:密封型】后缀列表:【C:接触角 15°】【T:尼龙保持架】【P4:P4 级精度】【QBC:四列串联背靠背串联( / / \ \ )配对】
H
C
S
7
9
1
1
C
T
P
4
Q
B
C
H:高转速
C:陶瓷球
S:密封型
7:精密角接触球轴承
9:尺寸系列:超轻 19 系列
11:内径:55 mm
C:接触角 15°
T:尼龙保持架
P4:P4 级精度
QBC:四列串联背靠背串联( / / \ \ )配对
H:
高转速
C:
陶瓷球
S:
密封型
7:
精密角接触球轴承
9:
尺寸系列:超轻 19 系列
11:
内径:55 mm
C:
接触角 15°
T:
尼龙保持架
P4:
P4 级精度
QBC:
四列串联背靠背串联( / / \ \ )配对
公称型号 | ||
高速陶瓷球密封型 | HCS7911CTP4QBC | |
主要尺寸(mm) | ||
内径 | d | 55 |
外径 | D | 80 |
厚度(单列) | B | 13 |
厚度(多列) | T | 52 |
倒角尺寸 | r(min) | 1 |
倒角尺寸 | r1(min) | 0.6 |
额定载荷(KN) | ||
基本额定动载荷 | Cr | 61.2 |
基本额定静载荷 | C0r | 42.4 |
极限载荷(KN) | ||
轴向-单个 | 16.2 | |
接触角 | ||
度 | ° | 15 |
系数 | ||
fo | 8.4 | |
作用点(mm) | ||
a | 15.5 | |
限制速度(rpm) | ||
脂润滑 | Grease | 28000 |
油润滑 | Oil | - |
安装尺寸(mm) | ||
da(min) | 61 | |
Da(max) | 74 | |
Db(max) | 75 | |
ra(max) | 1 | |
rb(max) | 0.5 | |
预紧力(N)-DU/DB/DF | ||
微预紧 | EL | 49 |
轻预紧 | L | 184 |
中预紧 | M | 375 |
重预紧 | H | - |
轴承刚度(N/μm)-DU/DB/DF | ||
微预紧 | EL | 51 |
轻预紧 | L | 82 |
中预紧 | M | 109 |
重预紧 | H | - |
测量轴向游隙(μm) | ||
微预紧 | EL | 0 |
轻预紧 | L | -8 |
中预紧 | M | -16 |
重预紧 | H | - |
轴承组合 | ||
方式 | <<>> | |
列数 | 4 | |
重量(Kg) | ||
0.56 |

商品 | 品牌 | 主要尺寸 | 发货仓 | 产地 | 库存 | 含税单价 | VIP价 | 操作 |