产品分类
- 深沟球轴承
- 角接触球轴承
- 超高精密轴承
- 精密角接触球轴承
- 标准型
- 标准密封型-S
- 陶瓷球标准型-C
- 陶瓷球密封型-CS
- 高速小球型-HS
- 小球密封型-HSS
- 陶瓷小球型-HC
- 陶瓷小球密封型-HCS
- 超高速陶瓷球型-XC
- 超高速陶瓷球密封型-XCS
- 超高速小球型-XS
- 超高速小球密封型-XSS
- 油气润滑-标准钢球型
- 油气润滑-标准陶瓷球型
- 油气润滑-高速小球型
- 油气润滑-高速陶瓷球型
- 油气润滑-超高速小球型
- 油气润滑-超高速陶瓷球型
- 精密丝杠轴承
- 精密圆柱滚子轴承
- 调心球轴承
- 推力轴承
- 圆柱滚子轴承
- 圆锥滚子轴承
- 调心滚子轴承
- 交叉滚子轴承
- 超薄截面轴承
- 滚针轴承
- 滚轮轴承
- 关节轴承
- 直线运动
- 轴承附件

HCS7909ETP4DU轴承
类型:【超高精密轴承 - 精密角接触球轴承】
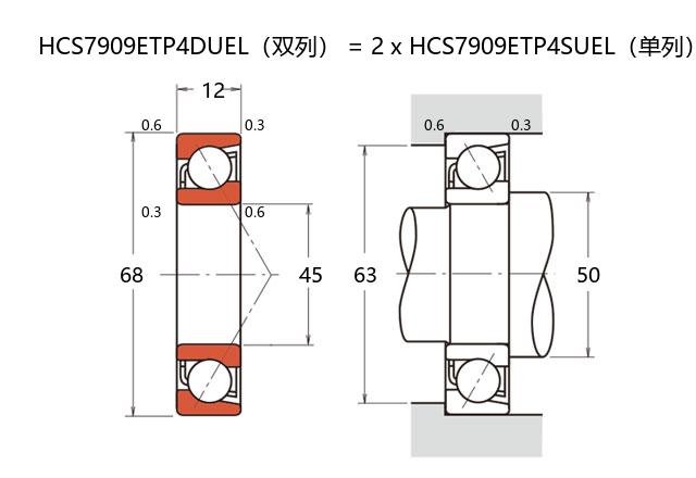
基本尺寸:内径:45 mm,外径:68 mm,厚度:24 mm。
价格区间:¥5213.48 - ¥5943.37【详情】
前缀列表:【H:高转速】【C:陶瓷球】【S:密封型】后缀列表:【E:接触角 25°】【T:尼龙保持架】【P4:P4 级精度】【DU:双列万能配对】
HCS7909ETP4DU是一款超高精密角接触球轴承,其内径为45毫米,外径为68毫米,厚度24毫米,适用于对尺寸精度和结构稳定性有严格要求的应用场景。该轴承属于精密角接触球轴承类别,采用陶瓷小球和密封设计,在高速运转条件下可能表现出较低的摩擦特性和较好的耐磨损性能。
陶瓷材料的应用有助于减少轴承在高速旋转时的离心力影响,同时可能提升在润滑不良环境下的使用适应性。密封结构的设计可在一定程度上阻隔污染物进入,为内部工作环境提供保护,有助于维持较长的使用寿命。这类轴承常见于高转速主轴、精密机床以及测量仪器等领域,能够满足较高旋转精度和刚性需求。
在安装和使用过程中,需注意配合公差和润滑条件,以充分发挥其性能潜力。该型号轴承的设计注重实用性与可靠性,适用于多种工业场景,为用户提供了一种可行的精密部件选择方案。
H
C
S
7
9
0
9
E
T
P
4
D
U
H:高转速
C:陶瓷球
S:密封型
7:精密角接触球轴承
9:尺寸系列:超轻 19 系列
09:内径:45 mm
E:接触角 25°
T:尼龙保持架
P4:P4 级精度
DU:双列万能配对
H:
高转速
C:
陶瓷球
S:
密封型
7:
精密角接触球轴承
9:
尺寸系列:超轻 19 系列
09:
内径:45 mm
E:
接触角 25°
T:
尼龙保持架
P4:
P4 级精度
DU:
双列万能配对
公称型号 | ||
高速陶瓷球密封型 | HCS7909ETP4DU | |
主要尺寸(mm) | ||
内径 | d | 45 |
外径 | D | 68 |
厚度(单列) | B | 12 |
厚度(多列) | T | 24 |
倒角尺寸 | r(min) | 0.6 |
倒角尺寸 | r1(min) | 0.3 |
额定载荷(KN) | ||
基本额定动载荷 | Cr | 23.2 |
基本额定静载荷 | C0r | 16 |
极限载荷(KN) | ||
轴向-单个 | 9.85 | |
接触角 | ||
度 | ° | 25 |
系数 | ||
fo | - | |
作用点(mm) | ||
a | 19.2 | |
限制速度(rpm) | ||
脂润滑 | Grease | 28400 |
油润滑 | Oil | - |
安装尺寸(mm) | ||
da(min) | 50 | |
Da(max) | 63 | |
Db(max) | 65.5 | |
ra(max) | 0.6 | |
rb(max) | 0.3 | |
预紧力(N)-DU/DB/DF | ||
微预紧 | EL | 49 |
轻预紧 | L | 265 |
中预紧 | M | 539 |
重预紧 | H | - |
轴承刚度(N/μm)-DU/DB/DF | ||
微预紧 | EL | 76 |
轻预紧 | L | 136 |
中预紧 | M | 177 |
重预紧 | H | - |
测量轴向游隙(μm) | ||
微预紧 | EL | 0 |
轻预紧 | L | -8 |
中预紧 | M | -15 |
重预紧 | H | - |
轴承组合 | ||
方式 | 万能 | |
列数 | 2 | |
重量(Kg) | ||
0.222 |

商品 | 品牌 | 主要尺寸 | 发货仓 | 产地 | 库存 | 含税单价 | VIP价 | 操作 |
FAG HCS71909-E-T-P4S-DUL轴承 超精密角接触球轴承 |
FAG | 45 X 68 X 24 | 海外 | 6 | 5943.37 | ¥5213.48 | ||