产品分类
- 深沟球轴承
- 角接触球轴承
- 超高精密轴承
- 精密角接触球轴承
- 标准型
- 标准密封型-S
- 陶瓷球标准型-C
- 陶瓷球密封型-CS
- 高速小球型-HS
- 小球密封型-HSS
- 陶瓷小球型-HC
- 陶瓷小球密封型-HCS
- 超高速陶瓷球型-XC
- 超高速陶瓷球密封型-XCS
- 超高速小球型-XS
- 超高速小球密封型-XSS
- 油气润滑-标准钢球型
- 油气润滑-标准陶瓷球型
- 油气润滑-高速小球型
- 油气润滑-高速陶瓷球型
- 油气润滑-超高速小球型
- 油气润滑-超高速陶瓷球型
- 精密丝杠轴承
- 精密圆柱滚子轴承
- 调心球轴承
- 推力轴承
- 圆柱滚子轴承
- 圆锥滚子轴承
- 调心滚子轴承
- 交叉滚子轴承
- 超薄截面轴承
- 滚针轴承
- 滚轮轴承
- 关节轴承
- 直线运动
- 轴承附件

HCS7908ETP4DU轴承
类型:【超高精密轴承 - 精密角接触球轴承】
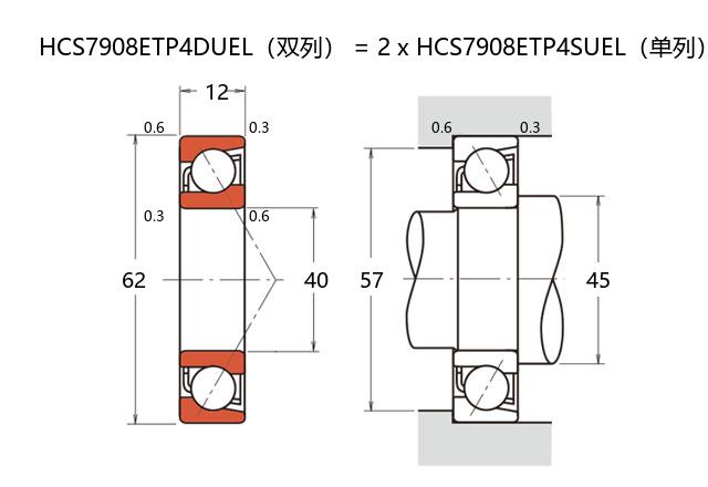
基本尺寸:内径:40 mm,外径:62 mm,厚度:24 mm。
价格区间:¥3035.55 - ¥5703.74【详情】
前缀列表:【H:高转速】【C:陶瓷球】【S:密封型】后缀列表:【E:接触角 25°】【T:尼龙保持架】【P4:P4 级精度】【DU:双列万能配对】
HCS7908ETP4DU属于超高精密轴承系列中的精密角接触球轴承类型,具备陶瓷小球和密封结构的设计特点。该型号的基本尺寸为内径40毫米、外径62毫米、厚度24毫米,适配于中等负荷与高转速并存的工况环境。
在结构方面,该轴承采用角接触设计,能够同时承受径向与轴向联合载荷,尤其适用于需要高刚性和精确旋转的场合。其滚动体使用陶瓷材料,有助于降低整体重量并提升耐磨性能,同时在一定条件下可减少润滑依赖。内置密封系统进一步增强了防尘与防污染物能力,延长了使用寿命。
该型号常见于精密机床主轴、高速电主轴及测量仪器等设备中,能够满足高精度加工与稳定运转的要求。需要注意的是,实际应用效果会受到安装质量、润滑条件及工作环境等多重因素影响,建议结合具体工况进行选型与维护。
H
C
S
7
9
0
8
E
T
P
4
D
U
H:高转速
C:陶瓷球
S:密封型
7:精密角接触球轴承
9:尺寸系列:超轻 19 系列
08:内径:40 mm
E:接触角 25°
T:尼龙保持架
P4:P4 级精度
DU:双列万能配对
H:
高转速
C:
陶瓷球
S:
密封型
7:
精密角接触球轴承
9:
尺寸系列:超轻 19 系列
08:
内径:40 mm
E:
接触角 25°
T:
尼龙保持架
P4:
P4 级精度
DU:
双列万能配对
公称型号 | ||
高速陶瓷球密封型 | HCS7908ETP4DU | |
主要尺寸(mm) | ||
内径 | d | 40 |
外径 | D | 62 |
厚度(单列) | B | 12 |
厚度(多列) | T | 24 |
倒角尺寸 | r(min) | 0.6 |
倒角尺寸 | r1(min) | 0.3 |
额定载荷(KN) | ||
基本额定动载荷 | Cr | 22 |
基本额定静载荷 | C0r | 14.1 |
极限载荷(KN) | ||
轴向-单个 | 8.65 | |
接触角 | ||
度 | ° | 25 |
系数 | ||
fo | - | |
作用点(mm) | ||
a | 17.9 | |
限制速度(rpm) | ||
脂润滑 | Grease | 31400 |
油润滑 | Oil | - |
安装尺寸(mm) | ||
da(min) | 45 | |
Da(max) | 57 | |
Db(max) | 59.5 | |
ra(max) | 0.6 | |
rb(max) | 0.3 | |
预紧力(N)-DU/DB/DF | ||
微预紧 | EL | 49 |
轻预紧 | L | 246 |
中预紧 | M | 494 |
重预紧 | H | - |
轴承刚度(N/μm)-DU/DB/DF | ||
微预紧 | EL | 71 |
轻预紧 | L | 123 |
中预紧 | M | 160 |
重预紧 | H | - |
测量轴向游隙(μm) | ||
微预紧 | EL | 0 |
轻预紧 | L | -8 |
中预紧 | M | -15 |
重预紧 | H | - |
轴承组合 | ||
方式 | 万能 | |
列数 | 2 | |
重量(Kg) | ||
0.184 |

商品 | 品牌 | 主要尺寸 | 发货仓 | 产地 | 库存 | 含税单价 | VIP价 | 操作 |
SKF S71908 ACE/HCP4ADGA轴承 超精密角接触球轴承E设计 |
SKF | 40 X 62 X 24 | 华东 | 1 | 3764.08 | ¥3035.55 | ||
FAG HCS71908-E-T-P4S-DUL轴承 超精密角接触球轴承 |
FAG | 40 X 62 X 24 | 海外 | 6 | 5703.74 | ¥4874.99 | ||