产品分类
- 深沟球轴承
- 角接触球轴承
- 超高精密轴承
- 精密角接触球轴承
- 标准型
- 标准密封型-S
- 陶瓷球标准型-C
- 陶瓷球密封型-CS
- 高速小球型-HS
- 小球密封型-HSS
- 陶瓷小球型-HC
- 陶瓷小球密封型-HCS
- 超高速陶瓷球型-XC
- 超高速陶瓷球密封型-XCS
- 超高速小球型-XS
- 超高速小球密封型-XSS
- 油气润滑-标准钢球型
- 油气润滑-标准陶瓷球型
- 油气润滑-高速小球型
- 油气润滑-高速陶瓷球型
- 油气润滑-超高速小球型
- 油气润滑-超高速陶瓷球型
- 精密丝杠轴承
- 精密圆柱滚子轴承
- 调心球轴承
- 推力轴承
- 圆柱滚子轴承
- 圆锥滚子轴承
- 调心滚子轴承
- 交叉滚子轴承
- 超薄截面轴承
- 滚针轴承
- 滚轮轴承
- 关节轴承
- 直线运动
- 轴承附件

HCS7906FTP4DU轴承
类型:【超高精密轴承 - 精密角接触球轴承】
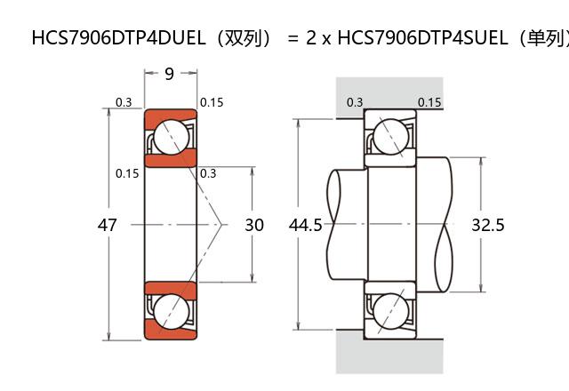
基本尺寸:内径:30 mm,外径:47 mm,厚度:18 mm。
价格区间:¥2315.25 - ¥2685.69【详情】
前缀列表:【H:高转速】【C:陶瓷球】【S:密封型】后缀列表:【F:接触角 18°】【T:尼龙保持架】【P4:P4 级精度】【DU:双列万能配对】
HCS7906FTP4DU是一款超高精密角接触球轴承,其基本结构采用内径30mm、外径47mm、厚度18mm的紧凑设计,适用于对空间和精度均有较高要求的应用场景。该轴承属于精密角接触球轴承中的陶瓷小球密封型系列,通过采用混合陶瓷材料制作滚动体,有助于降低运转过程中的摩擦热与磨损,同时提升在高速条件下的动态响应能力。
此类轴承通常配备特殊的密封结构,能够有效阻挡污染物进入内部工作区域,维持润滑剂的清洁度,进而延长使用寿命。此外,其接触角设计使得轴承具备较好的轴向与径向复合承载性能,适合中等转速及较高刚性的使用条件。
该型号常见于高转速电主轴、精密仪器及医疗设备等对运转平稳性与定位精度有严格要求的领域。在合理安装与适当润滑条件下,其性能表现较为可靠。需要注意的是,实际应用中需结合负载、转速及环境条件进行选型评估,以确保匹配最佳工作状态。
H
C
S
7
9
0
6
F
T
P
4
D
U
H:高转速
C:陶瓷球
S:密封型
7:精密角接触球轴承
9:尺寸系列:超轻 19 系列
06:内径:30 mm
F:接触角 18°
T:尼龙保持架
P4:P4 级精度
DU:双列万能配对
H:
高转速
C:
陶瓷球
S:
密封型
7:
精密角接触球轴承
9:
尺寸系列:超轻 19 系列
06:
内径:30 mm
F:
接触角 18°
T:
尼龙保持架
P4:
P4 级精度
DU:
双列万能配对
公称型号 | ||
高速陶瓷球密封型 | HCS7906FTP4DU | |
主要尺寸(mm) | ||
内径 | d | 30 |
外径 | D | 47 |
厚度(单列) | B | 9 |
厚度(多列) | T | 18 |
倒角尺寸 | r(min) | 0.3 |
倒角尺寸 | r1(min) | 0.15 |
额定载荷(KN) | ||
基本额定动载荷 | Cr | 10 |
基本额定静载荷 | C0r | 6.9 |
极限载荷(KN) | ||
轴向-单个 | 3.3 | |
接触角 | ||
度 | ° | 18 |
系数 | ||
fo | 10.9 | |
作用点(mm) | ||
a | 10.8 | |
限制速度(rpm) | ||
脂润滑 | Grease | 46800 |
油润滑 | Oil | - |
安装尺寸(mm) | ||
da(min) | 32.5 | |
Da(max) | 44.5 | |
Db(max) | 45.8 | |
ra(max) | 0.3 | |
rb(max) | 0.15 | |
预紧力(N)-DU/DB/DF | ||
微预紧 | EL | 25 |
轻预紧 | L | 121 |
中预紧 | M | 248 |
重预紧 | H | - |
轴承刚度(N/μm)-DU/DB/DF | ||
微预紧 | EL | 34 |
轻预紧 | L | 62 |
中预紧 | M | 83 |
重预紧 | H | - |
测量轴向游隙(μm) | ||
微预紧 | EL | 0 |
轻预紧 | L | -8 |
中预紧 | M | -15 |
重预紧 | H | - |
轴承组合 | ||
方式 | 万能 | |
列数 | 2 | |
重量(Kg) | ||
0.094 |

商品 | 品牌 | 主要尺寸 | 发货仓 | 产地 | 库存 | 含税单价 | VIP价 | 操作 |
SKF S71906 FE/HCP4ADGA轴承 超精密角接触球轴承E设计 |
SKF | 30 X 47 X 18 | 华东 | 意大利 | 4 | 2685.69 | ¥2315.25 | |