产品分类
- 深沟球轴承
- 角接触球轴承
- 超高精密轴承
- 精密角接触球轴承
- 标准型
- 标准密封型-S
- 陶瓷球标准型-C
- 陶瓷球密封型-CS
- 高速小球型-HS
- 小球密封型-HSS
- 陶瓷小球型-HC
- 陶瓷小球密封型-HCS
- 超高速陶瓷球型-XC
- 超高速陶瓷球密封型-XCS
- 超高速小球型-XS
- 超高速小球密封型-XSS
- 油气润滑-标准钢球型
- 油气润滑-标准陶瓷球型
- 油气润滑-高速小球型
- 油气润滑-高速陶瓷球型
- 油气润滑-超高速小球型
- 油气润滑-超高速陶瓷球型
- 精密丝杠轴承
- 精密圆柱滚子轴承
- 调心球轴承
- 推力轴承
- 圆柱滚子轴承
- 圆锥滚子轴承
- 调心滚子轴承
- 交叉滚子轴承
- 超薄截面轴承
- 滚针轴承
- 滚轮轴承
- 关节轴承
- 直线运动
- 轴承附件

HCS7905CTP4DU轴承
类型:【超高精密轴承 - 精密角接触球轴承】
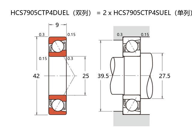
基本尺寸:内径:25 mm,外径:42 mm,厚度:18 mm。
价格区间:¥1880.01 - ¥2068.01【详情】
前缀列表:【H:高转速】【C:陶瓷球】【S:密封型】后缀列表:【C:接触角 15°】【T:尼龙保持架】【P4:P4 级精度】【DU:双列万能配对】
HCS7905CTP4DU是一款适用于高精度应用场景的角接触球轴承。该型号采用陶瓷小球作为滚动体,具备轻质、耐磨损与耐腐蚀等特性,有助于提升高速运转时的稳定性。轴承的接触角设计使得其能够同时承受径向与轴向载荷,尤其适用于复合受力场合。
该轴承采用非接触式密封结构,可在防止污染物进入的同时控制摩擦升温,有助于延长使用寿命。其内外圈及滚动体经过精密加工与选配,能够满足较高的旋转精度要求。润滑方面通常采用高性能润滑脂,以适应不同转速下的工作需求。
该型号主要面向精密机床主轴、高速电主轴及测量仪器等需要高刚性、低振动与低噪声的环境。安装时需注意预紧力的控制及配合公差,以确保其性能稳定发挥。在多类精密传动系统中,此类轴承可提供可靠的支持功能。
H
C
S
7
9
0
5
C
T
P
4
D
U
H:高转速
C:陶瓷球
S:密封型
7:精密角接触球轴承
9:尺寸系列:超轻 19 系列
05:内径:25 mm
C:接触角 15°
T:尼龙保持架
P4:P4 级精度
DU:双列万能配对
H:
高转速
C:
陶瓷球
S:
密封型
7:
精密角接触球轴承
9:
尺寸系列:超轻 19 系列
05:
内径:25 mm
C:
接触角 15°
T:
尼龙保持架
P4:
P4 级精度
DU:
双列万能配对
公称型号 | ||
高速陶瓷球密封型 | HCS7905CTP4DU | |
主要尺寸(mm) | ||
内径 | d | 25 |
外径 | D | 42 |
厚度(单列) | B | 9 |
厚度(多列) | T | 18 |
倒角尺寸 | r(min) | 0.3 |
倒角尺寸 | r1(min) | 0.15 |
额定载荷(KN) | ||
基本额定动载荷 | Cr | 10.7 |
基本额定静载荷 | C0r | 5.24 |
极限载荷(KN) | ||
轴向-单个 | 2.22 | |
接触角 | ||
度 | ° | 15 |
系数 | ||
fo | 7.8 | |
作用点(mm) | ||
a | 9 | |
限制速度(rpm) | ||
脂润滑 | Grease | 56800 |
油润滑 | Oil | - |
安装尺寸(mm) | ||
da(min) | 27.5 | |
Da(max) | 39.5 | |
Db(max) | 40.8 | |
ra(max) | 0.3 | |
rb(max) | 0.15 | |
预紧力(N)-DU/DB/DF | ||
微预紧 | EL | 19 |
轻预紧 | L | 43 |
中预紧 | M | 83 |
重预紧 | H | - |
轴承刚度(N/μm)-DU/DB/DF | ||
微预紧 | EL | 20 |
轻预紧 | L | 28 |
中预紧 | M | 36 |
重预紧 | H | - |
测量轴向游隙(μm) | ||
微预紧 | EL | 1 |
轻预紧 | L | -3 |
中预紧 | M | -8 |
重预紧 | H | - |
轴承组合 | ||
方式 | 万能 | |
列数 | 2 | |
重量(Kg) | ||
0.078 |

商品 | 品牌 | 主要尺寸 | 发货仓 | 产地 | 库存 | 含税单价 | VIP价 | 操作 |
FAG HCS71905-C-T-P4S-DUL轴承 超精密角接触球轴承 |
FAG | 25 X 42 X 18 | 华南 | 德国 | 9 | 2068.01 | ¥1880.01 | |