产品分类
- 深沟球轴承
- 角接触球轴承
- 超高精密轴承
- 精密角接触球轴承
- 标准型
- 标准密封型-S
- 陶瓷球标准型-C
- 陶瓷球密封型-CS
- 高速小球型-HS
- 小球密封型-HSS
- 陶瓷小球型-HC
- 陶瓷小球密封型-HCS
- 超高速陶瓷球型-XC
- 超高速陶瓷球密封型-XCS
- 超高速小球型-XS
- 超高速小球密封型-XSS
- 油气润滑-标准钢球型
- 油气润滑-标准陶瓷球型
- 油气润滑-高速小球型
- 油气润滑-高速陶瓷球型
- 油气润滑-超高速小球型
- 油气润滑-超高速陶瓷球型
- 精密丝杠轴承
- 精密圆柱滚子轴承
- 调心球轴承
- 推力轴承
- 圆柱滚子轴承
- 圆锥滚子轴承
- 调心滚子轴承
- 交叉滚子轴承
- 超薄截面轴承
- 滚针轴承
- 滚轮轴承
- 关节轴承
- 直线运动
- 轴承附件

HCS72910ETP4DU轴承
类型:【超高精密轴承 - 精密角接触球轴承】
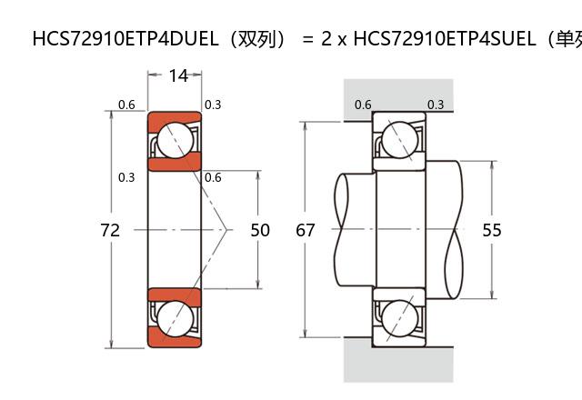
基本尺寸:内径:50 mm,外径:72 mm,厚度:28 mm。
价格区间:¥0 - ¥0【详情】
前缀列表:【H:高转速】【C:陶瓷球】【S:密封型】后缀列表:【E:接触角 25°】【T:尼龙保持架】【P4:P4 级精度】【DU:双列万能配对】
HCS72910ETP4DU是一款适用于高精度应用的角接触球轴承。其内径为50毫米,外径72毫米,厚度为28毫米,结构紧凑且具备较高的刚性。该型号采用陶瓷小球材质,能够在高速运转条件下保持稳定的性能表现,同时有效降低因离心力引起的内圈膨胀对工作游隙的影响。
此轴承属于精密角接触球轴承的细分类型,带有接触式密封结构。密封设计有助于在复杂工况中阻挡外部污染物进入,同时保留内部润滑剂,对于延长使用寿命具有积极意义。该型号在中等负荷和高转速场景下表现较为突出,适合需要连续运转的工业设备。
在实际应用中,此类轴承常见于精密主轴系统、高速电主轴及部分高精度旋转平台。其材料特性有助于降低运转过程中的温升,对于维持系统精度具有支持作用。选型时需综合考虑实际负荷条件、转速范围及安装配合要求,以确保性能得到充分发挥。
H
C
S
7
2
9
1
0
E
T
P
4
D
U
H:高转速
C:陶瓷球
S:密封型
7:精密角接触球轴承
2:宽度系列:宽型 2 系列
9:直径系列:超轻 19 系列
10:内径:50 mm
E:接触角 25°
T:尼龙保持架
P4:P4 级精度
DU:双列万能配对
H:
高转速
C:
陶瓷球
S:
密封型
7:
精密角接触球轴承
2:
宽度系列:宽型 2 系列
9:
直径系列:超轻 19 系列
10:
内径:50 mm
E:
接触角 25°
T:
尼龙保持架
P4:
P4 级精度
DU:
双列万能配对
公称型号 | ||
高速陶瓷球密封型 | HCS72910ETP4DU | |
主要尺寸(mm) | ||
内径 | d | 50 |
外径 | D | 72 |
厚度(单列) | B | 14 |
厚度(多列) | T | 28 |
倒角尺寸 | r(min) | 0.6 |
倒角尺寸 | r1(min) | 0.3 |
额定载荷(KN) | ||
基本额定动载荷 | Cr | 24.4 |
基本额定静载荷 | C0r | 17.9 |
极限载荷(KN) | ||
轴向-单个 | 11 | |
接触角 | ||
度 | ° | 25 |
系数 | ||
fo | - | |
作用点(mm) | ||
a | 21.2 | |
限制速度(rpm) | ||
脂润滑 | Grease | 26300 |
油润滑 | Oil | - |
安装尺寸(mm) | ||
da(min) | 55 | |
Da(max) | 67 | |
Db(max) | 69.5 | |
ra(max) | 0.6 | |
rb(max) | 0.3 | |
预紧力(N)-DU/DB/DF | ||
微预紧 | EL | 49 |
轻预紧 | L | 283 |
中预紧 | M | 584 |
重预紧 | H | - |
轴承刚度(N/μm)-DU/DB/DF | ||
微预紧 | EL | 81 |
轻预紧 | L | 149 |
中预紧 | M | 194 |
重预紧 | H | - |
测量轴向游隙(μm) | ||
微预紧 | EL | 0 |
轻预紧 | L | -8 |
中预紧 | M | -15 |
重预紧 | H | - |
轴承组合 | ||
方式 | 万能 | |
列数 | 2 | |
重量(Kg) | ||
0.256 |

商品 | 品牌 | 主要尺寸 | 发货仓 | 产地 | 库存 | 含税单价 | VIP价 | 操作 |