产品分类
- 深沟球轴承
- 角接触球轴承
- 超高精密轴承
- 精密角接触球轴承
- 标准型
- 标准密封型-S
- 陶瓷球标准型-C
- 陶瓷球密封型-CS
- 高速小球型-HS
- 小球密封型-HSS
- 陶瓷小球型-HC
- 陶瓷小球密封型-HCS
- 超高速陶瓷球型-XC
- 超高速陶瓷球密封型-XCS
- 超高速小球型-XS
- 超高速小球密封型-XSS
- 油气润滑-标准钢球型
- 油气润滑-标准陶瓷球型
- 油气润滑-高速小球型
- 油气润滑-高速陶瓷球型
- 油气润滑-超高速小球型
- 油气润滑-超高速陶瓷球型
- 精密丝杠轴承
- 精密圆柱滚子轴承
- 调心球轴承
- 推力轴承
- 圆柱滚子轴承
- 圆锥滚子轴承
- 调心滚子轴承
- 交叉滚子轴承
- 超薄截面轴承
- 滚针轴承
- 滚轮轴承
- 关节轴承
- 直线运动
- 轴承附件

HCS72014FTP4DU轴承
类型:【超高精密轴承 - 精密角接触球轴承】
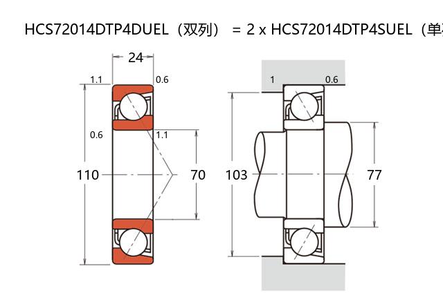
基本尺寸:内径:70 mm,外径:110 mm,厚度:48 mm。
价格区间:¥0 - ¥0【详情】
前缀列表:【H:高转速】【C:陶瓷球】【S:密封型】后缀列表:【F:接触角 18°】【T:尼龙保持架】【P4:P4 级精度】【DU:双列万能配对】
HCS72014FTP4DU是一款采用陶瓷小球材料的精密角接触球轴承,内径70毫米,外径110毫米,厚度48毫米。该型号属于超高精密轴承类别,其结构设计兼顾高刚性与轻量化特性,适用于多种需要高旋转精度的工况环境。
轴承内部采用陶瓷材质滚动体,这种材料具有低密度、高硬度和耐腐蚀等特点,有助于降低高速运转时的离心力效应,同时可减少因温差引起的尺寸变化。接触角设计经过优化,能够同时承受径向和轴向复合载荷。特殊设计的密封装置能有效保持润滑剂清洁度,并防止外部污染物侵入。
此类轴承常见于精密机床主轴、高速电主轴单元及测量仪器等设备。在合理安装与规范维护条件下,其稳定的动态性能有助于维持设备长期运行的可靠性。使用过程中需注意配合公差的选择及润滑条件的控制,以确保轴承性能得到充分发挥。不同应用场景下的实际表现可能因具体工况条件而存在差异。
H
C
S
7
2
0
1
4
F
T
P
4
D
U
H:高转速
C:陶瓷球
S:密封型
7:精密角接触球轴承
2:宽度系列:宽型 2 系列
0:直径系列:超轻 10 系列
14:内径:70 mm
F:接触角 18°
T:尼龙保持架
P4:P4 级精度
DU:双列万能配对
H:
高转速
C:
陶瓷球
S:
密封型
7:
精密角接触球轴承
2:
宽度系列:宽型 2 系列
0:
直径系列:超轻 10 系列
14:
内径:70 mm
F:
接触角 18°
T:
尼龙保持架
P4:
P4 级精度
DU:
双列万能配对
公称型号 | ||
高速陶瓷球密封型 | HCS72014FTP4DU | |
主要尺寸(mm) | ||
内径 | d | 70 |
外径 | D | 110 |
厚度(单列) | B | 24 |
厚度(多列) | T | 48 |
倒角尺寸 | r(min) | 1.1 |
倒角尺寸 | r1(min) | 0.6 |
额定载荷(KN) | ||
基本额定动载荷 | Cr | 44.6 |
基本额定静载荷 | C0r | 37.8 |
极限载荷(KN) | ||
轴向-单个 | 18.8 | |
接触角 | ||
度 | ° | 18 |
系数 | ||
fo | 10.9 | |
作用点(mm) | ||
a | 26.5 | |
限制速度(rpm) | ||
脂润滑 | Grease | 20000 |
油润滑 | Oil | - |
安装尺寸(mm) | ||
da(min) | 77 | |
Da(max) | 103 | |
Db(max) | 105 | |
ra(max) | 1 | |
rb(max) | 0.6 | |
预紧力(N)-DU/DB/DF | ||
微预紧 | EL | 49 |
轻预紧 | L | 262 |
中预紧 | M | 582 |
重预紧 | H | - |
轴承刚度(N/μm)-DU/DB/DF | ||
微预紧 | EL | 60 |
轻预紧 | L | 108 |
中预紧 | M | 147 |
重预紧 | H | - |
测量轴向游隙(μm) | ||
微预紧 | EL | 0 |
轻预紧 | L | -10 |
中预紧 | M | -20 |
重预紧 | H | - |
轴承组合 | ||
方式 | 万能 | |
列数 | 2 | |
重量(Kg) | ||
1.448 |

商品 | 品牌 | 主要尺寸 | 发货仓 | 产地 | 库存 | 含税单价 | VIP价 | 操作 |