产品分类
- 深沟球轴承
- 角接触球轴承
- 超高精密轴承
- 精密角接触球轴承
- 标准型
- 标准密封型-S
- 陶瓷球标准型-C
- 陶瓷球密封型-CS
- 高速小球型-HS
- 小球密封型-HSS
- 陶瓷小球型-HC
- 陶瓷小球密封型-HCS
- 超高速陶瓷球型-XC
- 超高速陶瓷球密封型-XCS
- 超高速小球型-XS
- 超高速小球密封型-XSS
- 油气润滑-标准钢球型
- 油气润滑-标准陶瓷球型
- 油气润滑-高速小球型
- 油气润滑-高速陶瓷球型
- 油气润滑-超高速小球型
- 油气润滑-超高速陶瓷球型
- 精密丝杠轴承
- 精密圆柱滚子轴承
- 调心球轴承
- 推力轴承
- 圆柱滚子轴承
- 圆锥滚子轴承
- 调心滚子轴承
- 交叉滚子轴承
- 超薄截面轴承
- 滚针轴承
- 滚轮轴承
- 关节轴承
- 直线运动
- 轴承附件

HCS7200CTP4DU轴承
类型:【超高精密轴承 - 精密角接触球轴承】
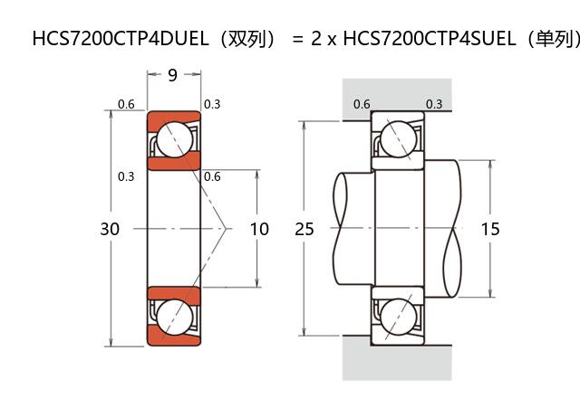
基本尺寸:内径:10 mm,外径:30 mm,厚度:18 mm。
价格区间:¥0 - ¥0【详情】
前缀列表:【H:高转速】【C:陶瓷球】【S:密封型】后缀列表:【C:接触角 15°】【T:尼龙保持架】【P4:P4 级精度】【DU:双列万能配对】
HCS7200CTP4DU型号轴承属于超高精密角接触球轴承系列,具备优化的结构设计与材料特性。其基本尺寸为内径10毫米、外径30毫米、厚度18毫米,可适配多种精密机械的安装需求。
该轴承采用陶瓷小球作为滚动体,相较于传统钢球具有更低的密度和更高的硬度,有助于减少高速运转时的离心力,降低摩擦温升。接触角设计使轴承能够同时承受径向与轴向复合载荷,尤其适用于高转速工况。密封结构能有效防止润滑剂泄漏并阻挡污染物侵入,延长使用寿命。
在应用层面,此类轴承常见于精密机床主轴、高速电主轴、测量仪器及高精度旋转平台等领域。其内部填充的特殊润滑剂可满足不同温度条件下的稳定运行需求。通过优化的预紧力控制和滚道修形工艺,轴承在运转过程中表现出良好的刚性与动态精度,有助于提升设备整体性能。需根据实际工况匹配安装方式与润滑方案,以充分发挥其技术优势。
H
C
S
7
2
0
0
C
T
P
4
D
U
H:高转速
C:陶瓷球
S:密封型
7:精密角接触球轴承
2:尺寸系列:轻窄 02 系列
00:内径:10 mm
C:接触角 15°
T:尼龙保持架
P4:P4 级精度
DU:双列万能配对
H:
高转速
C:
陶瓷球
S:
密封型
7:
精密角接触球轴承
2:
尺寸系列:轻窄 02 系列
00:
内径:10 mm
C:
接触角 15°
T:
尼龙保持架
P4:
P4 级精度
DU:
双列万能配对
公称型号 | ||
高速陶瓷球密封型 | HCS7200CTP4DU | |
主要尺寸(mm) | ||
内径 | d | 10 |
外径 | D | 30 |
厚度(单列) | B | 9 |
厚度(多列) | T | 18 |
倒角尺寸 | r(min) | 0.6 |
倒角尺寸 | r1(min) | 0.3 |
额定载荷(KN) | ||
基本额定动载荷 | Cr | 7.7 |
基本额定静载荷 | C0r | 2.82 |
极限载荷(KN) | ||
轴向-单个 | 1.18 | |
接触角 | ||
度 | ° | 15 |
系数 | ||
fo | 6.7 | |
作用点(mm) | ||
a | 7.2 | |
限制速度(rpm) | ||
脂润滑 | Grease | 95000 |
油润滑 | Oil | - |
安装尺寸(mm) | ||
da(min) | 15 | |
Da(max) | 25 | |
Db(max) | 27.5 | |
ra(max) | 0.6 | |
rb(max) | 0.3 | |
预紧力(N)-DU/DB/DF | ||
微预紧 | EL | 10 |
轻预紧 | L | 25 |
中预紧 | M | 54 |
重预紧 | H | - |
轴承刚度(N/μm)-DU/DB/DF | ||
微预紧 | EL | 12 |
轻预紧 | L | 17 |
中预紧 | M | 23 |
重预紧 | H | - |
测量轴向游隙(μm) | ||
微预紧 | EL | 4 |
轻预紧 | L | 0 |
中预紧 | M | -6 |
重预紧 | H | - |
轴承组合 | ||
方式 | 万能 | |
列数 | 2 | |
重量(Kg) | ||
0.06 |

商品 | 品牌 | 主要尺寸 | 发货仓 | 产地 | 库存 | 含税单价 | VIP价 | 操作 |