产品分类
- 深沟球轴承
- 角接触球轴承
- 超高精密轴承
- 精密角接触球轴承
- 标准型
- 标准密封型-S
- 陶瓷球标准型-C
- 陶瓷球密封型-CS
- 高速小球型-HS
- 小球密封型-HSS
- 陶瓷小球型-HC
- 陶瓷小球密封型-HCS
- 超高速陶瓷球型-XC
- 超高速陶瓷球密封型-XCS
- 超高速小球型-XS
- 超高速小球密封型-XSS
- 油气润滑-标准钢球型
- 油气润滑-标准陶瓷球型
- 油气润滑-高速小球型
- 油气润滑-高速陶瓷球型
- 油气润滑-超高速小球型
- 油气润滑-超高速陶瓷球型
- 精密丝杠轴承
- 精密圆柱滚子轴承
- 调心球轴承
- 推力轴承
- 圆柱滚子轴承
- 圆锥滚子轴承
- 调心滚子轴承
- 交叉滚子轴承
- 超薄截面轴承
- 滚针轴承
- 滚轮轴承
- 关节轴承
- 直线运动
- 轴承附件

HCS72008FTP4DU轴承
类型:【超高精密轴承 - 精密角接触球轴承】
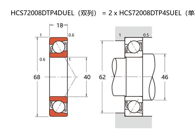
基本尺寸:内径:40 mm,外径:68 mm,厚度:36 mm。
价格区间:¥0 - ¥0【详情】
前缀列表:【H:高转速】【C:陶瓷球】【S:密封型】后缀列表:【F:接触角 18°】【T:尼龙保持架】【P4:P4 级精度】【DU:双列万能配对】
HCS72008FTP4DU属于超高精密角接触球轴承系列,其内圈、外圈及滚动体采用高性能陶瓷材料制成。此类设计可显著降低轴承运转时的摩擦系数,同时提升高速环境下的稳定性。陶瓷材质的低热膨胀特性有助于维持尺寸精度,配合优化的接触角结构,使轴承能够同时承受径向与轴向复合载荷。
密封结构采用特殊聚合物与金属骨架复合设计,有效阻隔外部污染物侵入,延长润滑脂保持周期。在长期高速运转条件下,该型轴承仍能保持较低的温升水平和振动噪声值。
此类轴承常见于高转速主轴系统、精密医疗设备及测量仪器等对运动精度有严格要求的领域。选型时需结合预紧力设置、润滑方式及工况温度等参数进行综合评估,以确保发挥其最佳性能。建议在使用前查阅具体技术手册获取更详尽的安装指导。
H
C
S
7
2
0
0
8
F
T
P
4
D
U
H:高转速
C:陶瓷球
S:密封型
7:精密角接触球轴承
2:宽度系列:宽型 2 系列
0:直径系列:超轻 10 系列
08:内径:40 mm
F:接触角 18°
T:尼龙保持架
P4:P4 级精度
DU:双列万能配对
H:
高转速
C:
陶瓷球
S:
密封型
7:
精密角接触球轴承
2:
宽度系列:宽型 2 系列
0:
直径系列:超轻 10 系列
08:
内径:40 mm
F:
接触角 18°
T:
尼龙保持架
P4:
P4 级精度
DU:
双列万能配对
公称型号 | ||
高速陶瓷球密封型 | HCS72008FTP4DU | |
主要尺寸(mm) | ||
内径 | d | 40 |
外径 | D | 68 |
厚度(单列) | B | 18 |
厚度(多列) | T | 36 |
倒角尺寸 | r(min) | 1 |
倒角尺寸 | r1(min) | 0.6 |
额定载荷(KN) | ||
基本额定动载荷 | Cr | 21.2 |
基本额定静载荷 | C0r | 15.2 |
极限载荷(KN) | ||
轴向-单个 | 7.5 | |
接触角 | ||
度 | ° | 18 |
系数 | ||
fo | 10.7 | |
作用点(mm) | ||
a | 17.7 | |
限制速度(rpm) | ||
脂润滑 | Grease | 33400 |
油润滑 | Oil | - |
安装尺寸(mm) | ||
da(min) | 46 | |
Da(max) | 62 | |
Db(max) | 63 | |
ra(max) | 1 | |
rb(max) | 0.5 | |
预紧力(N)-DU/DB/DF | ||
微预紧 | EL | 49 |
轻预紧 | L | 122 |
中预紧 | M | 240 |
重预紧 | H | - |
轴承刚度(N/μm)-DU/DB/DF | ||
微预紧 | EL | 49 |
轻预紧 | L | 68 |
中预紧 | M | 89 |
重预紧 | H | - |
测量轴向游隙(μm) | ||
微预紧 | EL | 0 |
轻预紧 | L | -5 |
中预紧 | M | -11 |
重预紧 | H | - |
轴承组合 | ||
方式 | 万能 | |
列数 | 2 | |
重量(Kg) | ||
0.462 |

商品 | 品牌 | 主要尺寸 | 发货仓 | 产地 | 库存 | 含税单价 | VIP价 | 操作 |