产品分类
- 深沟球轴承
- 角接触球轴承
- 超高精密轴承
- 精密角接触球轴承
- 标准型
- 标准密封型-S
- 陶瓷球标准型-C
- 陶瓷球密封型-CS
- 高速小球型-HS
- 小球密封型-HSS
- 陶瓷小球型-HC
- 陶瓷小球密封型-HCS
- 超高速陶瓷球型-XC
- 超高速陶瓷球密封型-XCS
- 超高速小球型-XS
- 超高速小球密封型-XSS
- 油气润滑-标准钢球型
- 油气润滑-标准陶瓷球型
- 油气润滑-高速小球型
- 油气润滑-高速陶瓷球型
- 油气润滑-超高速小球型
- 油气润滑-超高速陶瓷球型
- 精密丝杠轴承
- 精密圆柱滚子轴承
- 调心球轴承
- 推力轴承
- 圆柱滚子轴承
- 圆锥滚子轴承
- 调心滚子轴承
- 交叉滚子轴承
- 超薄截面轴承
- 滚针轴承
- 滚轮轴承
- 关节轴承
- 直线运动
- 轴承附件

HCS7032FTP4DU轴承
类型:【超高精密轴承 - 精密角接触球轴承】
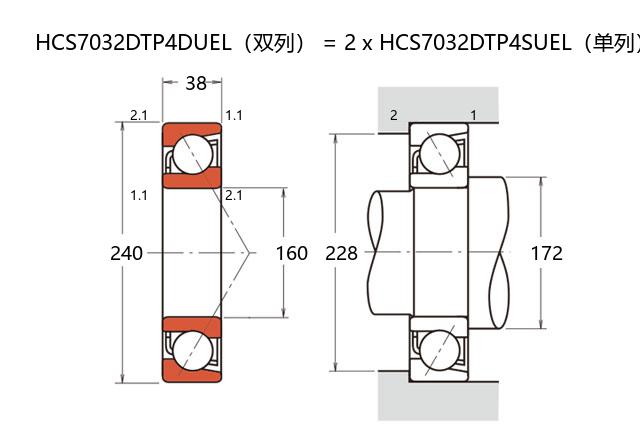
基本尺寸:内径:160 mm,外径:240 mm,厚度:76 mm。
价格区间:¥0 - ¥0【详情】
前缀列表:【H:高转速】【C:陶瓷球】【S:密封型】后缀列表:【F:接触角 18°】【T:尼龙保持架】【P4:P4 级精度】【DU:双列万能配对】
HCS7032FTP4DU型轴承属于超高精密角接触球轴承系列,其设计面向高转速和高精度应用场景。该型号采用陶瓷小球作为滚动体,有效降低了旋转时的惯性及摩擦热,同时提升了刚性表现。配合接触式密封结构,能够在复杂工况下维持润滑稳定性并阻隔外部污染物侵入。
该轴承的基本尺寸为内径160毫米、外径240毫米、厚度76毫米,适用于中等载荷的立式主轴或高速电主轴系统。由于材料与结构的特殊性,这类轴承在高速运转条件下仍能保持温升可控,有助于延长使用寿命并维持运行精度。
在应用层面,常见于精密机床主轴、测量仪器及高转速传动单元中,能够满足对旋转精度和动态性能有较高要求的工业场景。选型时需结合具体负载条件、转速范围及安装方式综合评估适配性,以确保发挥其技术特点。
H
C
S
7
0
3
2
F
T
P
4
D
U
H:高转速
C:陶瓷球
S:密封型
7:精密角接触球轴承
0:尺寸系列:超轻 10 系列
32:内径:160 mm
F:接触角 18°
T:尼龙保持架
P4:P4 级精度
DU:双列万能配对
H:
高转速
C:
陶瓷球
S:
密封型
7:
精密角接触球轴承
0:
尺寸系列:超轻 10 系列
32:
内径:160 mm
F:
接触角 18°
T:
尼龙保持架
P4:
P4 级精度
DU:
双列万能配对
公称型号 | ||
高速陶瓷球密封型 | HCS7032FTP4DU | |
主要尺寸(mm) | ||
内径 | d | 160 |
外径 | D | 240 |
厚度(单列) | B | 38 |
厚度(多列) | T | 76 |
倒角尺寸 | r(min) | 2.1 |
倒角尺寸 | r1(min) | 1.1 |
额定载荷(KN) | ||
基本额定动载荷 | Cr | 166 |
基本额定静载荷 | C0r | 177 |
极限载荷(KN) | ||
轴向-单个 | 88 | |
接触角 | ||
度 | ° | 18 |
系数 | ||
fo | 11 | |
作用点(mm) | ||
a | 51.5 | |
限制速度(rpm) | ||
脂润滑 | Grease | 8500 |
油润滑 | Oil | - |
安装尺寸(mm) | ||
da(min) | 172 | |
Da(max) | 228 | |
Db(max) | 233 | |
ra(max) | 2 | |
rb(max) | 1 | |
预紧力(N)-DU/DB/DF | ||
微预紧 | EL | 196 |
轻预紧 | L | 1217 |
中预紧 | M | 2616 |
重预紧 | H | - |
轴承刚度(N/μm)-DU/DB/DF | ||
微预紧 | EL | 131 |
轻预紧 | L | 251 |
中预紧 | M | 337 |
重预紧 | H | - |
测量轴向游隙(μm) | ||
微预紧 | EL | 0 |
轻预紧 | L | -21 |
中预紧 | M | -40 |
重预紧 | H | - |
轴承组合 | ||
方式 | 万能 | |
列数 | 2 | |
重量(Kg) | ||
10.4 |

商品 | 品牌 | 主要尺寸 | 发货仓 | 产地 | 库存 | 含税单价 | VIP价 | 操作 |