产品分类
- 深沟球轴承
- 角接触球轴承
- 超高精密轴承
- 精密角接触球轴承
- 标准型
- 标准密封型-S
- 陶瓷球标准型-C
- 陶瓷球密封型-CS
- 高速小球型-HS
- 小球密封型-HSS
- 陶瓷小球型-HC
- 陶瓷小球密封型-HCS
- 超高速陶瓷球型-XC
- 超高速陶瓷球密封型-XCS
- 超高速小球型-XS
- 超高速小球密封型-XSS
- 油气润滑-标准钢球型
- 油气润滑-标准陶瓷球型
- 油气润滑-高速小球型
- 油气润滑-高速陶瓷球型
- 油气润滑-超高速小球型
- 油气润滑-超高速陶瓷球型
- 精密丝杠轴承
- 精密圆柱滚子轴承
- 调心球轴承
- 推力轴承
- 圆柱滚子轴承
- 圆锥滚子轴承
- 调心滚子轴承
- 交叉滚子轴承
- 超薄截面轴承
- 滚针轴承
- 滚轮轴承
- 关节轴承
- 直线运动
- 轴承附件

HCS7030ETP4DU轴承
类型:【超高精密轴承 - 精密角接触球轴承】
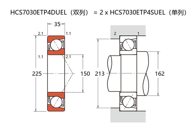
基本尺寸:内径:150 mm,外径:225 mm,厚度:70 mm。
价格区间:¥0 - ¥0【详情】
前缀列表:【H:高转速】【C:陶瓷球】【S:密封型】后缀列表:【E:接触角 25°】【T:尼龙保持架】【P4:P4 级精度】【DU:双列万能配对】
HCS7030ETP4DU型号属于超高精密角接触球轴承系列,其内径规格为150毫米,外径尺寸为225毫米,厚度为70毫米。该轴承采用陶瓷小球作为滚动体,配合特殊密封结构设计,在高速运转条件下能够有效降低摩擦损耗并抑制温升。此类结构通常有助于提升刚性表现和旋转精度,同时在润滑条件受限的工况中也能保持较稳定的运行状态。
在应用层面,这类轴承多适用于高转速主轴系统、精密机床回转单元或测量仪器传动部位等场景。其材料特性使得轴承在应对温差波动时具有相对较好的尺寸稳定性,并可在特定工况下延长维护周期。密封部件的加入为内部润滑介质提供了额外防护,有助于减少污染物侵入的风险。
需要注意的是,轴承的实际性能会受到安装工艺、配合公差及润滑条件等多重因素影响。在选型阶段建议结合具体工况参数进行综合评估,以确保匹配设备运行需求。
H
C
S
7
0
3
0
E
T
P
4
D
U
H:高转速
C:陶瓷球
S:密封型
7:精密角接触球轴承
0:尺寸系列:超轻 10 系列
30:内径:150 mm
E:接触角 25°
T:尼龙保持架
P4:P4 级精度
DU:双列万能配对
H:
高转速
C:
陶瓷球
S:
密封型
7:
精密角接触球轴承
0:
尺寸系列:超轻 10 系列
30:
内径:150 mm
E:
接触角 25°
T:
尼龙保持架
P4:
P4 级精度
DU:
双列万能配对
公称型号 | ||
高速陶瓷球密封型 | HCS7030ETP4DU | |
主要尺寸(mm) | ||
内径 | d | 150 |
外径 | D | 225 |
厚度(单列) | B | 35 |
厚度(多列) | T | 70 |
倒角尺寸 | r(min) | 2.1 |
倒角尺寸 | r1(min) | 1.1 |
额定载荷(KN) | ||
基本额定动载荷 | Cr | 147 |
基本额定静载荷 | C0r | 154 |
极限载荷(KN) | ||
轴向-单个 | 96.5 | |
接触角 | ||
度 | ° | 25 |
系数 | ||
fo | - | |
作用点(mm) | ||
a | 61.2 | |
限制速度(rpm) | ||
脂润滑 | Grease | 8600 |
油润滑 | Oil | - |
安装尺寸(mm) | ||
da(min) | 162 | |
Da(max) | 213 | |
Db(max) | 218 | |
ra(max) | 2 | |
rb(max) | 1 | |
预紧力(N)-DU/DB/DF | ||
微预紧 | EL | 196 |
轻预紧 | L | 1425 |
中预紧 | M | 3019 |
重预紧 | H | - |
轴承刚度(N/μm)-DU/DB/DF | ||
微预紧 | EL | 215 |
轻预紧 | L | 423 |
中预紧 | M | 554 |
重预紧 | H | - |
测量轴向游隙(μm) | ||
微预紧 | EL | 0 |
轻预紧 | L | -15 |
中预紧 | M | -28 |
重预紧 | H | - |
轴承组合 | ||
方式 | 万能 | |
列数 | 2 | |
重量(Kg) | ||
8.26 |

商品 | 品牌 | 主要尺寸 | 发货仓 | 产地 | 库存 | 含税单价 | VIP价 | 操作 |