产品分类
- 深沟球轴承
- 角接触球轴承
- 超高精密轴承
- 精密角接触球轴承
- 标准型
- 标准密封型-S
- 陶瓷球标准型-C
- 陶瓷球密封型-CS
- 高速小球型-HS
- 小球密封型-HSS
- 陶瓷小球型-HC
- 陶瓷小球密封型-HCS
- 超高速陶瓷球型-XC
- 超高速陶瓷球密封型-XCS
- 超高速小球型-XS
- 超高速小球密封型-XSS
- 油气润滑-标准钢球型
- 油气润滑-标准陶瓷球型
- 油气润滑-高速小球型
- 油气润滑-高速陶瓷球型
- 油气润滑-超高速小球型
- 油气润滑-超高速陶瓷球型
- 精密丝杠轴承
- 精密圆柱滚子轴承
- 调心球轴承
- 推力轴承
- 圆柱滚子轴承
- 圆锥滚子轴承
- 调心滚子轴承
- 交叉滚子轴承
- 超薄截面轴承
- 滚针轴承
- 滚轮轴承
- 关节轴承
- 直线运动
- 轴承附件

HCS7022FTP4DU轴承
类型:【超高精密轴承 - 精密角接触球轴承】
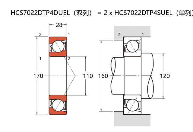
基本尺寸:内径:110 mm,外径:170 mm,厚度:56 mm。
价格区间:¥0 - ¥0【详情】
前缀列表:【H:高转速】【C:陶瓷球】【S:密封型】后缀列表:【F:接触角 18°】【T:尼龙保持架】【P4:P4 级精度】【DU:双列万能配对】
HCS7022FTP4DU型轴承属于超高精密角接触球轴承系列,其设计充分考虑了高速运转及复杂载荷工况下的稳定性需求。轴承内径为110毫米,外径170毫米,厚度56毫米,尺寸规格兼顾了负载能力与结构紧凑性。该型号采用陶瓷小球作为滚动体,相比传统钢球能有效降低高速旋转时的离心力影响,同时减少摩擦发热量。复合材质密封结构在隔离污染物同时维持了润滑剂稳定性,特别适合长期连续运转场景。
在特性方面,该轴承通过优化沟道几何形状和接触角设计,显著提升了轴向与径向联合载荷的承载能力。精密预紧力调整机构使轴承组具备更优的刚性与振动抑制效果,运转噪音较常规产品有明显改善。独特的保持架设计在高速工况下仍能维持稳定的球组动力学特性。
此类轴承常见于高转速电主轴、精密机床回转单元及测量仪器主轴等场景。其材料组合方案对温差引起的尺寸变化具有补偿作用,在宽温域环境中能保持稳定的运行精度。维护时需注意使用配套专用润滑剂,并定期检查密封唇口状态以保障长期运行效能。
H
C
S
7
0
2
2
F
T
P
4
D
U
H:高转速
C:陶瓷球
S:密封型
7:精密角接触球轴承
0:尺寸系列:超轻 10 系列
22:内径:110 mm
F:接触角 18°
T:尼龙保持架
P4:P4 级精度
DU:双列万能配对
H:
高转速
C:
陶瓷球
S:
密封型
7:
精密角接触球轴承
0:
尺寸系列:超轻 10 系列
22:
内径:110 mm
F:
接触角 18°
T:
尼龙保持架
P4:
P4 级精度
DU:
双列万能配对
公称型号 | ||
高速陶瓷球密封型 | HCS7022FTP4DU | |
主要尺寸(mm) | ||
内径 | d | 110 |
外径 | D | 170 |
厚度(单列) | B | 28 |
厚度(多列) | T | 56 |
倒角尺寸 | r(min) | 2 |
倒角尺寸 | r1(min) | 1 |
额定载荷(KN) | ||
基本额定动载荷 | Cr | 92 |
基本额定静载荷 | C0r | 90 |
极限载荷(KN) | ||
轴向-单个 | 44.5 | |
接触角 | ||
度 | ° | 18 |
系数 | ||
fo | 10.9 | |
作用点(mm) | ||
a | 36.7 | |
限制速度(rpm) | ||
脂润滑 | Grease | 12900 |
油润滑 | Oil | - |
安装尺寸(mm) | ||
da(min) | 120 | |
Da(max) | 160 | |
Db(max) | 164 | |
ra(max) | 2 | |
rb(max) | 1 | |
预紧力(N)-DU/DB/DF | ||
微预紧 | EL | 98 |
轻预紧 | L | 605 |
中预紧 | M | 1323 |
重预紧 | H | - |
轴承刚度(N/μm)-DU/DB/DF | ||
微预紧 | EL | 91 |
轻预紧 | L | 174 |
中预紧 | M | 235 |
重预紧 | H | - |
测量轴向游隙(μm) | ||
微预紧 | EL | 0 |
轻预紧 | L | -15 |
中预紧 | M | -29 |
重预紧 | H | - |
轴承组合 | ||
方式 | 万能 | |
列数 | 2 | |
重量(Kg) | ||
4 |

商品 | 品牌 | 主要尺寸 | 发货仓 | 产地 | 库存 | 含税单价 | VIP价 | 操作 |