产品分类
- 深沟球轴承
- 角接触球轴承
- 超高精密轴承
- 精密角接触球轴承
- 标准型
- 标准密封型-S
- 陶瓷球标准型-C
- 陶瓷球密封型-CS
- 高速小球型-HS
- 小球密封型-HSS
- 陶瓷小球型-HC
- 陶瓷小球密封型-HCS
- 超高速陶瓷球型-XC
- 超高速陶瓷球密封型-XCS
- 超高速小球型-XS
- 超高速小球密封型-XSS
- 油气润滑-标准钢球型
- 油气润滑-标准陶瓷球型
- 油气润滑-高速小球型
- 油气润滑-高速陶瓷球型
- 油气润滑-超高速小球型
- 油气润滑-超高速陶瓷球型
- 精密丝杠轴承
- 精密圆柱滚子轴承
- 调心球轴承
- 推力轴承
- 圆柱滚子轴承
- 圆锥滚子轴承
- 调心滚子轴承
- 交叉滚子轴承
- 超薄截面轴承
- 滚针轴承
- 滚轮轴承
- 关节轴承
- 直线运动
- 轴承附件

HCS7020FTP4DU轴承
类型:【超高精密轴承 - 精密角接触球轴承】
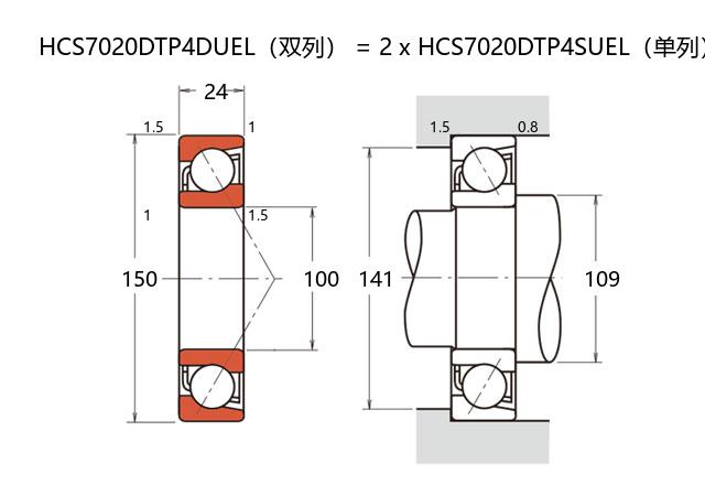
基本尺寸:内径:100 mm,外径:150 mm,厚度:48 mm。
价格区间:¥ - ¥9674.68【详情】
前缀列表:【H:高转速】【C:陶瓷球】【S:密封型】后缀列表:【F:接触角 18°】【T:尼龙保持架】【P4:P4 级精度】【DU:双列万能配对】
该轴承型号属于超高精密角接触球轴承系列,采用陶瓷小球及密封结构设计。其基本尺寸为内径100毫米、外径150毫米、厚度48毫米,适用于高转速和高刚性要求的工况。此类轴承通过优化沟道几何形状与接触角设计,在承受径向和轴向复合载荷时表现出良好的运行稳定性。
密封结构能有效防止润滑剂泄漏并阻挡外部污染物侵入,有助于维持长期润滑性能。陶瓷材料制成的滚动体具有较低的密度和热膨胀系数,在高速运转条件下可降低离心力影响,减少摩擦温升。同时,该材料特性有助于抑制电蚀现象,延长轴承在特殊环境中的使用寿命。
此类轴承常见于精密机床主轴、电主轴及高速动力设备等应用场景。选型时需结合预紧力配置、润滑方式及工况载荷等参数进行综合评估,以确保匹配实际运行需求。正确的安装与维护对保持轴承精度性能具有重要作用。
H
C
S
7
0
2
0
F
T
P
4
D
U
H:高转速
C:陶瓷球
S:密封型
7:精密角接触球轴承
0:尺寸系列:超轻 10 系列
20:内径:100 mm
F:接触角 18°
T:尼龙保持架
P4:P4 级精度
DU:双列万能配对
H:
高转速
C:
陶瓷球
S:
密封型
7:
精密角接触球轴承
0:
尺寸系列:超轻 10 系列
20:
内径:100 mm
F:
接触角 18°
T:
尼龙保持架
P4:
P4 级精度
DU:
双列万能配对
公称型号 | ||
高速陶瓷球密封型 | HCS7020FTP4DU | |
主要尺寸(mm) | ||
内径 | d | 100 |
外径 | D | 150 |
厚度(单列) | B | 24 |
厚度(多列) | T | 48 |
倒角尺寸 | r(min) | 1.5 |
倒角尺寸 | r1(min) | 1 |
额定载荷(KN) | ||
基本额定动载荷 | Cr | 72 |
基本额定静载荷 | C0r | 69 |
极限载荷(KN) | ||
轴向-单个 | 34 | |
接触角 | ||
度 | ° | 18 |
系数 | ||
fo | 10.9 | |
作用点(mm) | ||
a | 32.3 | |
限制速度(rpm) | ||
脂润滑 | Grease | 14400 |
油润滑 | Oil | - |
安装尺寸(mm) | ||
da(min) | 109 | |
Da(max) | 141 | |
Db(max) | 144 | |
ra(max) | 1.5 | |
rb(max) | 0.8 | |
预紧力(N)-DU/DB/DF | ||
微预紧 | EL | 98 |
轻预紧 | L | 389 |
中预紧 | M | 999 |
重预紧 | H | - |
轴承刚度(N/μm)-DU/DB/DF | ||
微预紧 | EL | 88 |
轻预紧 | L | 142 |
中预紧 | M | 205 |
重预紧 | H | - |
测量轴向游隙(μm) | ||
微预紧 | EL | 0 |
轻预紧 | L | -10 |
中预紧 | M | -24 |
重预紧 | H | - |
轴承组合 | ||
方式 | 万能 | |
列数 | 2 | |
重量(Kg) | ||
2.5 |

商品 | 品牌 | 主要尺寸 | 发货仓 | 产地 | 库存 | 含税单价 | VIP价 | 操作 |
NSK 100BNR10HTSRV1VDUELP4轴承 |
NSK | 0 | ¥0 | |||||
NSK 100BNR10HTSRV1VDUE01轴承 陶瓷小球密封型精密角接触球轴承 |
NSK | 100 X 150 X 48 | 华东 | 日本 | 1 | 9293.79 | ¥7617.86 | |
NSK 100BNR10HTSRV1VDUE01轴承 陶瓷小球密封型精密角接触球轴承 |
NSK | 100 X 150 X 48 | 华东 | 日本 | 1 | 9674.68 | ¥7617.86 | |