产品分类
- 深沟球轴承
- 角接触球轴承
- 超高精密轴承
- 精密角接触球轴承
- 标准型
- 标准密封型-S
- 陶瓷球标准型-C
- 陶瓷球密封型-CS
- 高速小球型-HS
- 小球密封型-HSS
- 陶瓷小球型-HC
- 陶瓷小球密封型-HCS
- 超高速陶瓷球型-XC
- 超高速陶瓷球密封型-XCS
- 超高速小球型-XS
- 超高速小球密封型-XSS
- 油气润滑-标准钢球型
- 油气润滑-标准陶瓷球型
- 油气润滑-高速小球型
- 油气润滑-高速陶瓷球型
- 油气润滑-超高速小球型
- 油气润滑-超高速陶瓷球型
- 精密丝杠轴承
- 精密圆柱滚子轴承
- 调心球轴承
- 推力轴承
- 圆柱滚子轴承
- 圆锥滚子轴承
- 调心滚子轴承
- 交叉滚子轴承
- 超薄截面轴承
- 滚针轴承
- 滚轮轴承
- 关节轴承
- 直线运动
- 轴承附件

HCS7013ETP4DU轴承
类型:【超高精密轴承 - 精密角接触球轴承】
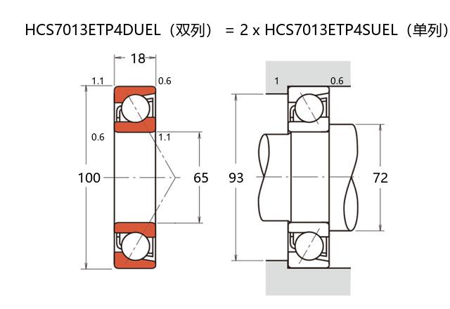
基本尺寸:内径:65 mm,外径:100 mm,厚度:36 mm。
价格区间:¥2663.06 - ¥16209.33【详情】
前缀列表:【H:高转速】【C:陶瓷球】【S:密封型】后缀列表:【E:接触角 25°】【T:尼龙保持架】【P4:P4 级精度】【DU:双列万能配对】
HCS7013ETP4DU是一款采用陶瓷小球设计的精密角接触球轴承,其内径、外径和厚度分别为65毫米、100毫米和36毫米。该轴承属于超高精密轴承类别,结构上融合了角接触设计与混合陶瓷材料,其中滚动体使用陶瓷材质,内外圈则保留钢制,有效降低了运转时的离心力与摩擦热。密封结构进一步提升了防尘与防润滑脂泄漏的能力,使其在高速旋转条件下仍能维持稳定的性能。
在应用方面,该型号常见于高转速、高刚性的工作环境,例如精密机床的主轴、电主轴系统及高速动力装置。其设计特点有助于减少温升并延长使用寿命,适合中等载荷与连续运转场景。选用时需结合具体工况进行润滑与预紧调整,以达到更佳的动态精度表现。
H
C
S
7
0
1
3
E
T
P
4
D
U
H:高转速
C:陶瓷球
S:密封型
7:精密角接触球轴承
0:尺寸系列:超轻 10 系列
13:内径:65 mm
E:接触角 25°
T:尼龙保持架
P4:P4 级精度
DU:双列万能配对
H:
高转速
C:
陶瓷球
S:
密封型
7:
精密角接触球轴承
0:
尺寸系列:超轻 10 系列
13:
内径:65 mm
E:
接触角 25°
T:
尼龙保持架
P4:
P4 级精度
DU:
双列万能配对
公称型号 | ||
高速陶瓷球密封型 | HCS7013ETP4DU | |
主要尺寸(mm) | ||
内径 | d | 65 |
外径 | D | 100 |
厚度(单列) | B | 18 |
厚度(多列) | T | 36 |
倒角尺寸 | r(min) | 1.1 |
倒角尺寸 | r1(min) | 0.6 |
额定载荷(KN) | ||
基本额定动载荷 | Cr | 31 |
基本额定静载荷 | C0r | 27.2 |
极限载荷(KN) | ||
轴向-单个 | 16.8 | |
接触角 | ||
度 | ° | 25 |
系数 | ||
fo | - | |
作用点(mm) | ||
a | 28 | |
限制速度(rpm) | ||
脂润滑 | Grease | 19400 |
油润滑 | Oil | - |
安装尺寸(mm) | ||
da(min) | 72 | |
Da(max) | 93 | |
Db(max) | 95 | |
ra(max) | 1 | |
rb(max) | 0.6 | |
预紧力(N)-DU/DB/DF | ||
微预紧 | EL | 49 |
轻预紧 | L | 454 |
中预紧 | M | 952 |
重预紧 | H | - |
轴承刚度(N/μm)-DU/DB/DF | ||
微预紧 | EL | 100 |
轻预紧 | L | 215 |
中预紧 | M | 282 |
重预紧 | H | - |
测量轴向游隙(μm) | ||
微预紧 | EL | 0 |
轻预紧 | L | -10 |
中预紧 | M | -18 |
重预紧 | H | - |
轴承组合 | ||
方式 | 万能 | |
列数 | 2 | |
重量(Kg) | ||
0.894 |

商品 | 品牌 | 主要尺寸 | 发货仓 | 产地 | 库存 | 含税单价 | VIP价 | 操作 |
SKF S7013 ACE/HCP4ADGA轴承 超精密角接触球轴承E设计 |
SKF | 65 X 100 X 36 | 华东 | 意大利 | 20 | 4784.85 | ¥3827.88 | |
FAG HCM7013-E-2RSD-T-P4S-DUL-XL轴承 超精密角接触球轴承 |
FAG | 65 X 100 X 36 | 海外 | 6 | 16209.33 | ¥12663.54 | ||
FAG HCS7013-E-T-P4S-DUL轴承 超精密角接触球轴承 |
FAG | 65 X 100 X 36 | 华中 | 40 | 3035.89 | ¥2663.06 | ||