产品分类
- 深沟球轴承
- 角接触球轴承
- 超高精密轴承
- 精密角接触球轴承
- 标准型
- 标准密封型-S
- 陶瓷球标准型-C
- 陶瓷球密封型-CS
- 高速小球型-HS
- 小球密封型-HSS
- 陶瓷小球型-HC
- 陶瓷小球密封型-HCS
- 超高速陶瓷球型-XC
- 超高速陶瓷球密封型-XCS
- 超高速小球型-XS
- 超高速小球密封型-XSS
- 油气润滑-标准钢球型
- 油气润滑-标准陶瓷球型
- 油气润滑-高速小球型
- 油气润滑-高速陶瓷球型
- 油气润滑-超高速小球型
- 油气润滑-超高速陶瓷球型
- 精密丝杠轴承
- 精密圆柱滚子轴承
- 调心球轴承
- 推力轴承
- 圆柱滚子轴承
- 圆锥滚子轴承
- 调心滚子轴承
- 交叉滚子轴承
- 超薄截面轴承
- 滚针轴承
- 滚轮轴承
- 关节轴承
- 直线运动
- 轴承附件

HCS7006ETP4DU轴承
类型:【超高精密轴承 - 精密角接触球轴承】
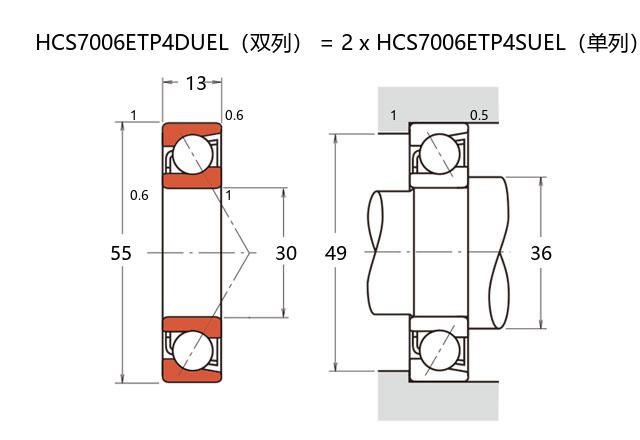
基本尺寸:内径:30 mm,外径:55 mm,厚度:26 mm。
价格区间:¥1162.77 - ¥1699.91【详情】
前缀列表:【H:高转速】【C:陶瓷球】【S:密封型】后缀列表:【E:接触角 25°】【T:尼龙保持架】【P4:P4 级精度】【DU:双列万能配对】
HCS7006ETP4DU是一款采用陶瓷小球材质的精密角接触球轴承,其内径为30毫米,外径为55毫米,厚度为26毫米。该轴承适用于高转速和高刚性要求的应用环境,常见于机床主轴、精密仪器以及高速电主轴等设备中。
陶瓷材料具备低密度、高硬度以及耐腐蚀的特性,有助于降低轴承运转时的离心力,从而减少摩擦热和磨损。接触角设计使得该轴承能够同时承受径向和轴向载荷,在高速运转条件下保持稳定。密封结构有助于阻挡污染物进入,延长使用寿命。
在精密机械领域,这类轴承能够满足高精度定位和高效传动的需求。其结构设计有助于优化系统刚性,适应连续运转的工况。用户可根据实际负载、转速及环境条件进行选型参考。
H
C
S
7
0
0
6
E
T
P
4
D
U
H:高转速
C:陶瓷球
S:密封型
7:精密角接触球轴承
0:尺寸系列:超轻 10 系列
06:内径:30 mm
E:接触角 25°
T:尼龙保持架
P4:P4 级精度
DU:双列万能配对
H:
高转速
C:
陶瓷球
S:
密封型
7:
精密角接触球轴承
0:
尺寸系列:超轻 10 系列
06:
内径:30 mm
E:
接触角 25°
T:
尼龙保持架
P4:
P4 级精度
DU:
双列万能配对
公称型号 | ||
高速陶瓷球密封型 | HCS7006ETP4DU | |
主要尺寸(mm) | ||
内径 | d | 30 |
外径 | D | 55 |
厚度(单列) | B | 13 |
厚度(多列) | T | 26 |
倒角尺寸 | r(min) | 1 |
倒角尺寸 | r1(min) | 0.6 |
额定载荷(KN) | ||
基本额定动载荷 | Cr | 16.6 |
基本额定静载荷 | C0r | 10.6 |
极限载荷(KN) | ||
轴向-单个 | 6.5 | |
接触角 | ||
度 | ° | 25 |
系数 | ||
fo | - | |
作用点(mm) | ||
a | 16.3 | |
限制速度(rpm) | ||
脂润滑 | Grease | 37700 |
油润滑 | Oil | - |
安装尺寸(mm) | ||
da(min) | 36 | |
Da(max) | 49 | |
Db(max) | 50 | |
ra(max) | 1 | |
rb(max) | 0.5 | |
预紧力(N)-DU/DB/DF | ||
微预紧 | EL | 49 |
轻预紧 | L | 250 |
中预紧 | M | 505 |
重预紧 | H | - |
轴承刚度(N/μm)-DU/DB/DF | ||
微预紧 | EL | 72 |
轻预紧 | L | 126 |
中预紧 | M | 165 |
重预紧 | H | - |
测量轴向游隙(μm) | ||
微预紧 | EL | 0 |
轻预紧 | L | -8 |
中预紧 | M | -15 |
重预紧 | H | - |
轴承组合 | ||
方式 | 万能 | |
列数 | 2 | |
重量(Kg) | ||
0.232 |

商品 | 品牌 | 主要尺寸 | 发货仓 | 产地 | 库存 | 含税单价 | VIP价 | 操作 |
FAG HCS7006E.T.P4.DUL轴承 超精密角接触球轴承 |
FAG | 30 X 55 X 26 | 华东 | 德国 | 3 | 1699.91 | ¥1440.6 | |
FAG HCS7006-E-T-P4S-DUL轴承 超精密角接触球轴承 |
FAG | 30 X 55 X 26 | 华中 | 400 | 1418.58 | ¥1162.77 | ||