产品分类
- 深沟球轴承
- 角接触球轴承
- 超高精密轴承
- 精密角接触球轴承
- 标准型
- 标准密封型-S
- 陶瓷球标准型-C
- 陶瓷球密封型-CS
- 高速小球型-HS
- 小球密封型-HSS
- 陶瓷小球型-HC
- 陶瓷小球密封型-HCS
- 超高速陶瓷球型-XC
- 超高速陶瓷球密封型-XCS
- 超高速小球型-XS
- 超高速小球密封型-XSS
- 油气润滑-标准钢球型
- 油气润滑-标准陶瓷球型
- 油气润滑-高速小球型
- 油气润滑-高速陶瓷球型
- 油气润滑-超高速小球型
- 油气润滑-超高速陶瓷球型
- 精密丝杠轴承
- 精密圆柱滚子轴承
- 调心球轴承
- 推力轴承
- 圆柱滚子轴承
- 圆锥滚子轴承
- 调心滚子轴承
- 交叉滚子轴承
- 超薄截面轴承
- 滚针轴承
- 滚轮轴承
- 关节轴承
- 直线运动
- 轴承附件

HCS7003CTP4DU轴承
类型:【超高精密轴承 - 精密角接触球轴承】
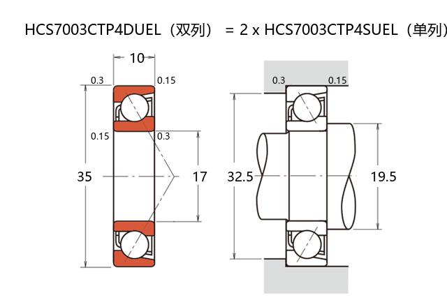
基本尺寸:内径:17 mm,外径:35 mm,厚度:20 mm。
价格区间:¥ - ¥1664.58【详情】
前缀列表:【H:高转速】【C:陶瓷球】【S:密封型】后缀列表:【C:接触角 15°】【T:尼龙保持架】【P4:P4 级精度】【DU:双列万能配对】
HCS7003CTP4DU是一款超高精密角接触球轴承,其内径为17毫米,外径35毫米,厚度20毫米。该轴承属于精密角接触球轴承系列,特别采用陶瓷小球材料并配备密封结构,以满足高转速和高刚性的应用需求。
陶瓷材料的使用降低了轴承运转时的离心力效应,有助于提升极限转速并减少摩擦热量。密封设计有效隔绝外部污染物,延长使用寿命,同时保持润滑剂的稳定性。此类轴承在高速主轴、精密机床及测量仪器等场合具有广泛适用性,能够支持复合方向的载荷,并维持稳定的旋转精度。
结构上,该型号通过优化的接触角与滚道几何形状,强化了轴向和径向的负载能力。在安装与配合时需注意预紧力的调整,以确保运行平稳性。整体设计兼顾了耐磨性与低发热特性,可适应连续高负荷工况,为精密传动系统提供可靠支撑。
H
C
S
7
0
0
3
C
T
P
4
D
U
H:高转速
C:陶瓷球
S:密封型
7:精密角接触球轴承
0:尺寸系列:超轻 10 系列
03:内径:17 mm
C:接触角 15°
T:尼龙保持架
P4:P4 级精度
DU:双列万能配对
H:
高转速
C:
陶瓷球
S:
密封型
7:
精密角接触球轴承
0:
尺寸系列:超轻 10 系列
03:
内径:17 mm
C:
接触角 15°
T:
尼龙保持架
P4:
P4 级精度
DU:
双列万能配对
公称型号 | ||
高速陶瓷球密封型 | HCS7003CTP4DU | |
主要尺寸(mm) | ||
内径 | d | 17 |
外径 | D | 35 |
厚度(单列) | B | 10 |
厚度(多列) | T | 20 |
倒角尺寸 | r(min) | 0.3 |
倒角尺寸 | r1(min) | 0.15 |
额定载荷(KN) | ||
基本额定动载荷 | Cr | 8.9 |
基本额定静载荷 | C0r | 3.7 |
极限载荷(KN) | ||
轴向-单个 | 1.56 | |
接触角 | ||
度 | ° | 15 |
系数 | ||
fo | 7.4 | |
作用点(mm) | ||
a | 8.5 | |
限制速度(rpm) | ||
脂润滑 | Grease | 73100 |
油润滑 | Oil | - |
安装尺寸(mm) | ||
da(min) | 19.5 | |
Da(max) | 32.5 | |
Db(max) | 33.8 | |
ra(max) | 0.3 | |
rb(max) | 0.15 | |
预紧力(N)-DU/DB/DF | ||
微预紧 | EL | 12 |
轻预紧 | L | 29 |
中预紧 | M | 65 |
重预紧 | H | - |
轴承刚度(N/μm)-DU/DB/DF | ||
微预紧 | EL | 14 |
轻预紧 | L | 20 |
中预紧 | M | 28 |
重预紧 | H | - |
测量轴向游隙(μm) | ||
微预紧 | EL | 3 |
轻预紧 | L | -1 |
中预紧 | M | -7 |
重预紧 | H | - |
轴承组合 | ||
方式 | 万能 | |
列数 | 2 | |
重量(Kg) | ||
0.072 |

商品 | 品牌 | 主要尺寸 | 发货仓 | 产地 | 库存 | 含税单价 | VIP价 | 操作 |
NSK 17BSR10HTAV1VDUELP4轴承 |
NSK | 0 | ¥0 | |||||
SKF S7003 CE/HCP4ADGA轴承 超精密角接触球轴承E设计 |
SKF | 17 X 35 X 20 | 华东 | 瑞典 | 1 | 979.61 | ¥823.2 | |
FAG HCS7003C.T.P4.DUL轴承 超精密角接触球轴承 |
FAG | 17 X 35 X 20 | 华东 | 德国 | 1 | 1020.77 | ¥823.2 | |
NSK 17BSR10HTV1VDUELP4轴承 陶瓷小球密封型精密角接触球轴承 |
NSK | 17 X 35 X 20 | 华东 | 日本 | 29 | 738.41 | ¥568.01 | |
NSK 17BSR10HTAV1VDUELP01轴承 陶瓷小球密封型精密角接触球轴承 |
NSK | 17 X 35 X 20 | 华东 | 日本 | 24 | 781.01 | ¥710.01 | |
篇幅有限,仅显示五条,更多可点击:搜索,或者:深度搜索 |