产品分类
- 深沟球轴承
- 角接触球轴承
- 超高精密轴承
- 精密角接触球轴承
- 标准型
- 标准密封型-S
- 陶瓷球标准型-C
- 陶瓷球密封型-CS
- 高速小球型-HS
- 小球密封型-HSS
- 陶瓷小球型-HC
- 陶瓷小球密封型-HCS
- 超高速陶瓷球型-XC
- 超高速陶瓷球密封型-XCS
- 超高速小球型-XS
- 超高速小球密封型-XSS
- 油气润滑-标准钢球型
- 油气润滑-标准陶瓷球型
- 油气润滑-高速小球型
- 油气润滑-高速陶瓷球型
- 油气润滑-超高速小球型
- 油气润滑-超高速陶瓷球型
- 精密丝杠轴承
- 精密圆柱滚子轴承
- 调心球轴承
- 推力轴承
- 圆柱滚子轴承
- 圆锥滚子轴承
- 调心滚子轴承
- 交叉滚子轴承
- 超薄截面轴承
- 滚针轴承
- 滚轮轴承
- 关节轴承
- 直线运动
- 轴承附件

HC7940FTP4DU轴承
类型:【超高精密轴承 - 精密角接触球轴承】
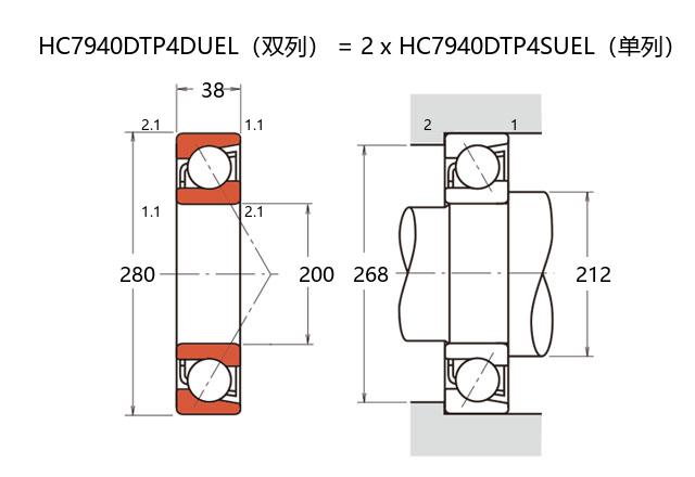
基本尺寸:内径:200 mm,外径:280 mm,厚度:76 mm。
价格区间:¥0 - ¥0【详情】
前缀列表:【H:高转速】【C:陶瓷球型】后缀列表:【F:18° 接触角】【T:树脂保持架】【P4:ISO 4级精度】【DU:两个万能组合】
HC7940FTP4DU是一款超高精密轴承,属于精密角接触球轴承中的陶瓷小球型,专门设计用于高转速、高精度工况环境。其基本尺寸为内径200mm、外径280mm、厚度76mm,结构紧凑且刚性良好,适合对空间布局有严格要求的应用场景。
该轴承采用陶瓷小球作为滚动体,通常具备较低的密度和优异的耐温性能,有助于减少高速运转时的离心力影响,同时提升动态响应能力。其接触角设计可同时承受径向和轴向载荷,在高速主轴或精密机床等设备中表现出较好的稳定性。此外,特殊保持架结构与表面处理技术可能进一步优化润滑效果与耐磨性,延长使用寿命。
在应用方面,该型号常见于数控加工中心、精密仪器及高速电主轴系统,能够满足较高转速与精度需求。需要注意的是,实际性能受安装条件、润滑方式及工作环境等多方面因素影响,建议结合具体工况进行选型与维护。
H
C
7
9
4
0
F
T
P
4
D
U
H:高转速
C:陶瓷球型
7:精密角接触球轴承
9:尺寸系列:超轻 19 系列
40:内径:200 mm
F:18° 接触角
T:树脂保持架
P4:ISO 4级精度
DU:两个万能组合
H:
高转速
C:
陶瓷球型
7:
精密角接触球轴承
9:
尺寸系列:超轻 19 系列
40:
内径:200 mm
F:
18° 接触角
T:
树脂保持架
P4:
ISO 4级精度
DU:
两个万能组合
公称型号 | ||
高速陶瓷球型 | HC7940FTP4DU | |
主要尺寸(mm) | ||
内径 | d | 200 |
外径 | D | 280 |
厚度(单列) | B | 38 |
厚度(多列) | T | 76 |
倒角尺寸 | r(min) | 2.1 |
倒角尺寸 | r1(min) | 1.1 |
额定载荷(KN) | ||
基本额定动载荷 | Cr | 284 |
基本额定静载荷 | C0r | 300 |
极限载荷(KN) | ||
轴向-单个 | 150 | |
接触角 | ||
度 | ° | 18 |
系数 | ||
fo | 10.8 | |
作用点(mm) | ||
a | 58 | |
限制速度(rpm) | ||
脂润滑 | Grease | 7100 |
油润滑 | Oil | 11300 |
安装尺寸(mm) | ||
da(min) | 212 | |
Da(max) | 268 | |
Db(max) | 273 | |
ra(max) | 2 | |
rb(max) | 1 | |
预紧力(N)-DU/DB/DF | ||
微预紧 | EL | 196 |
轻预紧 | L | 2156 |
中预紧 | M | 4499 |
重预紧 | H | - |
轴承刚度(N/μm)-DU/DB/DF | ||
微预紧 | EL | 138 |
轻预紧 | L | 321 |
中预紧 | M | 427 |
重预紧 | H | - |
测量轴向游隙(μm) | ||
微预紧 | EL | 0 |
轻预紧 | L | -33 |
中预紧 | M | -58 |
重预紧 | H | - |
轴承组合 | ||
方式 | 万能 | |
列数 | 2 | |
重量(Kg) | ||
10.14 |

商品 | 品牌 | 主要尺寸 | 发货仓 | 产地 | 库存 | 含税单价 | VIP价 | 操作 |