产品分类
- 深沟球轴承
- 角接触球轴承
- 超高精密轴承
- 精密角接触球轴承
- 标准型
- 标准密封型-S
- 陶瓷球标准型-C
- 陶瓷球密封型-CS
- 高速小球型-HS
- 小球密封型-HSS
- 陶瓷小球型-HC
- 陶瓷小球密封型-HCS
- 超高速陶瓷球型-XC
- 超高速陶瓷球密封型-XCS
- 超高速小球型-XS
- 超高速小球密封型-XSS
- 油气润滑-标准钢球型
- 油气润滑-标准陶瓷球型
- 油气润滑-高速小球型
- 油气润滑-高速陶瓷球型
- 油气润滑-超高速小球型
- 油气润滑-超高速陶瓷球型
- 精密丝杠轴承
- 精密圆柱滚子轴承
- 调心球轴承
- 推力轴承
- 圆柱滚子轴承
- 圆锥滚子轴承
- 调心滚子轴承
- 交叉滚子轴承
- 超薄截面轴承
- 滚针轴承
- 滚轮轴承
- 关节轴承
- 直线运动
- 轴承附件

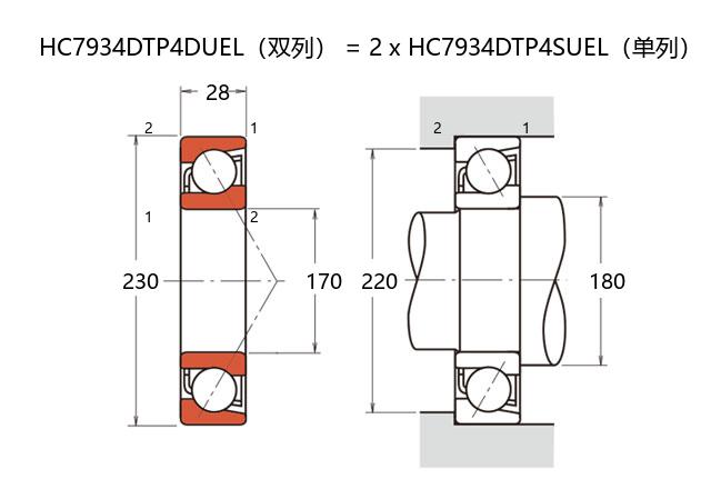
HC7934FTP4DU轴承
类型:【超高精密轴承 - 精密角接触球轴承】
基本尺寸:内径:170 mm,外径:230 mm,厚度:56 mm。
价格区间:¥ - ¥【详情】
前缀列表:【H:高转速】【C:陶瓷球型】后缀列表:【F:18° 接触角】【T:树脂保持架】【P4:ISO 4级精度】【DU:两个万能组合】
HC7934FTP4DU型轴承为超高精密角接触球轴承,内径170mm,外径230mm,厚度56mm,适用于高精度及高刚性要求的工况。该型号采用陶瓷小球材质,具有低密度、高硬度和耐腐蚀特性,有助于减少高速运转时的离心力效应,降低摩擦温升。其接触角设计可同时承受径向与轴向载荷,尤其适合多联配置的安装方式。
在应用方面,此类轴承常见于机床主轴、电主轴及高转速传动系统,能够满足连续高速运转下的尺寸稳定性要求。润滑条件需根据实际工况选择脂润滑或油润滑,并配合适当的预紧力调整以优化刚性。保持架结构经过轻量化设计,进一步提升了高速性能与运转平稳性。
由于采用特殊材料与精密加工工艺,该型号在延长使用寿命的同时降低了能耗,适用于对精度保持性有严格要求的工业领域。需要注意的是,实际性能受安装配合、工作环境及维护条件等多重因素影响。
H
C
7
9
3
4
F
T
P
4
D
U
H:高转速
C:陶瓷球型
7:精密角接触球轴承
9:尺寸系列:超轻 19 系列
34:内径:170 mm
F:18° 接触角
T:树脂保持架
P4:ISO 4级精度
DU:两个万能组合
H:
高转速
C:
陶瓷球型
7:
精密角接触球轴承
9:
尺寸系列:超轻 19 系列
34:
内径:170 mm
F:
18° 接触角
T:
树脂保持架
P4:
ISO 4级精度
DU:
两个万能组合
公称型号 | ||
高速陶瓷球型 | HC7934FTP4DU | |
主要尺寸(mm) | ||
内径 | d | 170 |
外径 | D | 230 |
厚度(单列) | B | 28 |
厚度(多列) | T | 56 |
倒角尺寸 | r(min) | 2 |
倒角尺寸 | r1(min) | 1 |
额定载荷(KN) | ||
基本额定动载荷 | Cr | 170 |
基本额定静载荷 | C0r | 183 |
极限载荷(KN) | ||
轴向-单个 | 91 | |
接触角 | ||
度 | ° | 18 |
系数 | ||
fo | 11 | |
作用点(mm) | ||
a | 46.5 | |
限制速度(rpm) | ||
脂润滑 | Grease | 8500 |
油润滑 | Oil | 13500 |
安装尺寸(mm) | ||
da(min) | 180 | |
Da(max) | 220 | |
Db(max) | 224 | |
ra(max) | 2 | |
rb(max) | 1 | |
预紧力(N)-DU/DB/DF | ||
微预紧 | EL | 196 |
轻预紧 | L | 1311 |
中预紧 | M | 2689 |
重预紧 | H | - |
轴承刚度(N/μm)-DU/DB/DF | ||
微预紧 | EL | 134 |
轻预紧 | L | 263 |
中预紧 | M | 346 |
重预紧 | H | - |
测量轴向游隙(μm) | ||
微预紧 | EL | 0 |
轻预紧 | L | -22 |
中预紧 | M | -40 |
重预紧 | H | - |
轴承组合 | ||
方式 | 万能 | |
列数 | 2 | |
重量(Kg) | ||
4.94 |

商品 | 品牌 | 主要尺寸 | 发货仓 | 产地 | 库存 | 含税单价 | VIP价 | 操作 |
NSK 170BNR19XDBLP4A轴承 |
NSK | 0 | ¥0 | |||||