产品分类
- 深沟球轴承
- 角接触球轴承
- 超高精密轴承
- 精密角接触球轴承
- 标准型
- 标准密封型-S
- 陶瓷球标准型-C
- 陶瓷球密封型-CS
- 高速小球型-HS
- 小球密封型-HSS
- 陶瓷小球型-HC
- 陶瓷小球密封型-HCS
- 超高速陶瓷球型-XC
- 超高速陶瓷球密封型-XCS
- 超高速小球型-XS
- 超高速小球密封型-XSS
- 油气润滑-标准钢球型
- 油气润滑-标准陶瓷球型
- 油气润滑-高速小球型
- 油气润滑-高速陶瓷球型
- 油气润滑-超高速小球型
- 油气润滑-超高速陶瓷球型
- 精密丝杠轴承
- 精密圆柱滚子轴承
- 调心球轴承
- 推力轴承
- 圆柱滚子轴承
- 圆锥滚子轴承
- 调心滚子轴承
- 交叉滚子轴承
- 超薄截面轴承
- 滚针轴承
- 滚轮轴承
- 关节轴承
- 直线运动
- 轴承附件

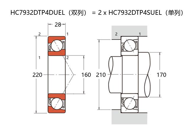
HC7932FTP4DU轴承
类型:【超高精密轴承 - 精密角接触球轴承】
基本尺寸:内径:160 mm,外径:220 mm,厚度:56 mm。
价格区间:¥ - ¥【详情】
前缀列表:【H:高转速】【C:陶瓷球型】后缀列表:【F:18° 接触角】【T:树脂保持架】【P4:ISO 4级精度】【DU:两个万能组合】
HC7932FTP4DU是一款超高精密角接触球轴承,采用陶瓷小球材质设计。其基本尺寸为内径160毫米、外径220毫米、厚度56毫米,结构紧凑且适用于高精度应用环境。该类轴承在高速运转条件下表现出良好的稳定性,同时具备耐磨损和抗腐蚀的特性。陶瓷材料的运用有助于减少摩擦热积累,对延长使用寿命具有积极影响。
该型号轴承常见于精密机床主轴、高速电主轴及测量仪器等设备中,能够承受径向与轴向联合载荷。在安装时需注意预紧力的调整,以确保性能发挥。其内部结构经过优化,有助于抑制振动和噪声,提升运行平稳性。此类轴承在特定工况下可适应较高转速要求,且维护需求相对较低。
选用时需结合具体负载条件与转速范围进行综合评估。该产品的设计兼顾了精度保持能力与工况适应性,为相关设备提供了可靠的支持。
H
C
7
9
3
2
F
T
P
4
D
U
H:高转速
C:陶瓷球型
7:精密角接触球轴承
9:尺寸系列:超轻 19 系列
32:内径:160 mm
F:18° 接触角
T:树脂保持架
P4:ISO 4级精度
DU:两个万能组合
H:
高转速
C:
陶瓷球型
7:
精密角接触球轴承
9:
尺寸系列:超轻 19 系列
32:
内径:160 mm
F:
18° 接触角
T:
树脂保持架
P4:
ISO 4级精度
DU:
两个万能组合
公称型号 | ||
高速陶瓷球型 | HC7932FTP4DU | |
主要尺寸(mm) | ||
内径 | d | 160 |
外径 | D | 220 |
厚度(单列) | B | 28 |
厚度(多列) | T | 56 |
倒角尺寸 | r(min) | 2 |
倒角尺寸 | r1(min) | 1 |
额定载荷(KN) | ||
基本额定动载荷 | Cr | 160 |
基本额定静载荷 | C0r | 163 |
极限载荷(KN) | ||
轴向-单个 | 81.5 | |
接触角 | ||
度 | ° | 18 |
系数 | ||
fo | 10.9 | |
作用点(mm) | ||
a | 44.9 | |
限制速度(rpm) | ||
脂润滑 | Grease | 9000 |
油润滑 | Oil | 14300 |
安装尺寸(mm) | ||
da(min) | 170 | |
Da(max) | 210 | |
Db(max) | 214 | |
ra(max) | 2 | |
rb(max) | 1 | |
预紧力(N)-DU/DB/DF | ||
微预紧 | EL | 196 |
轻预紧 | L | 1159 |
中预紧 | M | 2392 |
重预紧 | H | - |
轴承刚度(N/μm)-DU/DB/DF | ||
微预紧 | EL | 125 |
轻预紧 | L | 235 |
中预紧 | M | 311 |
重预紧 | H | - |
测量轴向游隙(μm) | ||
微预紧 | EL | 0 |
轻预紧 | L | -21 |
中预紧 | M | -39 |
重预紧 | H | - |
轴承组合 | ||
方式 | 万能 | |
列数 | 2 | |
重量(Kg) | ||
4.62 |

商品 | 品牌 | 主要尺寸 | 发货仓 | 产地 | 库存 | 含税单价 | VIP价 | 操作 |
KOYO 3NCHAR932CDBCY24/10FYP4轴承 |
KOYO | 0 | ¥0 | |||||