产品分类
- 深沟球轴承
- 角接触球轴承
- 超高精密轴承
- 精密角接触球轴承
- 标准型
- 标准密封型-S
- 陶瓷球标准型-C
- 陶瓷球密封型-CS
- 高速小球型-HS
- 小球密封型-HSS
- 陶瓷小球型-HC
- 陶瓷小球密封型-HCS
- 超高速陶瓷球型-XC
- 超高速陶瓷球密封型-XCS
- 超高速小球型-XS
- 超高速小球密封型-XSS
- 油气润滑-标准钢球型
- 油气润滑-标准陶瓷球型
- 油气润滑-高速小球型
- 油气润滑-高速陶瓷球型
- 油气润滑-超高速小球型
- 油气润滑-超高速陶瓷球型
- 精密丝杠轴承
- 精密圆柱滚子轴承
- 调心球轴承
- 推力轴承
- 圆柱滚子轴承
- 圆锥滚子轴承
- 调心滚子轴承
- 交叉滚子轴承
- 超薄截面轴承
- 滚针轴承
- 滚轮轴承
- 关节轴承
- 直线运动
- 轴承附件

HC7924FTP4DU轴承
类型:【超高精密轴承 - 精密角接触球轴承】
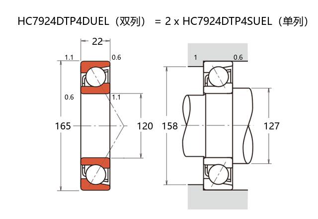
基本尺寸:内径:120 mm,外径:165 mm,厚度:44 mm。
价格区间:¥0 - ¥0【详情】
前缀列表:【H:高转速】【C:陶瓷球型】后缀列表:【F:18° 接触角】【T:树脂保持架】【P4:ISO 4级精度】【DU:两个万能组合】
HC7924FTP4DU是一款适用于高精度应用场合的超高精密角接触球轴承。其基本尺寸为内径120毫米、外径165毫米以及厚度44毫米,结构设计紧凑且承载能力均衡。该轴承属于陶瓷小球型系列,采用陶瓷滚动体材料,具备低密度、高硬度和优良的抗磨损性能,有助于减少运转时的离心力效应,从而在高速工况下保持稳定运行。
角接触结构使得该型号能够同时承受径向与轴向联合载荷,接触角经过优化,进一步提升了刚性及旋转精度。得益于精密制造工艺,HC7924FTP4DU在预紧力控制、滚道圆度及表面光洁度等方面表现出色,适用于高转速、高刚性与低振动要求的主轴系统,例如精密机床、测量设备及高性能电机等领域。
该轴承在润滑与安装方面需配合适当的工况条件,采用特殊保持架设计与优质润滑剂可延长其使用寿命。需要注意的是,实际应用中需根据负载、转速及环境因素进行选型与维护,以充分发挥其性能特点。
H
C
7
9
2
4
F
T
P
4
D
U
H:高转速
C:陶瓷球型
7:精密角接触球轴承
9:尺寸系列:超轻 19 系列
24:内径:120 mm
F:18° 接触角
T:树脂保持架
P4:ISO 4级精度
DU:两个万能组合
H:
高转速
C:
陶瓷球型
7:
精密角接触球轴承
9:
尺寸系列:超轻 19 系列
24:
内径:120 mm
F:
18° 接触角
T:
树脂保持架
P4:
ISO 4级精度
DU:
两个万能组合
公称型号 | ||
高速陶瓷球型 | HC7924FTP4DU | |
主要尺寸(mm) | ||
内径 | d | 120 |
外径 | D | 165 |
厚度(单列) | B | 22 |
厚度(多列) | T | 44 |
倒角尺寸 | r(min) | 1.1 |
倒角尺寸 | r1(min) | 0.6 |
额定载荷(KN) | ||
基本额定动载荷 | Cr | 108 |
基本额定静载荷 | C0r | 100 |
极限载荷(KN) | ||
轴向-单个 | 49 | |
接触角 | ||
度 | ° | 18 |
系数 | ||
fo | 10.8 | |
作用点(mm) | ||
a | 34.2 | |
限制速度(rpm) | ||
脂润滑 | Grease | 12700 |
油润滑 | Oil | 19700 |
安装尺寸(mm) | ||
da(min) | 127 | |
Da(max) | 158 | |
Db(max) | 160 | |
ra(max) | 1 | |
rb(max) | 0.6 | |
预紧力(N)-DU/DB/DF | ||
微预紧 | EL | 98 |
轻预紧 | L | 460 |
中预紧 | M | 1477 |
重预紧 | H | - |
轴承刚度(N/μm)-DU/DB/DF | ||
微预紧 | EL | 88 |
轻预紧 | L | 150 |
中预紧 | M | 234 |
重预紧 | H | - |
测量轴向游隙(μm) | ||
微预紧 | EL | 0 |
轻预紧 | L | -12 |
中预紧 | M | -33 |
重预紧 | H | - |
轴承组合 | ||
方式 | 万能 | |
列数 | 2 | |
重量(Kg) | ||
1.86 |

商品 | 品牌 | 主要尺寸 | 发货仓 | 产地 | 库存 | 含税单价 | VIP价 | 操作 |