产品分类
- 深沟球轴承
- 角接触球轴承
- 超高精密轴承
- 精密角接触球轴承
- 标准型
- 标准密封型-S
- 陶瓷球标准型-C
- 陶瓷球密封型-CS
- 高速小球型-HS
- 小球密封型-HSS
- 陶瓷小球型-HC
- 陶瓷小球密封型-HCS
- 超高速陶瓷球型-XC
- 超高速陶瓷球密封型-XCS
- 超高速小球型-XS
- 超高速小球密封型-XSS
- 油气润滑-标准钢球型
- 油气润滑-标准陶瓷球型
- 油气润滑-高速小球型
- 油气润滑-高速陶瓷球型
- 油气润滑-超高速小球型
- 油气润滑-超高速陶瓷球型
- 精密丝杠轴承
- 精密圆柱滚子轴承
- 调心球轴承
- 推力轴承
- 圆柱滚子轴承
- 圆锥滚子轴承
- 调心滚子轴承
- 交叉滚子轴承
- 超薄截面轴承
- 滚针轴承
- 滚轮轴承
- 关节轴承
- 直线运动
- 轴承附件

HC7916FTP4DU轴承
类型:【超高精密轴承 - 精密角接触球轴承】
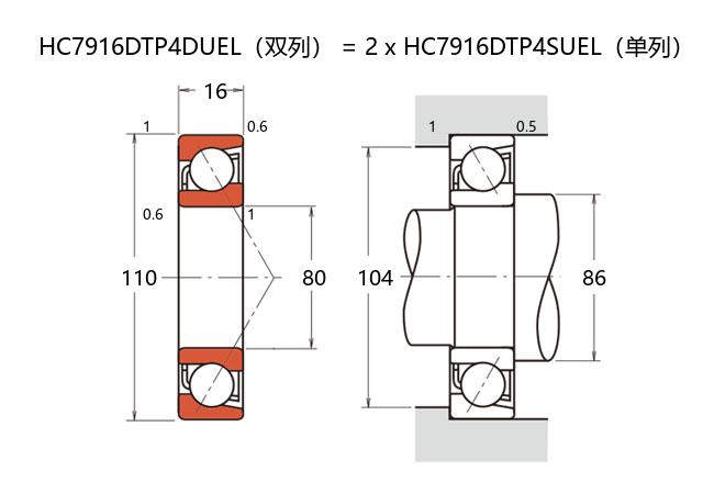
基本尺寸:内径:80 mm,外径:110 mm,厚度:32 mm。
价格区间:¥ - ¥【详情】
前缀列表:【H:高转速】【C:陶瓷球型】后缀列表:【F:18° 接触角】【T:树脂保持架】【P4:ISO 4级精度】【DU:两个万能组合】
HC7916FTP4DU属于精密角接触球轴承中的超高精密类型,其结构采用陶瓷小球设计,具有优化的材料特性。该型号基本尺寸为内径80mm、外径110mm、厚度32mm,适用于对刚性与旋转精度要求较高的工况。
在材料选择上,陶瓷小球有助于降低高速运转时的离心力影响,同时改善摩擦性能。该结构设计可承受径向与轴向联合载荷,常见于需要控制预紧力的主轴系统。由于材料热膨胀系数较低,在温度变化场景中尺寸稳定性相对突出,有利于维持长期运行精度。
此类轴承在高速旋转条件下表现出较低的温升趋势,同时具备一定的抗磁性与绝缘特性。其应用范围涵盖精密机床、测量仪器及高转速传动单元等领域。需要注意根据实际工况合理配置润滑与密封方案,以充分发挥其性能潜力。安装过程中的对中精度与预紧力控制对使用寿命具有显著影响。
H
C
7
9
1
6
F
T
P
4
D
U
H:高转速
C:陶瓷球型
7:精密角接触球轴承
9:尺寸系列:超轻 19 系列
16:内径:80 mm
F:18° 接触角
T:树脂保持架
P4:ISO 4级精度
DU:两个万能组合
H:
高转速
C:
陶瓷球型
7:
精密角接触球轴承
9:
尺寸系列:超轻 19 系列
16:
内径:80 mm
F:
18° 接触角
T:
树脂保持架
P4:
ISO 4级精度
DU:
两个万能组合
公称型号 | ||
高速陶瓷球型 | HC7916FTP4DU | |
主要尺寸(mm) | ||
内径 | d | 80 |
外径 | D | 110 |
厚度(单列) | B | 16 |
厚度(多列) | T | 32 |
倒角尺寸 | r(min) | 1 |
倒角尺寸 | r1(min) | 0.6 |
额定载荷(KN) | ||
基本额定动载荷 | Cr | 44 |
基本额定静载荷 | C0r | 38.2 |
极限载荷(KN) | ||
轴向-单个 | 18.9 | |
接触角 | ||
度 | ° | 18 |
系数 | ||
fo | 11 | |
作用点(mm) | ||
a | 23.4 | |
限制速度(rpm) | ||
脂润滑 | Grease | 19000 |
油润滑 | Oil | 29500 |
安装尺寸(mm) | ||
da(min) | 86 | |
Da(max) | 104 | |
Db(max) | 105 | |
ra(max) | 1 | |
rb(max) | 0.5 | |
预紧力(N)-DU/DB/DF | ||
微预紧 | EL | 49 |
轻预紧 | L | 210 |
中预紧 | M | 545 |
重预紧 | H | - |
轴承刚度(N/μm)-DU/DB/DF | ||
微预紧 | EL | 60 |
轻预紧 | L | 99 |
中预紧 | M | 143 |
重预紧 | H | - |
测量轴向游隙(μm) | ||
微预紧 | EL | 0 |
轻预紧 | L | -8 |
中预紧 | M | -19 |
重预紧 | H | - |
轴承组合 | ||
方式 | 万能 | |
列数 | 2 | |
重量(Kg) | ||
0.62 |

商品 | 品牌 | 主要尺寸 | 发货仓 | 产地 | 库存 | 含税单价 | VIP价 | 操作 |
NSK 80BNR19HTYNDBBLP4轴承 |
NSK | 0 | ¥0 | |||||