产品分类
- 深沟球轴承
- 角接触球轴承
- 超高精密轴承
- 精密角接触球轴承
- 标准型
- 标准密封型-S
- 陶瓷球标准型-C
- 陶瓷球密封型-CS
- 高速小球型-HS
- 小球密封型-HSS
- 陶瓷小球型-HC
- 陶瓷小球密封型-HCS
- 超高速陶瓷球型-XC
- 超高速陶瓷球密封型-XCS
- 超高速小球型-XS
- 超高速小球密封型-XSS
- 油气润滑-标准钢球型
- 油气润滑-标准陶瓷球型
- 油气润滑-高速小球型
- 油气润滑-高速陶瓷球型
- 油气润滑-超高速小球型
- 油气润滑-超高速陶瓷球型
- 精密丝杠轴承
- 精密圆柱滚子轴承
- 调心球轴承
- 推力轴承
- 圆柱滚子轴承
- 圆锥滚子轴承
- 调心滚子轴承
- 交叉滚子轴承
- 超薄截面轴承
- 滚针轴承
- 滚轮轴承
- 关节轴承
- 直线运动
- 轴承附件

HC7914FTP4DU轴承
类型:【超高精密轴承 - 精密角接触球轴承】
基本尺寸:内径:70 mm,外径:100 mm,厚度:32 mm。
价格区间:¥ - ¥6834.58【详情】
前缀列表:【H:高转速】【C:陶瓷球型】后缀列表:【F:18° 接触角】【T:树脂保持架】【P4:ISO 4级精度】【DU:两个万能组合】
HC7914FTP4DU是一款超高精密角接触球轴承,其结构设计为内径70mm、外径100mm、厚度32mm的紧凑尺寸规格。该轴承属于陶瓷小球型系列,采用轻质高硬度的陶瓷滚动体,有助于降低高速运转时的离心力效应,提升动态响应性能。由于接触角结构的优化,它能同时承受径向与轴向联合载荷,适用于中高转速的精密工况。
在材料特性方面,陶瓷小球的使用增强了轴承的耐腐蚀性与高温稳定性,配合特殊热处理工艺的套圈,进一步延长了使用寿命。此类轴承通常需在清洁环境下安装使用,并配合适当的润滑方案以维持运行精度。其设计兼顾了刚性与低摩擦需求,常见于精密机床主轴、高速电主轴及测量仪器等对旋转精度要求较高的领域。
需要注意的是,实际应用效果会受到配合零件精度、安装方式及工况条件等多重因素影响,建议用户根据具体设备要求进行综合评估与选型。
H
C
7
9
1
4
F
T
P
4
D
U
H:高转速
C:陶瓷球型
7:精密角接触球轴承
9:尺寸系列:超轻 19 系列
14:内径:70 mm
F:18° 接触角
T:树脂保持架
P4:ISO 4级精度
DU:两个万能组合
H:
高转速
C:
陶瓷球型
7:
精密角接触球轴承
9:
尺寸系列:超轻 19 系列
14:
内径:70 mm
F:
18° 接触角
T:
树脂保持架
P4:
ISO 4级精度
DU:
两个万能组合
公称型号 | ||
高速陶瓷球型 | HC7914FTP4DU | |
主要尺寸(mm) | ||
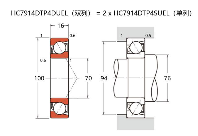
内径 | d | 70 |
外径 | D | 100 |
厚度(单列) | B | 16 |
厚度(多列) | T | 32 |
倒角尺寸 | r(min) | 1 |
倒角尺寸 | r1(min) | 0.6 |
额定载荷(KN) | ||
基本额定动载荷 | Cr | 42.6 |
基本额定静载荷 | C0r | 34.6 |
极限载荷(KN) | ||
轴向-单个 | 17.1 | |
接触角 | ||
度 | ° | 18 |
系数 | ||
fo | 10.8 | |
作用点(mm) | ||
a | 21.8 | |
限制速度(rpm) | ||
脂润滑 | Grease | 21200 |
油润滑 | Oil | 33000 |
安装尺寸(mm) | ||
da(min) | 76 | |
Da(max) | 94 | |
Db(max) | 95 | |
ra(max) | 1 | |
rb(max) | 0.5 | |
预紧力(N)-DU/DB/DF | ||
微预紧 | EL | 49 |
轻预紧 | L | 200 |
中预紧 | M | 415 |
重预紧 | H | - |
轴承刚度(N/μm)-DU/DB/DF | ||
微预紧 | EL | 57 |
轻预紧 | L | 93 |
中预紧 | M | 122 |
重预紧 | H | - |
测量轴向游隙(μm) | ||
微预紧 | EL | 0 |
轻预紧 | L | -8 |
中预紧 | M | -16 |
重预紧 | H | - |
轴承组合 | ||
方式 | 万能 | |
列数 | 2 | |
重量(Kg) | ||
0.54 |

商品 | 品牌 | 主要尺寸 | 发货仓 | 产地 | 库存 | 含税单价 | VIP价 | 操作 |
KOYO 3NCHAC914CA-1PADTFTZ1轴承 陶瓷小球型 |
KOYO | 70.00 X 100.00 X 16.00 | 华南 | 日本 | 1 | 6834.58 | ¥6447.72 | |
NSK 70BNR19HTDUELP4Y轴承 陶瓷小球型精密角接触球轴承 |
NSK | 70 X 100 X 32 | 华东 | 日本 | 10 | 5672.82 | ¥4890.36 | |
KOYO 3NCHAR914CADBBCS6FTP4轴承 |
KOYO | 0 | ¥0 | |||||
NSK 70BNR19HTDUELP4Y轴承 陶瓷小球型精密角接触球轴承 |
NSK | 70 X 100 X 32 | 华东 | 日本 | 13 | 4831.02 | ¥4200.89 | |
NSK 70BNR19HTDUELP4Y轴承 陶瓷小球型精密角接触球轴承 |
NSK | 70 X 100 X 32 | 华东 | 日本 | 10 | 5770.62 | ¥4890.36 | |
篇幅有限,仅显示五条,更多可点击:搜索,或者:深度搜索 |