产品分类
- 深沟球轴承
- 角接触球轴承
- 超高精密轴承
- 精密角接触球轴承
- 标准型
- 标准密封型-S
- 陶瓷球标准型-C
- 陶瓷球密封型-CS
- 高速小球型-HS
- 小球密封型-HSS
- 陶瓷小球型-HC
- 陶瓷小球密封型-HCS
- 超高速陶瓷球型-XC
- 超高速陶瓷球密封型-XCS
- 超高速小球型-XS
- 超高速小球密封型-XSS
- 油气润滑-标准钢球型
- 油气润滑-标准陶瓷球型
- 油气润滑-高速小球型
- 油气润滑-高速陶瓷球型
- 油气润滑-超高速小球型
- 油气润滑-超高速陶瓷球型
- 精密丝杠轴承
- 精密圆柱滚子轴承
- 调心球轴承
- 推力轴承
- 圆柱滚子轴承
- 圆锥滚子轴承
- 调心滚子轴承
- 交叉滚子轴承
- 超薄截面轴承
- 滚针轴承
- 滚轮轴承
- 关节轴承
- 直线运动
- 轴承附件

HC7914CTP4DU轴承
类型:【超高精密轴承 - 精密角接触球轴承】
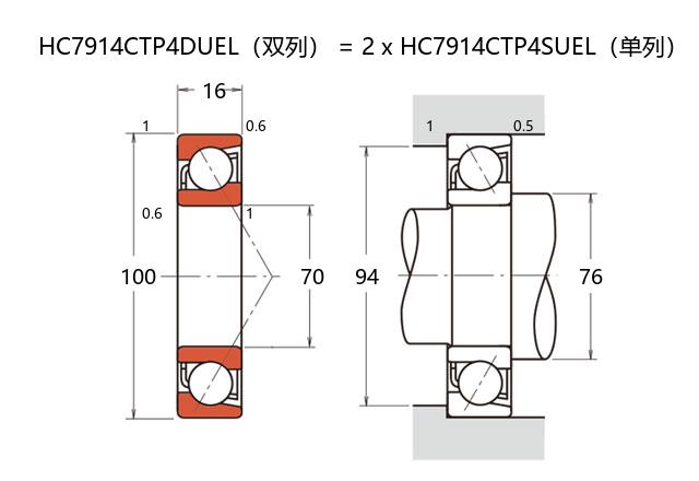
基本尺寸:内径:70 mm,外径:100 mm,厚度:32 mm。
价格区间:¥3292.8 - ¥5880.74【详情】
前缀列表:【H:高转速】【C:陶瓷球型】后缀列表:【C:接触角 15°】【T:树脂保持架】【P4:ISO 4级精度】【DU:两个万能组合】
HC7914CTP4DU型轴承属于超高精密角接触球轴承系列,基本尺寸为内径70毫米、外径100毫米、厚度32毫米,适用于高精度机械系统的配置需求。该型号采用陶瓷小球材质设计,可降低高速运转时的离心力效应,有助于减少摩擦热量并提升转速极限。其内部结构经过优化,能够同时承受径向与轴向复合载荷,特别适合多方向受力场景。
在预紧力调整与润滑条件适宜时,该轴承可保持稳定的刚性表现,对抑制振动和噪音具有积极作用。由于采用特殊热处理工艺及精密加工技术,其尺寸一致性较好,能够满足精密机床主轴、高速电主轴等设备的装配要求。需要注意的是,实际性能受安装配合精度、工作环境洁净度及维护周期等因素影响,建议根据具体工况进行选型验证。此类轴承常应用于精密加工、测量仪器等对运动精度要求较高的领域。
H
C
7
9
1
4
C
T
P
4
D
U
H:高转速
C:陶瓷球型
7:精密角接触球轴承
9:尺寸系列:超轻 19 系列
14:内径:70 mm
C:接触角 15°
T:树脂保持架
P4:ISO 4级精度
DU:两个万能组合
H:
高转速
C:
陶瓷球型
7:
精密角接触球轴承
9:
尺寸系列:超轻 19 系列
14:
内径:70 mm
C:
接触角 15°
T:
树脂保持架
P4:
ISO 4级精度
DU:
两个万能组合
公称型号 | ||
高速陶瓷球型 | HC7914CTP4DU | |
主要尺寸(mm) | ||
内径 | d | 70 |
外径 | D | 100 |
厚度(单列) | B | 16 |
厚度(多列) | T | 32 |
倒角尺寸 | r(min) | 1 |
倒角尺寸 | r1(min) | 0.6 |
额定载荷(KN) | ||
基本额定动载荷 | Cr | 44.2 |
基本额定静载荷 | C0r | 33 |
极限载荷(KN) | ||
轴向-单个 | 26.1 | |
接触角 | ||
度 | ° | 15 |
系数 | ||
fo | 8.4 | |
作用点(mm) | ||
a | 19.4 | |
限制速度(rpm) | ||
脂润滑 | Grease | 22000 |
油润滑 | Oil | 34000 |
安装尺寸(mm) | ||
da(min) | 76 | |
Da(max) | 94 | |
Db(max) | 95 | |
ra(max) | 1 | |
rb(max) | 0.5 | |
预紧力(N)-DU/DB/DF | ||
微预紧 | EL | 49 |
轻预紧 | L | 200 |
中预紧 | M | 415 |
重预紧 | H | - |
轴承刚度(N/μm)-DU/DB/DF | ||
微预紧 | EL | 57 |
轻预紧 | L | 93 |
中预紧 | M | 122 |
重预紧 | H | - |
测量轴向游隙(μm) | ||
微预紧 | EL | 0 |
轻预紧 | L | -8 |
中预紧 | M | -16 |
重预紧 | H | - |
轴承组合 | ||
方式 | 万能 | |
列数 | 2 | |
重量(Kg) | ||
0.54 |

商品 | 品牌 | 主要尺寸 | 发货仓 | 产地 | 库存 | 含税单价 | VIP价 | 操作 |
SKF 71914 CE/HCDGAVQ126轴承 超精密角接触球轴承E设计 |
SKF | 70 X 100 X 32 | 华东 | 意大利 | 1 | 3996.74 | ¥3303.09 | |
SKF 71914 CE/HCP4ADGA轴承 超精密角接触球轴承E设计 |
SKF | 70 X 100 X 32 | 华东 | 意大利 | 8 | 3720.86 | ¥3292.8 | |
SKF 71914 CE/HCPA9ADGA轴承 超精密角接触球轴承E设计 |
SKF | 70 X 100 X 32 | 华东 | 意大利 | 5 | 5880.74 | ¥4630.5 | |