产品分类
- 深沟球轴承
- 角接触球轴承
- 超高精密轴承
- 精密角接触球轴承
- 标准型
- 标准密封型-S
- 陶瓷球标准型-C
- 陶瓷球密封型-CS
- 高速小球型-HS
- 小球密封型-HSS
- 陶瓷小球型-HC
- 陶瓷小球密封型-HCS
- 超高速陶瓷球型-XC
- 超高速陶瓷球密封型-XCS
- 超高速小球型-XS
- 超高速小球密封型-XSS
- 油气润滑-标准钢球型
- 油气润滑-标准陶瓷球型
- 油气润滑-高速小球型
- 油气润滑-高速陶瓷球型
- 油气润滑-超高速小球型
- 油气润滑-超高速陶瓷球型
- 精密丝杠轴承
- 精密圆柱滚子轴承
- 调心球轴承
- 推力轴承
- 圆柱滚子轴承
- 圆锥滚子轴承
- 调心滚子轴承
- 交叉滚子轴承
- 超薄截面轴承
- 滚针轴承
- 滚轮轴承
- 关节轴承
- 直线运动
- 轴承附件

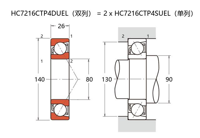
HC7216CTP4DUEL轴承
类型:【超高精密轴承 - 精密角接触球轴承】
基本尺寸:内径: mm,外径: mm,厚度: mm。
价格区间:¥0 - ¥0【详情】
前缀列表:【H:高转速】【C:陶瓷球型】后缀列表:【C:接触角 15°】【T:树脂保持架】【P4:ISO 4级精度】【DU:双列万能配对】【EL:超轻预紧】
HC7216CTP4DUEL是一款超高精密角接触球轴承,采用陶瓷小球设计,属于HC系列产品。该型号轴承的内径为80毫米,外径为140毫米,厚度为26毫米。此类轴承通过优化材料与结构,提升了刚性及转速适应性,适用于高精度旋转场景。
在特性方面,陶瓷小球材料有助于降低高速运转时的离心力影响,改善动态性能。接触角设计提供了有效的轴向与径向载荷支持,同时保持平稳的运行状态。润滑条件与预载荷调整进一步优化了其在复杂工况下的表现,减少温升及振动风险。
应用范围涵盖精密机床主轴、高速电主轴及测量仪器等领域,这些场合对旋转精度与稳定性有较高需求。安装时需注意配合公差及清洁要求,以充分发挥其性能潜力。该型号轴承的设计聚焦于长效服务与可靠性,适合在各类精密机械系统中作为关键部件使用。
H
C
7
2
1
6
C
T
P
4
D
U
E
L
H:高转速
C:陶瓷球型
7:精密角接触球轴承
2:尺寸系列:轻窄 02 系列
16:内径:80 mm
C:接触角 15°
T:树脂保持架
P4:ISO 4级精度
DU:双列万能配对
EL:超轻预紧
H:
高转速
C:
陶瓷球型
7:
精密角接触球轴承
2:
尺寸系列:轻窄 02 系列
16:
内径:80 mm
C:
接触角 15°
T:
树脂保持架
P4:
ISO 4级精度
DU:
双列万能配对
EL:
超轻预紧
公称型号 | ||
高速陶瓷球型 | HC7216CTP4SUEL | |
主要尺寸(mm) | ||
内径 | d | 80 |
外径 | D | 140 |
厚度(单列) | B | 26 |
厚度(多列) | T | 2 |
倒角尺寸 | r(min) | 1 |
倒角尺寸 | r1(min) | 71 |
额定载荷(KN) | ||
基本额定动载荷 | Cr | 35 |
基本额定静载荷 | C0r | 46.5 |
极限载荷(KN) | ||
轴向-单个 | 15 | |
接触角 | ||
度 | ° | 6.7 |
系数 | ||
fo | 27.9 | |
作用点(mm) | ||
a | 10200 | |
限制速度(rpm) | ||
脂润滑 | Grease | 20400 |
油润滑 | Oil | 90 |
安装尺寸(mm) | ||
da(min) | 130 | |
Da(max) | 134 | |
Db(max) | 2 | |
ra(max) | 1 | |
rb(max) | 305 | |
预紧力(N)-DU/DB/DF | ||
微预紧 | EL | 595 |
轻预紧 | L | 1367 |
中预紧 | M | 2752 |
重预紧 | H | 83 |
轴承刚度(N/μm)-DU/DB/DF | ||
微预紧 | EL | 110 |
轻预紧 | L | 159 |
中预紧 | M | 224 |
重预紧 | H | -12 |
测量轴向游隙(μm) | ||
微预紧 | EL | -24 |
轻预紧 | L | -47 |
中预紧 | M | -76 |
重预紧 | H | 1.21 |
轴承组合 | ||
方式 | 2.42 | |
列数 | ||
重量(Kg) | ||

商品 | 品牌 | 主要尺寸 | 发货仓 | 产地 | 库存 | 含税单价 | VIP价 | 操作 |