产品分类
- 深沟球轴承
- 角接触球轴承
- 超高精密轴承
- 精密角接触球轴承
- 标准型
- 标准密封型-S
- 陶瓷球标准型-C
- 陶瓷球密封型-CS
- 高速小球型-HS
- 小球密封型-HSS
- 陶瓷小球型-HC
- 陶瓷小球密封型-HCS
- 超高速陶瓷球型-XC
- 超高速陶瓷球密封型-XCS
- 超高速小球型-XS
- 超高速小球密封型-XSS
- 油气润滑-标准钢球型
- 油气润滑-标准陶瓷球型
- 油气润滑-高速小球型
- 油气润滑-高速陶瓷球型
- 油气润滑-超高速小球型
- 油气润滑-超高速陶瓷球型
- 精密丝杠轴承
- 精密圆柱滚子轴承
- 调心球轴承
- 推力轴承
- 圆柱滚子轴承
- 圆锥滚子轴承
- 调心滚子轴承
- 交叉滚子轴承
- 超薄截面轴承
- 滚针轴承
- 滚轮轴承
- 关节轴承
- 直线运动
- 轴承附件

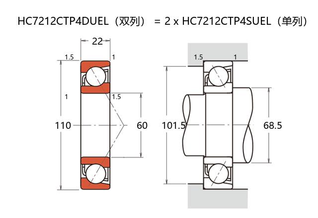
HC7212CTP4DUEL轴承
类型:【超高精密轴承 - 精密角接触球轴承】
基本尺寸:内径: mm,外径: mm,厚度: mm。
价格区间:¥0 - ¥0【详情】
前缀列表:【H:高转速】【C:陶瓷球型】后缀列表:【C:接触角 15°】【T:树脂保持架】【P4:ISO 4级精度】【DU:双列万能配对】【EL:超轻预紧】
HC7212CTP4DUEL是一款超高精密角接触球轴承,采用陶瓷小球材料设计。该型号内径为60毫米,外径为110毫米,厚度为22毫米。在结构上,它采用15度接触角,结合陶瓷滚动体与钢制内外圈的混合配置,能够有效降低高速运转时的离心力效应,同时减少摩擦热量的产生。
该轴承适用于高速主轴、精密机床及测量设备等场景。其内部填充特殊高性能润滑脂,并在密封结构上采用双侧接触式密封设计,有助于在复杂工况下维持稳定的润滑状态。与同规格全钢轴承相比,该型号在DN值承载能力和极限转速方面具有提升潜力。
在安装时需注意角接触轴承的组配方式,该型号后缀表明其采用特定预紧力和组配工艺。这种设计特性使轴承在承受径向和轴向复合载荷时能保持较高的刚性,同时抑制运行振动的产生。对于存在轻微不对中或轴系热变形的应用场景,该型号可通过适当调整安装方式实现性能优化。
H
C
7
2
1
2
C
T
P
4
D
U
E
L
H:高转速
C:陶瓷球型
7:精密角接触球轴承
2:尺寸系列:轻窄 02 系列
12:内径:60 mm
C:接触角 15°
T:树脂保持架
P4:ISO 4级精度
DU:双列万能配对
EL:超轻预紧
H:
高转速
C:
陶瓷球型
7:
精密角接触球轴承
2:
尺寸系列:轻窄 02 系列
12:
内径:60 mm
C:
接触角 15°
T:
树脂保持架
P4:
ISO 4级精度
DU:
双列万能配对
EL:
超轻预紧
公称型号 | ||
高速陶瓷球型 | HC7212CTP4SUEL | |
主要尺寸(mm) | ||
内径 | d | 60 |
外径 | D | 110 |
厚度(单列) | B | 22 |
厚度(多列) | T | 1.5 |
倒角尺寸 | r(min) | 1 |
倒角尺寸 | r1(min) | 49 |
额定载荷(KN) | ||
基本额定动载荷 | Cr | 22.4 |
基本额定静载荷 | C0r | 29.5 |
极限载荷(KN) | ||
轴向-单个 | 15 | |
接触角 | ||
度 | ° | 6.6 |
系数 | ||
fo | 22.8 | |
作用点(mm) | ||
a | 12900 | |
限制速度(rpm) | ||
脂润滑 | Grease | 25900 |
油润滑 | Oil | 68.5 |
安装尺寸(mm) | ||
da(min) | 101.5 | |
Da(max) | 104 | |
Db(max) | 1.5 | |
ra(max) | 1 | |
rb(max) | 190 | |
预紧力(N)-DU/DB/DF | ||
微预紧 | EL | 397 |
轻预紧 | L | 928 |
中预紧 | M | 1878 |
重预紧 | H | 64 |
轴承刚度(N/μm)-DU/DB/DF | ||
微预紧 | EL | 86 |
轻预紧 | L | 126 |
中预紧 | M | 178 |
重预紧 | H | -11 |
测量轴向游隙(μm) | ||
微预紧 | EL | -22 |
轻预紧 | L | -42 |
中预紧 | M | -67 |
重预紧 | H | 0.65 |
轴承组合 | ||
方式 | 1.3 | |
列数 | ||
重量(Kg) | ||

商品 | 品牌 | 主要尺寸 | 发货仓 | 产地 | 库存 | 含税单价 | VIP价 | 操作 |