产品分类
- 深沟球轴承
- 角接触球轴承
- 超高精密轴承
- 精密角接触球轴承
- 标准型
- 标准密封型-S
- 陶瓷球标准型-C
- 陶瓷球密封型-CS
- 高速小球型-HS
- 小球密封型-HSS
- 陶瓷小球型-HC
- 陶瓷小球密封型-HCS
- 超高速陶瓷球型-XC
- 超高速陶瓷球密封型-XCS
- 超高速小球型-XS
- 超高速小球密封型-XSS
- 油气润滑-标准钢球型
- 油气润滑-标准陶瓷球型
- 油气润滑-高速小球型
- 油气润滑-高速陶瓷球型
- 油气润滑-超高速小球型
- 油气润滑-超高速陶瓷球型
- 精密丝杠轴承
- 精密圆柱滚子轴承
- 调心球轴承
- 推力轴承
- 圆柱滚子轴承
- 圆锥滚子轴承
- 调心滚子轴承
- 交叉滚子轴承
- 超薄截面轴承
- 滚针轴承
- 滚轮轴承
- 关节轴承
- 直线运动
- 轴承附件

HC7015CTP4DU轴承
类型:【超高精密轴承 - 精密角接触球轴承】
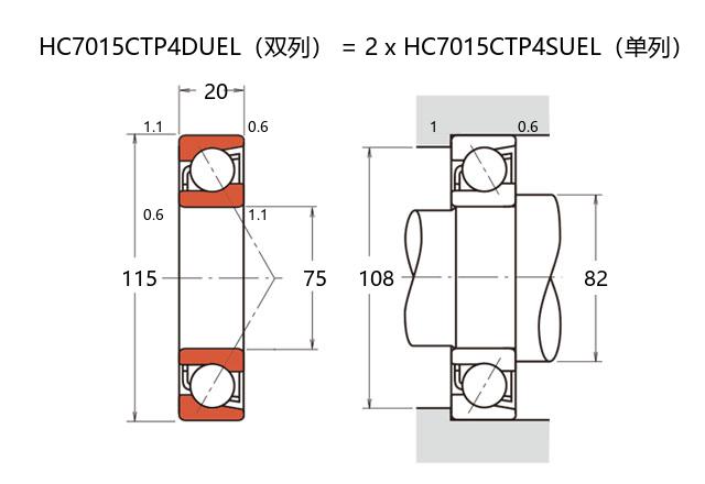
基本尺寸:内径:75 mm,外径:115 mm,厚度:40 mm。
价格区间:¥4733.4 - ¥8342.1【详情】
前缀列表:【H:高转速】【C:陶瓷球型】后缀列表:【C:接触角 15°】【T:树脂保持架】【P4:ISO 4级精度】【DU:两个万能组合】
HC7015CTP4DU型轴承属于超高精密类别中的精密角接触球轴承系列,采用陶瓷小球设计。其基本尺寸为内径75毫米、外径115毫米、厚度40毫米,结构紧凑且符合常规安装需求。该轴承通过优化材料与工艺,具备较高的尺寸稳定性,有助于降低高速运转时的离心力效应。
在材料选择上,滚动体采用陶瓷材质,与钢制轨道组合形成混合结构。此类设计可减少摩擦热量积累,并在润滑条件受限时表现出一定的适应性。同时,接触角经过特殊计算,能够承受双向轴向载荷与径向载荷的复合作用。
此类轴承适用于高转速工况,常见于精密机床主轴、电主轴等设备。由于采用P4级精度标准,其在运行平稳性与位置控制精度方面具有相应保障。安装时需注意预紧力调整与清洁防护,以保持长期性能。随着技术发展,这类结构在高速加工领域的应用正逐步拓展。
H
C
7
0
1
5
C
T
P
4
D
U
H:高转速
C:陶瓷球型
7:精密角接触球轴承
0:尺寸系列:超轻 10 系列
15:内径:75 mm
C:接触角 15°
T:树脂保持架
P4:ISO 4级精度
DU:两个万能组合
H:
高转速
C:
陶瓷球型
7:
精密角接触球轴承
0:
尺寸系列:超轻 10 系列
15:
内径:75 mm
C:
接触角 15°
T:
树脂保持架
P4:
ISO 4级精度
DU:
两个万能组合
公称型号 | ||
高速陶瓷球型 | HC7015CTP4DU | |
主要尺寸(mm) | ||
内径 | d | 75 |
外径 | D | 115 |
厚度(单列) | B | 20 |
厚度(多列) | T | 40 |
倒角尺寸 | r(min) | 1.1 |
倒角尺寸 | r1(min) | 0.6 |
额定载荷(KN) | ||
基本额定动载荷 | Cr | 52 |
基本额定静载荷 | C0r | 43.2 |
极限载荷(KN) | ||
轴向-单个 | 30 | |
接触角 | ||
度 | ° | 15 |
系数 | ||
fo | 9.5 | |
作用点(mm) | ||
a | 22.7 | |
限制速度(rpm) | ||
脂润滑 | Grease | 19000 |
油润滑 | Oil | 29000 |
安装尺寸(mm) | ||
da(min) | 82 | |
Da(max) | 108 | |
Db(max) | 110 | |
ra(max) | 1 | |
rb(max) | 0.6 | |
预紧力(N)-DU/DB/DF | ||
微预紧 | EL | 140 |
轻预紧 | L | 240 |
中预紧 | M | 567 |
重预紧 | H | - |
轴承刚度(N/μm)-DU/DB/DF | ||
微预紧 | EL | 65 |
轻预紧 | L | 96 |
中预紧 | M | 131 |
重预紧 | H | - |
测量轴向游隙(μm) | ||
微预紧 | EL | 0 |
轻预紧 | L | -10 |
中预紧 | M | -20 |
重预紧 | H | - |
轴承组合 | ||
方式 | 万能 | |
列数 | 2 | |
重量(Kg) | ||
1.18 |

商品 | 品牌 | 主要尺寸 | 发货仓 | 产地 | 库存 | 含税单价 | VIP价 | 操作 |
SKF 7015 CE/HCP4ADGA轴承 超精密角接触球轴承E设计 |
SKF | 75 X 115 X 40 | 华东 | 意大利 | 8 | 6106.09 | ¥4733.4 | |
FAG HC7015-C-T-P4S-DUL轴承 超精密角接触球轴承 |
FAG | 75 X 115 X 40 | 华南 | 德国 | 4 | 8342.1 | ¥6894.3 | |