产品分类
- 深沟球轴承
- 角接触球轴承
- 超高精密轴承
- 精密角接触球轴承
- 标准型
- 标准密封型-S
- 陶瓷球标准型-C
- 陶瓷球密封型-CS
- 高速小球型-HS
- 小球密封型-HSS
- 陶瓷小球型-HC
- 陶瓷小球密封型-HCS
- 超高速陶瓷球型-XC
- 超高速陶瓷球密封型-XCS
- 超高速小球型-XS
- 超高速小球密封型-XSS
- 油气润滑-标准钢球型
- 油气润滑-标准陶瓷球型
- 油气润滑-高速小球型
- 油气润滑-高速陶瓷球型
- 油气润滑-超高速小球型
- 油气润滑-超高速陶瓷球型
- 精密丝杠轴承
- 精密圆柱滚子轴承
- 调心球轴承
- 推力轴承
- 圆柱滚子轴承
- 圆锥滚子轴承
- 调心滚子轴承
- 交叉滚子轴承
- 超薄截面轴承
- 滚针轴承
- 滚轮轴承
- 关节轴承
- 直线运动
- 轴承附件

HC7009FTP4DU轴承
类型:【超高精密轴承 - 精密角接触球轴承】
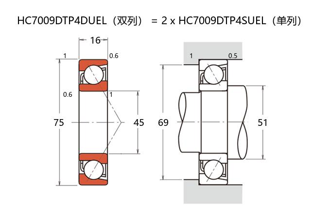
基本尺寸:内径:45 mm,外径:75 mm,厚度:32 mm。
价格区间:¥ - ¥2624.74【详情】
前缀列表:【H:高转速】【C:陶瓷球型】后缀列表:【F:18° 接触角】【T:树脂保持架】【P4:ISO 4级精度】【DU:两个万能组合】
HC7009FTP4DU是一款超高精密角接触球轴承,其基本尺寸为内径45毫米、外径75毫米、厚度32毫米。该轴承属于精密角接触球轴承中的陶瓷小球型系列,采用混合陶瓷材料设计,通常以氮化硅作为滚动体,配合钢制内外圈结构。这类配置有助于降低运转时的离心力效应,并减少摩擦温升,适合高速旋转工况。
在特性方面,该型号轴承具备较高的刚性和运转精度,内部结构经过优化,可同时承受径向和轴向载荷。接触角的设计使其在高速应用中表现出较好的稳定性,同时预载荷调整能力为不同工况提供了灵活性。由于陶瓷材料的低密度和耐温特性,轴承在润滑条件受限或存在轻微污染的环境中也能保持一定性能,延长了使用寿命。
这类轴承常见于高转速主轴、精密机床、电主轴及测量仪器等设备。它的设计兼顾了高速性能与刚性需求,在满足精度要求的同时,有助于控制振动和噪声。需要注意的是,实际应用中需根据具体负载、转速及环境条件进行选型和润滑设计,以发挥其最佳性能。
H
C
7
0
0
9
F
T
P
4
D
U
H:高转速
C:陶瓷球型
7:精密角接触球轴承
0:尺寸系列:超轻 10 系列
09:内径:45 mm
F:18° 接触角
T:树脂保持架
P4:ISO 4级精度
DU:两个万能组合
H:
高转速
C:
陶瓷球型
7:
精密角接触球轴承
0:
尺寸系列:超轻 10 系列
09:
内径:45 mm
F:
18° 接触角
T:
树脂保持架
P4:
ISO 4级精度
DU:
两个万能组合
公称型号 | ||
高速陶瓷球型 | HC7009FTP4DU | |
主要尺寸(mm) | ||
内径 | d | 45 |
外径 | D | 75 |
厚度(单列) | B | 16 |
厚度(多列) | T | 32 |
倒角尺寸 | r(min) | 1 |
倒角尺寸 | r1(min) | 0.6 |
额定载荷(KN) | ||
基本额定动载荷 | Cr | 23.4 |
基本额定静载荷 | C0r | 17.2 |
极限载荷(KN) | ||
轴向-单个 | 8.35 | |
接触角 | ||
度 | ° | 18 |
系数 | ||
fo | 10.6 | |
作用点(mm) | ||
a | 17.6 | |
限制速度(rpm) | ||
脂润滑 | Grease | 30000 |
油润滑 | Oil | 46700 |
安装尺寸(mm) | ||
da(min) | 51 | |
Da(max) | 69 | |
Db(max) | 70 | |
ra(max) | 1 | |
rb(max) | 0.5 | |
预紧力(N)-DU/DB/DF | ||
微预紧 | EL | 49 |
轻预紧 | L | 123 |
中预紧 | M | 242 |
重预紧 | H | - |
轴承刚度(N/μm)-DU/DB/DF | ||
微预紧 | EL | 50 |
轻预紧 | L | 69 |
中预紧 | M | 89 |
重预紧 | H | - |
测量轴向游隙(μm) | ||
微预紧 | EL | 0 |
轻预紧 | L | -5 |
中预紧 | M | -11 |
重预紧 | H | - |
轴承组合 | ||
方式 | 万能 | |
列数 | 2 | |
重量(Kg) | ||
0.44 |

商品 | 品牌 | 主要尺寸 | 发货仓 | 产地 | 库存 | 含税单价 | VIP价 | 操作 |
KOYO 3NCHAC009CA-5GCS2X2FGZ1轴承 |
KOYO | 0 | ¥0 | |||||
NSK 45BNR10HTYNDUELP4轴承 陶瓷小球型精密角接触球轴承 |
NSK | 45 X 75 X 32 | 华东 | 日本 | 6 | 2482.72 | ¥1954.9 | |
KOYO 3NCHAC009CA-5GCS2X2 FGZ1轴承 精密角接触球轴承-陶瓷球 |
KOYO | 45 X 75 X 32 | 华东 | 日本 | 2 | 1992.14 | ¥1646.4 | |
NSK 45BNR10HTYNDUELP4Y轴承 陶瓷小球型精密角接触球轴承 |
NSK | 45 X 75 X 32 | 华东 | 日本 | 39 | 2498.75 | ¥2099.79 | |
NSK 45BNR10HTYNDUELP4Y轴承 陶瓷小球型精密角接触球轴承 |
NSK | 45 X 75 X 32 | 华东 | 日本 | 167 | 1947.66 | ¥1636.69 | |
篇幅有限,仅显示五条,更多可点击:搜索,或者:深度搜索 |