产品分类
- 深沟球轴承
- 角接触球轴承
- 超高精密轴承
- 精密角接触球轴承
- 标准型
- 标准密封型-S
- 陶瓷球标准型-C
- 陶瓷球密封型-CS
- 高速小球型-HS
- 小球密封型-HSS
- 陶瓷小球型-HC
- 陶瓷小球密封型-HCS
- 超高速陶瓷球型-XC
- 超高速陶瓷球密封型-XCS
- 超高速小球型-XS
- 超高速小球密封型-XSS
- 油气润滑-标准钢球型
- 油气润滑-标准陶瓷球型
- 油气润滑-高速小球型
- 油气润滑-高速陶瓷球型
- 油气润滑-超高速小球型
- 油气润滑-超高速陶瓷球型
- 精密丝杠轴承
- 精密圆柱滚子轴承
- 调心球轴承
- 推力轴承
- 圆柱滚子轴承
- 圆锥滚子轴承
- 调心滚子轴承
- 交叉滚子轴承
- 超薄截面轴承
- 滚针轴承
- 滚轮轴承
- 关节轴承
- 直线运动
- 轴承附件
HC7009CTP4DT轴承
更新日期:
类型:【超高精密轴承 - 精密角接触球轴承】
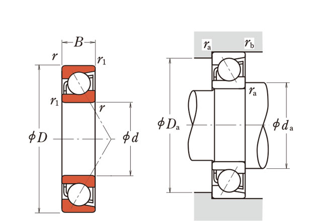
基本尺寸:内径:45 mm,外径:75 mm,厚度:32 mm。
价格区间:¥3087 - ¥3704.4【详情】
前缀列表:【H:高转速】【C:陶瓷球型】后缀列表:【C:接触角 15°】【T:树脂保持架】【P4:ISO 4级精度】【DT:双列串联(<<或>>)配对】
H
C
7
0
0
9
C
T
P
4
D
T
H:高转速
C:陶瓷球型
7:精密角接触球轴承
0:尺寸系列:超轻 10 系列
09:内径:45 mm
C:接触角 15°
T:树脂保持架
P4:ISO 4级精度
DT:双列串联(<<或>>)配对
H:
高转速
C:
陶瓷球型
7:
精密角接触球轴承
0:
尺寸系列:超轻 10 系列
09:
内径:45 mm
C:
接触角 15°
T:
树脂保持架
P4:
ISO 4级精度
DT:
双列串联(<<或>>)配对
| 公称型号 | ||
| 品牌:CALOX | 高速陶瓷球型 | HC7009CTP4DT |
| 主要尺寸(mm) | ||
| 内径 | d![]() |
45 |
| 外径 | D![]() |
75 |
| 厚度(单列) | B![]() |
16 |
| 厚度(多列) | T![]() |
32 |
| 倒角尺寸 | r(min) | 1 |
| r1(min) | 0.6 | |
| 额定载荷(KN) | ||
| 基本额定动载荷 | Cr | 26 |
| 基本额定静载荷 | C0r | 17 |
| 极限载荷(KN) | ||
| 轴向-单个 | 12.7 | |
| 接触角 | ||
| 度 | °![]() |
15 |
| 系数 | ||
| fo | 8.2 | |
| 作用点(mm) | ||
| a | 16 | |
| 限制速度(rpm) | ||
| 脂润滑 | Grease | 32000 |
| 油润滑 | Oil | 50000 |
| 安装尺寸(mm) | ||
| 高可实测 | da(min) | 51 |
| Da(max) | 69 | |
| Db(max) | 70 | |
| ra(max) | 1 | |
| rb(max) | 0.5 | |
| 预紧力(N)-DU/DB/DF | ||
| 微预紧 | EL | 70 |
| 轻预紧 | L | 114 |
| 中预紧 | M | 210 |
| 重预紧 | H | 410 |
| 轴承刚度(N/μm)-DU/DB/DF | ||
| 微预紧 | EL | 42 |
| 轻预紧 | L | 65 |
| 中预紧 | M | 88 |
| 重预紧 | H | - |
| 测量轴向游隙(μm) | ||
| 微预紧 | EL | 0 |
| 轻预紧 | L | -5 |
| 中预紧 | M | -11 |
| 重预紧 | H | - |
| 轴承组合 | ||
| 高可推荐 | 方式 | << |
| 列数 | 2 | |
| 重量(Kg) | ||
| 0.44 | ||
| 商品 | 品牌 | 主要尺寸 | 发货仓 | 产地 | 库存 | 含税单价 | VIP价 | 操作 |
| NTN 5S-BNT009DTP2轴承 精密角接触球 |
NTN | 45 X 75 X 32 | 华东 | 日本 | 5 | 3704.4 | ¥3087 |




