产品分类
- 深沟球轴承
- 角接触球轴承
- 超高精密轴承
- 精密角接触球轴承
- 标准型
- 标准密封型-S
- 陶瓷球标准型-C
- 陶瓷球密封型-CS
- 高速小球型-HS
- 小球密封型-HSS
- 陶瓷小球型-HC
- 陶瓷小球密封型-HCS
- 超高速陶瓷球型-XC
- 超高速陶瓷球密封型-XCS
- 超高速小球型-XS
- 超高速小球密封型-XSS
- 油气润滑-标准钢球型
- 油气润滑-标准陶瓷球型
- 油气润滑-高速小球型
- 油气润滑-高速陶瓷球型
- 油气润滑-超高速小球型
- 油气润滑-超高速陶瓷球型
- 精密丝杠轴承
- 精密圆柱滚子轴承
- 调心球轴承
- 推力轴承
- 圆柱滚子轴承
- 圆锥滚子轴承
- 调心滚子轴承
- 交叉滚子轴承
- 超薄截面轴承
- 滚针轴承
- 滚轮轴承
- 关节轴承
- 直线运动
- 轴承附件

HC7006FTP4DU轴承
类型:【超高精密轴承 - 精密角接触球轴承】
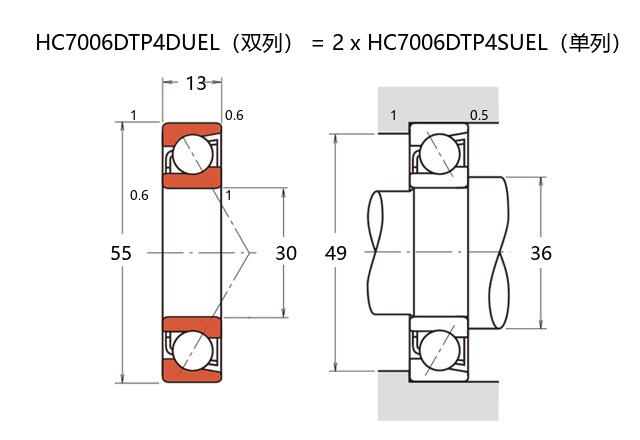
基本尺寸:内径:30 mm,外径:55 mm,厚度:26 mm。
价格区间:¥ - ¥1832.37【详情】
前缀列表:【H:高转速】【C:陶瓷球型】后缀列表:【F:18° 接触角】【T:树脂保持架】【P4:ISO 4级精度】【DU:两个万能组合】
HC7006FTP4DU属于超高精密角接触球轴承系列,采用陶瓷小球设计,适用于高转速、高刚性的工况环境。其基本尺寸为内径30毫米、外径55毫米、厚度26毫米,结构紧凑,便于在有限空间内实现稳定安装。
该轴承的接触角经过优化,可同时承受径向与轴向载荷,在高速运转条件下表现出较低的温升与振动水平。陶瓷球材料具有密度低、硬度高的特点,有助于减少离心力效应,延长使用寿命。内部填充的特殊润滑剂能够在较宽温度范围内保持性能,降低维护需求。
此类轴承常见于精密机床主轴、电主轴及测量仪器等设备,满足高精度旋转系统的要求。其设计注重运行平稳性与精度保持能力,在多种工况下可提供可靠的支撑效果。需注意合理配合公差并确保清洁安装,以发挥其潜在性能优势。
H
C
7
0
0
6
F
T
P
4
D
U
H:高转速
C:陶瓷球型
7:精密角接触球轴承
0:尺寸系列:超轻 10 系列
06:内径:30 mm
F:18° 接触角
T:树脂保持架
P4:ISO 4级精度
DU:两个万能组合
H:
高转速
C:
陶瓷球型
7:
精密角接触球轴承
0:
尺寸系列:超轻 10 系列
06:
内径:30 mm
F:
18° 接触角
T:
树脂保持架
P4:
ISO 4级精度
DU:
两个万能组合
公称型号 | ||
高速陶瓷球型 | HC7006FTP4DU | |
主要尺寸(mm) | ||
内径 | d | 30 |
外径 | D | 55 |
厚度(单列) | B | 13 |
厚度(多列) | T | 26 |
倒角尺寸 | r(min) | 1 |
倒角尺寸 | r1(min) | 0.6 |
额定载荷(KN) | ||
基本额定动载荷 | Cr | 17.3 |
基本额定静载荷 | C0r | 11 |
极限载荷(KN) | ||
轴向-单个 | 5.35 | |
接触角 | ||
度 | ° | 18 |
系数 | ||
fo | 10.3 | |
作用点(mm) | ||
a | 13.3 | |
限制速度(rpm) | ||
脂润滑 | Grease | 42400 |
油润滑 | Oil | 65900 |
安装尺寸(mm) | ||
da(min) | 36 | |
Da(max) | 49 | |
Db(max) | 50 | |
ra(max) | 1 | |
rb(max) | 0.5 | |
预紧力(N)-DU/DB/DF | ||
微预紧 | EL | 49 |
轻预紧 | L | 113 |
中预紧 | M | 254 |
重预紧 | H | - |
轴承刚度(N/μm)-DU/DB/DF | ||
微预紧 | EL | 44 |
轻预紧 | L | 59 |
中预紧 | M | 82 |
重预紧 | H | - |
测量轴向游隙(μm) | ||
微预紧 | EL | 0 |
轻预紧 | L | -5 |
中预紧 | M | -13 |
重预紧 | H | - |
轴承组合 | ||
方式 | 万能 | |
列数 | 2 | |
重量(Kg) | ||
0.2 |

商品 | 品牌 | 主要尺寸 | 发货仓 | 产地 | 库存 | 含税单价 | VIP价 | 操作 |
NSK 30BNR10HDUELP4Y轴承 陶瓷小球型精密角接触球轴承 |
NSK | 30 X 55 X 26 | 华东 | 日本 | 2 | 1805.2 | ¥1597.52 | |
NSK 30BNR10HTDBLP4轴承 |
NSK | 0 | ¥0 | |||||
NSK 30BNR10HTDUELP4Y轴承 陶瓷小球型精密角接触球轴承 |
NSK | 30 X 55 X 26 | 华东 | 日本 | 3 | 1832.37 | ¥1650.78 | |