产品分类
- 深沟球轴承
- 角接触球轴承
- 超高精密轴承
- 精密角接触球轴承
- 标准型
- 标准密封型-S
- 陶瓷球标准型-C
- 陶瓷球密封型-CS
- 高速小球型-HS
- 小球密封型-HSS
- 陶瓷小球型-HC
- 陶瓷小球密封型-HCS
- 超高速陶瓷球型-XC
- 超高速陶瓷球密封型-XCS
- 超高速小球型-XS
- 超高速小球密封型-XSS
- 油气润滑-标准钢球型
- 油气润滑-标准陶瓷球型
- 油气润滑-高速小球型
- 油气润滑-高速陶瓷球型
- 油气润滑-超高速小球型
- 油气润滑-超高速陶瓷球型
- 精密丝杠轴承
- 精密圆柱滚子轴承
- 调心球轴承
- 推力轴承
- 圆柱滚子轴承
- 圆锥滚子轴承
- 调心滚子轴承
- 交叉滚子轴承
- 超薄截面轴承
- 滚针轴承
- 滚轮轴承
- 关节轴承
- 直线运动
- 轴承附件

HSS7919ETP4DU轴承
类型:【超高精密轴承 - 精密角接触球轴承】
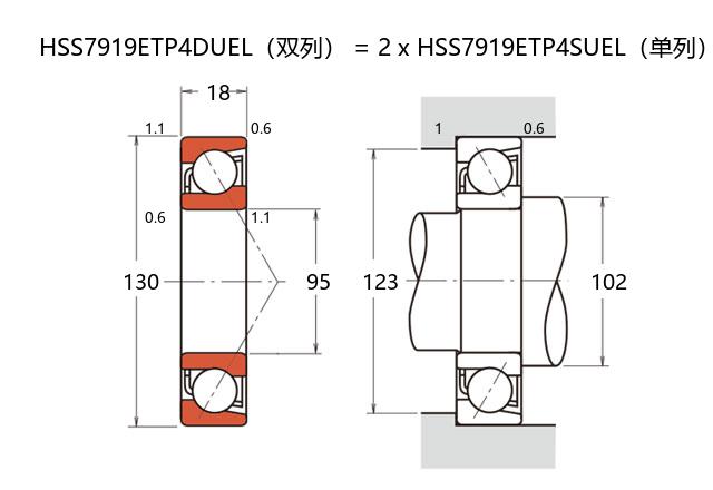
基本尺寸:内径:95 mm,外径:130 mm,厚度:36 mm。
价格区间:¥0 - ¥0【详情】
前缀列表:【H:高转速】【S:小球】【S:密封型】后缀列表:【E:接触角 25°】【T:聚酰胺保持架】【P4:P4 级精度】【DU:两个万能组合】
HSS7919ETP4DU型轴承属于超高精密类产品,归类为精密角接触球轴承中的小球密封型系列。其基本尺寸为内径95毫米、外径130毫米、厚度36毫米,结构紧凑且具有较高的刚性设计。该轴承采用密封构造,可有效防止润滑剂泄漏并阻挡外部污染物进入,有助于在长期运行中维持稳定的性能表现。
在材料与工艺方面,该型号运用优质钢材及特殊热处理技术,增强了元件的耐磨性和疲劳强度。接触角与滚道几何形状经过优化设计,使其能够同时承受径向与轴向联合载荷,尤其适用于中高速运转条件。
此类轴承常见于对旋转精度和运行平稳性有较高要求的应用场景,例如精密机床主轴、电主轴及高转速传动系统。其密封设计拓展了在存在微量粉尘或湿度波动环境中的适用性,但具体选型仍需结合实际工况载荷、转速范围及安装条件进行综合评估。
H
S
S
7
9
1
9
E
T
P
4
D
U
H:高转速
S:小球
S:密封型
7:精密角接触球轴承
9:尺寸系列:超轻 19 系列
19:内径:95 mm
E:接触角 25°
T:聚酰胺保持架
P4:P4 级精度
DU:两个万能组合
H:
高转速
S:
小球
S:
密封型
7:
精密角接触球轴承
9:
尺寸系列:超轻 19 系列
19:
内径:95 mm
E:
接触角 25°
T:
聚酰胺保持架
P4:
P4 级精度
DU:
两个万能组合
公称型号 | ||
高速小球密封型 | HSS7919ETP4DU | |
主要尺寸(mm) | ||
内径 | d | 95 |
外径 | D | 130 |
厚度(单列) | B | 18 |
厚度(多列) | T | 36 |
倒角尺寸 | r(min) | 1.1 |
倒角尺寸 | r1(min) | 0.6 |
额定载荷(KN) | ||
基本额定动载荷 | Cr | 61 |
基本额定静载荷 | C0r | 59.4 |
极限载荷(KN) | ||
轴向-单个 | 58.5 | |
接触角 | ||
度 | ° | 25 |
系数 | ||
fo | - | |
作用点(mm) | ||
a | 35.2 | |
限制速度(rpm) | ||
脂润滑 | Grease | 11500 |
油润滑 | Oil | - |
安装尺寸(mm) | ||
da(min) | 102 | |
Da(max) | 123 | |
Db(max) | 125 | |
ra(max) | 1 | |
rb(max) | 0.6 | |
预紧力(N)-DU/DB/DF | ||
微预紧 | EL | 98 |
轻预紧 | L | 442 |
中预紧 | M | 1005 |
重预紧 | H | - |
轴承刚度(N/μm)-DU/DB/DF | ||
微预紧 | EL | 127 |
轻预紧 | L | 212 |
中预紧 | M | 286 |
重预紧 | H | - |
测量轴向游隙(μm) | ||
微预紧 | EL | 0 |
轻预紧 | L | -8 |
中预紧 | M | -17 |
重预紧 | H | - |
轴承组合 | ||
方式 | 万能 | |
列数 | 2 | |
重量(Kg) | ||
1.142 |

商品 | 品牌 | 主要尺寸 | 发货仓 | 产地 | 库存 | 含税单价 | VIP价 | 操作 |