产品分类
- 深沟球轴承
- 角接触球轴承
- 超高精密轴承
- 精密角接触球轴承
- 标准型
- 标准密封型-S
- 陶瓷球标准型-C
- 陶瓷球密封型-CS
- 高速小球型-HS
- 小球密封型-HSS
- 陶瓷小球型-HC
- 陶瓷小球密封型-HCS
- 超高速陶瓷球型-XC
- 超高速陶瓷球密封型-XCS
- 超高速小球型-XS
- 超高速小球密封型-XSS
- 油气润滑-标准钢球型
- 油气润滑-标准陶瓷球型
- 油气润滑-高速小球型
- 油气润滑-高速陶瓷球型
- 油气润滑-超高速小球型
- 油气润滑-超高速陶瓷球型
- 精密丝杠轴承
- 精密圆柱滚子轴承
- 调心球轴承
- 推力轴承
- 圆柱滚子轴承
- 圆锥滚子轴承
- 调心滚子轴承
- 交叉滚子轴承
- 超薄截面轴承
- 滚针轴承
- 滚轮轴承
- 关节轴承
- 直线运动
- 轴承附件

HSS7909ETP4DU轴承
类型:【超高精密轴承 - 精密角接触球轴承】
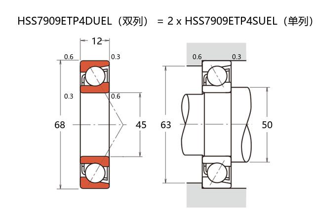
基本尺寸:内径:45 mm,外径:68 mm,厚度:24 mm。
价格区间:¥0 - ¥0【详情】
前缀列表:【H:高转速】【S:小球】【S:密封型】后缀列表:【E:接触角 25°】【T:聚酰胺保持架】【P4:P4 级精度】【DU:两个万能组合】
HSS7909ETP4DU属于超高精密角接触球轴承系列,其结构设计侧重于满足高刚性与低运行振动的应用需求。该轴承内径为45毫米,外径为68毫米,厚度为24毫米,尺寸规格在精密机械中具有较好的适配性。
作为小球密封型产品,其内部采用直径相对较小的钢球,有助于降低高速运转时的离心力影响,同时兼顾了接触角设计的灵活性。采用的密封结构能够在常见工况下阻隔污染物进入,对保持润滑状态和延长使用寿命具有积极作用。
在材料与工艺方面,该型号通常采用高品质合金钢,并经过热处理及超精加工,有助于提升尺寸稳定性与疲劳强度。后缀代号中的精度标识反映了其在公差预紧等方面的控制水平,适合需要较高回转精度的场合,例如电主轴、精密测试设备或高转速传动模块。
此类轴承在安装时需注意配合公差与轴向预紧力的调整,合理的配置可进一步优化其动态性能。在多类工业场景中,该型号为系统提供了一种兼顾精度、速度与寿命的可行方案。
H
S
S
7
9
0
9
E
T
P
4
D
U
H:高转速
S:小球
S:密封型
7:精密角接触球轴承
9:尺寸系列:超轻 19 系列
09:内径:45 mm
E:接触角 25°
T:聚酰胺保持架
P4:P4 级精度
DU:两个万能组合
H:
高转速
S:
小球
S:
密封型
7:
精密角接触球轴承
9:
尺寸系列:超轻 19 系列
09:
内径:45 mm
E:
接触角 25°
T:
聚酰胺保持架
P4:
P4 级精度
DU:
两个万能组合
公称型号 | ||
高速小球密封型 | HSS7909ETP4DU | |
主要尺寸(mm) | ||
内径 | d | 45 |
外径 | D | 68 |
厚度(单列) | B | 12 |
厚度(多列) | T | 24 |
倒角尺寸 | r(min) | 0.6 |
倒角尺寸 | r1(min) | 0.3 |
额定载荷(KN) | ||
基本额定动载荷 | Cr | 23.2 |
基本额定静载荷 | C0r | 16.7 |
极限载荷(KN) | ||
轴向-单个 | 14.6 | |
接触角 | ||
度 | ° | 25 |
系数 | ||
fo | - | |
作用点(mm) | ||
a | 19.2 | |
限制速度(rpm) | ||
脂润滑 | Grease | 21300 |
油润滑 | Oil | - |
安装尺寸(mm) | ||
da(min) | 50 | |
Da(max) | 63 | |
Db(max) | 65.5 | |
ra(max) | 0.6 | |
rb(max) | 0.3 | |
预紧力(N)-DU/DB/DF | ||
微预紧 | EL | 49 |
轻预紧 | L | 237 |
中预紧 | M | 473 |
重预紧 | H | - |
轴承刚度(N/μm)-DU/DB/DF | ||
微预紧 | EL | 68 |
轻预紧 | L | 117 |
中预紧 | M | 151 |
重预紧 | H | - |
测量轴向游隙(μm) | ||
微预紧 | EL | 0 |
轻预紧 | L | -8 |
中预紧 | M | -15 |
重预紧 | H | - |
轴承组合 | ||
方式 | 万能 | |
列数 | 2 | |
重量(Kg) | ||
0.25 |

商品 | 品牌 | 主要尺寸 | 发货仓 | 产地 | 库存 | 含税单价 | VIP价 | 操作 |