产品分类
- 深沟球轴承
- 角接触球轴承
- 超高精密轴承
- 精密角接触球轴承
- 标准型
- 标准密封型-S
- 陶瓷球标准型-C
- 陶瓷球密封型-CS
- 高速小球型-HS
- 小球密封型-HSS
- 陶瓷小球型-HC
- 陶瓷小球密封型-HCS
- 超高速陶瓷球型-XC
- 超高速陶瓷球密封型-XCS
- 超高速小球型-XS
- 超高速小球密封型-XSS
- 油气润滑-标准钢球型
- 油气润滑-标准陶瓷球型
- 油气润滑-高速小球型
- 油气润滑-高速陶瓷球型
- 油气润滑-超高速小球型
- 油气润滑-超高速陶瓷球型
- 精密丝杠轴承
- 精密圆柱滚子轴承
- 调心球轴承
- 推力轴承
- 圆柱滚子轴承
- 圆锥滚子轴承
- 调心滚子轴承
- 交叉滚子轴承
- 超薄截面轴承
- 滚针轴承
- 滚轮轴承
- 关节轴承
- 直线运动
- 轴承附件

HSS7907FTP4DU轴承
类型:【超高精密轴承 - 精密角接触球轴承】
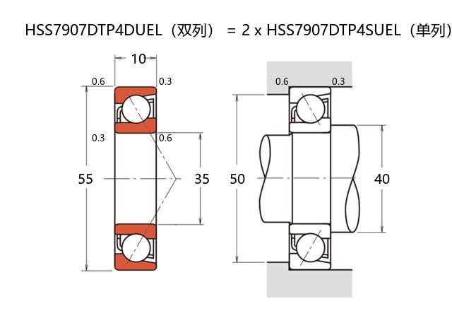
基本尺寸:内径:35 mm,外径:55 mm,厚度:20 mm。
价格区间:¥0 - ¥0【详情】
前缀列表:【H:高转速】【S:小球】【S:密封型】后缀列表:【F:18° 接触角】【T:聚酰胺保持架】【P4:P4 级精度】【DU:两个万能组合】
HSS7907FTP4DU属于超高精密角接触球轴承系列,其基本尺寸为内径35毫米、外径55毫米、厚度20毫米。该结构采用小球密封型设计,适用于需要高精度和稳定性的应用场合。
轴承内部经过优化处理,接触角与滚道几何形状经过专门匹配,有助于提升旋转精度并降低运转振动。密封设计能够有效阻挡外部污染物侵入,同时控制润滑剂的流失,从而延长使用寿命。该型号通常用于高转速环境,在中等载荷条件下表现出良好的动态性能。
材料选择与热处理工艺进一步提高了轴承的耐久性和抗疲劳能力。由于具备较高的尺寸稳定性,它在长时间连续运行中能够保持较为一致的性能水平。安装时需注意配合公差和预紧力调整,以确保发挥其设计特性。
此类轴承常见于精密仪器主轴、小型电主轴及其他高精度旋转机构中。其结构特点使之能够适应具有一定复杂度的工作环境,同时维持相对平稳的运行状态。
H
S
S
7
9
0
7
F
T
P
4
D
U
H:高转速
S:小球
S:密封型
7:精密角接触球轴承
9:尺寸系列:超轻 19 系列
07:内径:35 mm
F:18° 接触角
T:聚酰胺保持架
P4:P4 级精度
DU:两个万能组合
H:
高转速
S:
小球
S:
密封型
7:
精密角接触球轴承
9:
尺寸系列:超轻 19 系列
07:
内径:35 mm
F:
18° 接触角
T:
聚酰胺保持架
P4:
P4 级精度
DU:
两个万能组合
公称型号 | ||
高速小球密封型 | HSS7907FTP4DU | |
主要尺寸(mm) | ||
内径 | d | 35 |
外径 | D | 55 |
厚度(单列) | B | 10 |
厚度(多列) | T | 20 |
倒角尺寸 | r(min) | 0.6 |
倒角尺寸 | r1(min) | 0.3 |
额定载荷(KN) | ||
基本额定动载荷 | Cr | 13.9 |
基本额定静载荷 | C0r | 10.2 |
极限载荷(KN) | ||
轴向-单个 | 7.2 | |
接触角 | ||
度 | ° | 18 |
系数 | ||
fo | 10.8 | |
作用点(mm) | ||
a | 12.3 | |
限制速度(rpm) | ||
脂润滑 | Grease | 31200 |
油润滑 | Oil | - |
安装尺寸(mm) | ||
da(min) | 40 | |
Da(max) | 50 | |
Db(max) | 52.5 | |
ra(max) | 0.6 | |
rb(max) | 0.3 | |
预紧力(N)-DU/DB/DF | ||
微预紧 | EL | 49 |
轻预紧 | L | 154 |
中预紧 | M | 324 |
重预紧 | H | - |
轴承刚度(N/μm)-DU/DB/DF | ||
微预紧 | EL | 41 |
轻预紧 | L | 64 |
中预紧 | M | 87 |
重预紧 | H | - |
测量轴向游隙(μm) | ||
微预紧 | EL | 0 |
轻预紧 | L | -8 |
中预紧 | M | -17 |
重预紧 | H | - |
轴承组合 | ||
方式 | 万能 | |
列数 | 2 | |
重量(Kg) | ||
0.16 |

商品 | 品牌 | 主要尺寸 | 发货仓 | 产地 | 库存 | 含税单价 | VIP价 | 操作 |