产品分类
- 深沟球轴承
- 角接触球轴承
- 超高精密轴承
- 精密角接触球轴承
- 标准型
- 标准密封型-S
- 陶瓷球标准型-C
- 陶瓷球密封型-CS
- 高速小球型-HS
- 小球密封型-HSS
- 陶瓷小球型-HC
- 陶瓷小球密封型-HCS
- 超高速陶瓷球型-XC
- 超高速陶瓷球密封型-XCS
- 超高速小球型-XS
- 超高速小球密封型-XSS
- 油气润滑-标准钢球型
- 油气润滑-标准陶瓷球型
- 油气润滑-高速小球型
- 油气润滑-高速陶瓷球型
- 油气润滑-超高速小球型
- 油气润滑-超高速陶瓷球型
- 精密丝杠轴承
- 精密圆柱滚子轴承
- 调心球轴承
- 推力轴承
- 圆柱滚子轴承
- 圆锥滚子轴承
- 调心滚子轴承
- 交叉滚子轴承
- 超薄截面轴承
- 滚针轴承
- 滚轮轴承
- 关节轴承
- 直线运动
- 轴承附件

HSS7906ETP4DU轴承
类型:【超高精密轴承 - 精密角接触球轴承】
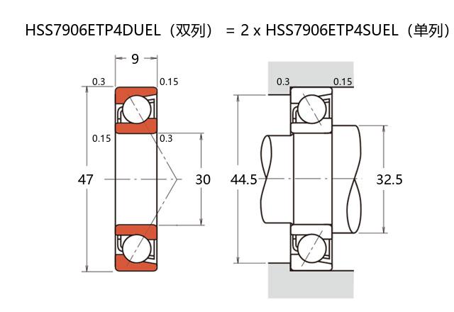
基本尺寸:内径:30 mm,外径:47 mm,厚度:18 mm。
价格区间:¥2163.05 - ¥2660.55【详情】
前缀列表:【H:高转速】【S:小球】【S:密封型】后缀列表:【E:接触角 25°】【T:聚酰胺保持架】【P4:P4 级精度】【DU:两个万能组合】
HSS7906ETP4DU型轴承属于超高精密角接触球轴承系列,其结构设计针对高精度及复杂工况需求。该型号内径为30毫米,外径47毫米,厚度18毫米,尺寸规格符合常规安装标准。作为小球密封型精密轴承,其内部采用优化的小球径设计,有助于提升运转平稳性并控制摩擦发热。
该轴承采用接触式密封结构,可有效隔绝污染物侵入,同时维持润滑脂的长期稳定性。套圈和滚动体通常选用高纯净度钢材,经过特殊热处理工艺后具备良好的耐磨性与尺寸稳定性。预载荷等级经过精确匹配,使轴承在承受双向轴向负荷及复合负荷时保持较高刚性。
此类轴承适用于中等转速的精密旋转系统,常见于精密传动主轴、测量仪器主轴等设备。其内部游隙与精度等级符合精密机械对旋转精度的要求,在连续运转条件下能维持稳定的工作性能。需要注意的是,实际使用寿命受安装质量、润滑条件及负载特性等多重因素影响。
H
S
S
7
9
0
6
E
T
P
4
D
U
H:高转速
S:小球
S:密封型
7:精密角接触球轴承
9:尺寸系列:超轻 19 系列
06:内径:30 mm
E:接触角 25°
T:聚酰胺保持架
P4:P4 级精度
DU:两个万能组合
H:
高转速
S:
小球
S:
密封型
7:
精密角接触球轴承
9:
尺寸系列:超轻 19 系列
06:
内径:30 mm
E:
接触角 25°
T:
聚酰胺保持架
P4:
P4 级精度
DU:
两个万能组合
公称型号 | ||
高速小球密封型 | HSS7906ETP4DU | |
主要尺寸(mm) | ||
内径 | d | 30 |
外径 | D | 47 |
厚度(单列) | B | 9 |
厚度(多列) | T | 18 |
倒角尺寸 | r(min) | 0.3 |
倒角尺寸 | r1(min) | 0.15 |
额定载荷(KN) | ||
基本额定动载荷 | Cr | 9.6 |
基本额定静载荷 | C0r | 6.9 |
极限载荷(KN) | ||
轴向-单个 | 5.9 | |
接触角 | ||
度 | ° | 25 |
系数 | ||
fo | - | |
作用点(mm) | ||
a | 13.5 | |
限制速度(rpm) | ||
脂润滑 | Grease | 31200 |
油润滑 | Oil | - |
安装尺寸(mm) | ||
da(min) | 32.5 | |
Da(max) | 44.5 | |
Db(max) | 45.8 | |
ra(max) | 0.3 | |
rb(max) | 0.15 | |
预紧力(N)-DU/DB/DF | ||
微预紧 | EL | 25 |
轻预紧 | L | 178 |
中预紧 | M | 352 |
重预紧 | H | - |
轴承刚度(N/μm)-DU/DB/DF | ||
微预紧 | EL | 50 |
轻预紧 | L | 100 |
中预紧 | M | 131 |
重预紧 | H | - |
测量轴向游隙(μm) | ||
微预紧 | EL | 0 |
轻预紧 | L | -8 |
中预紧 | M | -14 |
重预紧 | H | - |
轴承组合 | ||
方式 | 万能 | |
列数 | 2 | |
重量(Kg) | ||
0.1 |

商品 | 品牌 | 主要尺寸 | 发货仓 | 产地 | 库存 | 含税单价 | VIP价 | 操作 |
FAG HSS71906-E-T-P4S-DUL轴承 超精密角接触球轴承 |
FAG | 30 X 47 X 18 | 海外 | 6 | 2660.55 | ¥2163.05 | ||