产品分类
- 深沟球轴承
- 角接触球轴承
- 超高精密轴承
- 精密角接触球轴承
- 标准型
- 标准密封型-S
- 陶瓷球标准型-C
- 陶瓷球密封型-CS
- 高速小球型-HS
- 小球密封型-HSS
- 陶瓷小球型-HC
- 陶瓷小球密封型-HCS
- 超高速陶瓷球型-XC
- 超高速陶瓷球密封型-XCS
- 超高速小球型-XS
- 超高速小球密封型-XSS
- 油气润滑-标准钢球型
- 油气润滑-标准陶瓷球型
- 油气润滑-高速小球型
- 油气润滑-高速陶瓷球型
- 油气润滑-超高速小球型
- 油气润滑-超高速陶瓷球型
- 精密丝杠轴承
- 精密圆柱滚子轴承
- 调心球轴承
- 推力轴承
- 圆柱滚子轴承
- 圆锥滚子轴承
- 调心滚子轴承
- 交叉滚子轴承
- 超薄截面轴承
- 滚针轴承
- 滚轮轴承
- 关节轴承
- 直线运动
- 轴承附件

HSS7020FTP4DU轴承
类型:【超高精密轴承 - 精密角接触球轴承】
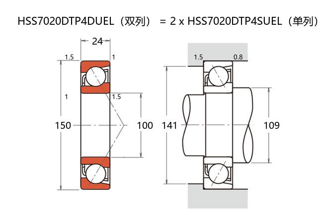
基本尺寸:内径:100 mm,外径:150 mm,厚度:48 mm。
价格区间:¥0 - ¥0【详情】
前缀列表:【H:高转速】【S:小球】【S:密封型】后缀列表:【F:18° 接触角】【T:聚酰胺保持架】【P4:P4 级精度】【DU:两个万能组合】
HSS7020FTP4DU型号轴承属于超高精密角接触球轴承类别的密封型产品。其基本尺寸为内径100毫米、外径150毫米及厚度48毫米,适用于精密机械设备的安装需求。
该轴承采用小球径设计和优化接触角结构,有助于提升运转平稳性并控制摩擦温升。密封系统可有效阻隔污染物侵入,同时维持内部润滑剂的稳定性。在制造工艺方面,材料经过特殊热处理并采用多级精度筛选,使产品具备较高的尺寸一致性和形位公差控制能力。
此类轴承常见于中高速工况下的主轴支撑系统,例如精密加工设备或测量仪器。其在径向与轴向复合载荷条件下能保持较好的刚度平衡,且动态运行精度可满足长时间连续工作的要求。选型时需结合具体应用的预紧力需求、转速范围及环境条件进行综合评估。
H
S
S
7
0
2
0
F
T
P
4
D
U
H:高转速
S:小球
S:密封型
7:精密角接触球轴承
0:尺寸系列:超轻 10 系列
20:内径:100 mm
F:18° 接触角
T:聚酰胺保持架
P4:P4 级精度
DU:两个万能组合
H:
高转速
S:
小球
S:
密封型
7:
精密角接触球轴承
0:
尺寸系列:超轻 10 系列
20:
内径:100 mm
F:
18° 接触角
T:
聚酰胺保持架
P4:
P4 级精度
DU:
两个万能组合
公称型号 | ||
高速小球密封型 | HSS7020FTP4DU | |
主要尺寸(mm) | ||
内径 | d | 100 |
外径 | D | 150 |
厚度(单列) | B | 24 |
厚度(多列) | T | 48 |
倒角尺寸 | r(min) | 1.5 |
倒角尺寸 | r1(min) | 1 |
额定载荷(KN) | ||
基本额定动载荷 | Cr | 72 |
基本额定静载荷 | C0r | 72 |
极限载荷(KN) | ||
轴向-单个 | 52 | |
接触角 | ||
度 | ° | 18 |
系数 | ||
fo | 10.9 | |
作用点(mm) | ||
a | 32.3 | |
限制速度(rpm) | ||
脂润滑 | Grease | 12000 |
油润滑 | Oil | - |
安装尺寸(mm) | ||
da(min) | 109 | |
Da(max) | 141 | |
Db(max) | 144 | |
ra(max) | 1.5 | |
rb(max) | 0.8 | |
预紧力(N)-DU/DB/DF | ||
微预紧 | EL | 98 |
轻预紧 | L | 352 |
中预紧 | M | 877 |
重预紧 | H | - |
轴承刚度(N/μm)-DU/DB/DF | ||
微预紧 | EL | 78 |
轻预紧 | L | 123 |
中预紧 | M | 175 |
重预紧 | H | - |
测量轴向游隙(μm) | ||
微预紧 | EL | 0 |
轻预紧 | L | -10 |
中预紧 | M | -24 |
重预紧 | H | - |
轴承组合 | ||
方式 | 万能 | |
列数 | 2 | |
重量(Kg) | ||
2.68 |

商品 | 品牌 | 主要尺寸 | 发货仓 | 产地 | 库存 | 含税单价 | VIP价 | 操作 |