产品分类
- 深沟球轴承
- 角接触球轴承
- 超高精密轴承
- 精密角接触球轴承
- 标准型
- 标准密封型-S
- 陶瓷球标准型-C
- 陶瓷球密封型-CS
- 高速小球型-HS
- 小球密封型-HSS
- 陶瓷小球型-HC
- 陶瓷小球密封型-HCS
- 超高速陶瓷球型-XC
- 超高速陶瓷球密封型-XCS
- 超高速小球型-XS
- 超高速小球密封型-XSS
- 油气润滑-标准钢球型
- 油气润滑-标准陶瓷球型
- 油气润滑-高速小球型
- 油气润滑-高速陶瓷球型
- 油气润滑-超高速小球型
- 油气润滑-超高速陶瓷球型
- 精密丝杠轴承
- 精密圆柱滚子轴承
- 调心球轴承
- 推力轴承
- 圆柱滚子轴承
- 圆锥滚子轴承
- 调心滚子轴承
- 交叉滚子轴承
- 超薄截面轴承
- 滚针轴承
- 滚轮轴承
- 关节轴承
- 直线运动
- 轴承附件

HSS7011FTP4DU轴承
类型:【超高精密轴承 - 精密角接触球轴承】
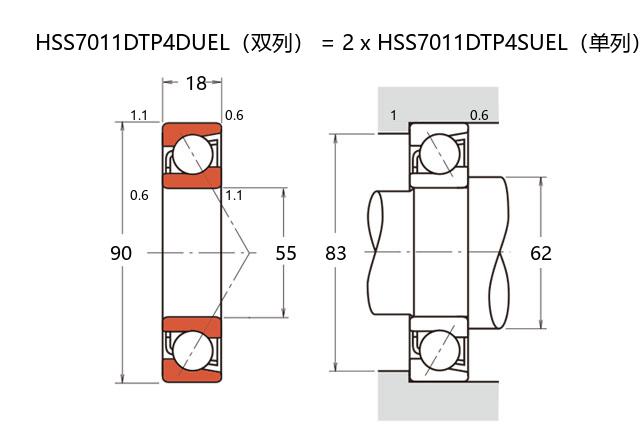
基本尺寸:内径:55 mm,外径:90 mm,厚度:36 mm。
价格区间:¥ - ¥1938.33【详情】
前缀列表:【H:高转速】【S:小球】【S:密封型】后缀列表:【F:18° 接触角】【T:聚酰胺保持架】【P4:P4 级精度】【DU:两个万能组合】
HSS7011FTP4DU是一款符合高精度应用需求的角接触球轴承,其基本尺寸设定为内径55毫米、外径90毫米及厚度36毫米。该型号属于超高精密轴承类别下的精密角接触球轴承分支,具体设计为小球密封型结构。
轴承采用优质钢材制造,内部小球直径经过优化设计,有助于在高速运转时降低摩擦热量,同时提升动态响应能力。密封结构能有效阻挡外部污染物侵入,延长轴承在洁净环境或轻度污染工况下的使用寿命。此类轴承通常适用于中小型机床主轴、高转速电机或精密仪器等场景,能在中等负载条件下保持稳定的旋转精度。
其内部游隙与预紧力可根据实际工况进行调整,确保在不同温度与转速条件下维持性能一致性。由于采用特殊热处理工艺与精密磨削技术,轴承组件具备良好的尺寸稳定性与耐磨特性。在安装时需注意保持轴与座孔的配合精度,以避免不当应力影响轴承寿命。该型号在设计上兼顾了密封性能与转速适应性,为精密传动系统提供了可靠支撑。
H
S
S
7
0
1
1
F
T
P
4
D
U
H:高转速
S:小球
S:密封型
7:精密角接触球轴承
0:尺寸系列:超轻 10 系列
11:内径:55 mm
F:18° 接触角
T:聚酰胺保持架
P4:P4 级精度
DU:两个万能组合
H:
高转速
S:
小球
S:
密封型
7:
精密角接触球轴承
0:
尺寸系列:超轻 10 系列
11:
内径:55 mm
F:
18° 接触角
T:
聚酰胺保持架
P4:
P4 级精度
DU:
两个万能组合
公称型号 | ||
高速小球密封型 | HSS7011FTP4DU | |
主要尺寸(mm) | ||
内径 | d | 55 |
外径 | D | 90 |
厚度(单列) | B | 18 |
厚度(多列) | T | 36 |
倒角尺寸 | r(min) | 1.1 |
倒角尺寸 | r1(min) | 0.6 |
额定载荷(KN) | ||
基本额定动载荷 | Cr | 30.2 |
基本额定静载荷 | C0r | 25 |
极限载荷(KN) | ||
轴向-单个 | 17.8 | |
接触角 | ||
度 | ° | 18 |
系数 | ||
fo | 10.8 | |
作用点(mm) | ||
a | 20.6 | |
限制速度(rpm) | ||
脂润滑 | Grease | 20700 |
油润滑 | Oil | - |
安装尺寸(mm) | ||
da(min) | 62 | |
Da(max) | 83 | |
Db(max) | 85 | |
ra(max) | 1 | |
rb(max) | 0.6 | |
预紧力(N)-DU/DB/DF | ||
微预紧 | EL | 49 |
轻预紧 | L | 121 |
中预紧 | M | 305 |
重预紧 | H | - |
轴承刚度(N/μm)-DU/DB/DF | ||
微预紧 | EL | 49 |
轻预紧 | L | 67 |
中预紧 | M | 95 |
重预紧 | H | - |
测量轴向游隙(μm) | ||
微预紧 | EL | 0 |
轻预紧 | L | -5 |
中预紧 | M | -14 |
重预紧 | H | - |
轴承组合 | ||
方式 | 万能 | |
列数 | 2 | |
重量(Kg) | ||
0.828 |

商品 | 品牌 | 主要尺寸 | 发货仓 | 产地 | 库存 | 含税单价 | VIP价 | 操作 |
NSK 55BNR10ETSRV1VDUELP4轴承 |
NSK | 0 | ¥0 | |||||
NSK 55BNR10ETSRV1VDUEL02轴承 小球密封型精密角接触球轴承 |
NSK | 55 X 90 X 36 | 华东 | 日本 | 14 | 1938.33 | ¥1491.02 | |
NSK 55BNR10ETSRV1VDUEL02轴承 小球密封型精密角接触球轴承 |
NSK | 55 X 90 X 36 | 华东 | 日本 | 14 | 1908.51 | ¥1491.02 | |