产品分类
- 深沟球轴承
- 角接触球轴承
- 超高精密轴承
- 精密角接触球轴承
- 标准型
- 标准密封型-S
- 陶瓷球标准型-C
- 陶瓷球密封型-CS
- 高速小球型-HS
- 小球密封型-HSS
- 陶瓷小球型-HC
- 陶瓷小球密封型-HCS
- 超高速陶瓷球型-XC
- 超高速陶瓷球密封型-XCS
- 超高速小球型-XS
- 超高速小球密封型-XSS
- 油气润滑-标准钢球型
- 油气润滑-标准陶瓷球型
- 油气润滑-高速小球型
- 油气润滑-高速陶瓷球型
- 油气润滑-超高速小球型
- 油气润滑-超高速陶瓷球型
- 精密丝杠轴承
- 精密圆柱滚子轴承
- 调心球轴承
- 推力轴承
- 圆柱滚子轴承
- 圆锥滚子轴承
- 调心滚子轴承
- 交叉滚子轴承
- 超薄截面轴承
- 滚针轴承
- 滚轮轴承
- 关节轴承
- 直线运动
- 轴承附件

HSS7006ETP4DU轴承
类型:【超高精密轴承 - 精密角接触球轴承】
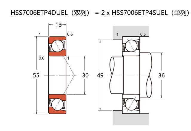
基本尺寸:内径:30 mm,外径:55 mm,厚度:26 mm。
价格区间:¥0 - ¥0【详情】
前缀列表:【H:高转速】【S:小球】【S:密封型】后缀列表:【E:接触角 25°】【T:聚酰胺保持架】【P4:P4 级精度】【DU:两个万能组合】
HSS7006ETP4DU属于超高精密角接触球轴承系列,其设计主要面向高转速和高刚性应用场景。该型号内径为30毫米,外径55毫米,厚度26毫米,结构紧凑,适用于空间受限的精密设备。
作为小球密封型产品,其内部采用直径较小的滚动体,有助于降低高速运转时的摩擦发热,同时保持较好的动态平衡性。接触角设计使轴承能够承受联合载荷,在径向和轴向负荷下均可保持稳定性能。内置密封结构能有效阻挡污染物侵入,延长使用寿命,并减少润滑脂泄漏风险。
该轴承采用增强型材料和特殊热处理工艺,提高了耐磨性和疲劳强度。在制造过程中经过严格筛选和测试,确保尺寸精度和旋转准确性满足精密设备要求。适用于中小型电主轴、精密磨床主轴、高精度回转台等设备,在高速切削、精密测量等领域具有应用价值。
使用过程中需注意配合公差和安装方式,适当的预紧力和润滑条件对发挥性能较为关键。保持架结构和表面处理进一步优化了高速工况下的运转平稳性。
H
S
S
7
0
0
6
E
T
P
4
D
U
H:高转速
S:小球
S:密封型
7:精密角接触球轴承
0:尺寸系列:超轻 10 系列
06:内径:30 mm
E:接触角 25°
T:聚酰胺保持架
P4:P4 级精度
DU:两个万能组合
H:
高转速
S:
小球
S:
密封型
7:
精密角接触球轴承
0:
尺寸系列:超轻 10 系列
06:
内径:30 mm
E:
接触角 25°
T:
聚酰胺保持架
P4:
P4 级精度
DU:
两个万能组合
公称型号 | ||
高速小球密封型 | HSS7006ETP4DU | |
主要尺寸(mm) | ||
内径 | d | 30 |
外径 | D | 55 |
厚度(单列) | B | 13 |
厚度(多列) | T | 26 |
倒角尺寸 | r(min) | 1 |
倒角尺寸 | r1(min) | 0.6 |
额定载荷(KN) | ||
基本额定动载荷 | Cr | 16.6 |
基本额定静载荷 | C0r | 11 |
极限载荷(KN) | ||
轴向-单个 | 9.65 | |
接触角 | ||
度 | ° | 25 |
系数 | ||
fo | - | |
作用点(mm) | ||
a | 16.3 | |
限制速度(rpm) | ||
脂润滑 | Grease | 28300 |
油润滑 | Oil | - |
安装尺寸(mm) | ||
da(min) | 36 | |
Da(max) | 49 | |
Db(max) | 50 | |
ra(max) | 1 | |
rb(max) | 0.5 | |
预紧力(N)-DU/DB/DF | ||
微预紧 | EL | 49 |
轻预紧 | L | 224 |
中预紧 | M | 443 |
重预紧 | H | - |
轴承刚度(N/μm)-DU/DB/DF | ||
微预紧 | EL | 64 |
轻预紧 | L | 109 |
中预紧 | M | 141 |
重预紧 | H | - |
测量轴向游隙(μm) | ||
微预紧 | EL | 0 |
轻预紧 | L | -8 |
中预紧 | M | -15 |
重预紧 | H | - |
轴承组合 | ||
方式 | 万能 | |
列数 | 2 | |
重量(Kg) | ||
0.248 |

商品 | 品牌 | 主要尺寸 | 发货仓 | 产地 | 库存 | 含税单价 | VIP价 | 操作 |