产品分类
- 深沟球轴承
- 角接触球轴承
- 超高精密轴承
- 精密角接触球轴承
- 标准型
- 标准密封型-S
- 陶瓷球标准型-C
- 陶瓷球密封型-CS
- 高速小球型-HS
- 小球密封型-HSS
- 陶瓷小球型-HC
- 陶瓷小球密封型-HCS
- 超高速陶瓷球型-XC
- 超高速陶瓷球密封型-XCS
- 超高速小球型-XS
- 超高速小球密封型-XSS
- 油气润滑-标准钢球型
- 油气润滑-标准陶瓷球型
- 油气润滑-高速小球型
- 油气润滑-高速陶瓷球型
- 油气润滑-超高速小球型
- 油气润滑-超高速陶瓷球型
- 精密丝杠轴承
- 精密圆柱滚子轴承
- 调心球轴承
- 推力轴承
- 圆柱滚子轴承
- 圆锥滚子轴承
- 调心滚子轴承
- 交叉滚子轴承
- 超薄截面轴承
- 滚针轴承
- 滚轮轴承
- 关节轴承
- 直线运动
- 轴承附件

HSS7005CTP4DU轴承
类型:【超高精密轴承 - 精密角接触球轴承】
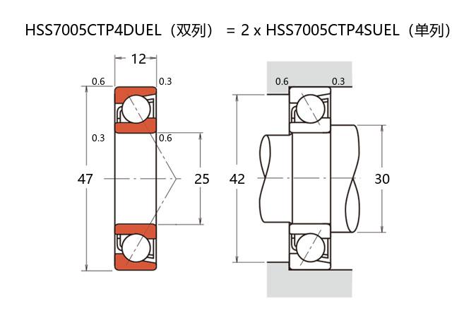
基本尺寸:内径:25 mm,外径:47 mm,厚度:24 mm。
价格区间:¥2092.71 - ¥2343.84【详情】
前缀列表:【H:高转速】【S:小球】【S:密封型】后缀列表:【C:15° 接触角】【T:聚酰胺保持架】【P4:P4 级精度】【DU:两个万能组合】
HSS7005CTP4DU属于超高精密角接触球轴承系列,其结构设计主要针对高速、高精度应用场景。该型号的基本尺寸为内径25毫米、外径47毫米、厚度24毫米,紧凑的尺寸便于在空间受限的装置中集成。作为精密角接触球轴承的一种,它采用小球密封型结构,有助于在运转过程中降低摩擦阻力,同时为内部组件提供防护,减少污染物侵入的风险。
此类轴承通常采用优质材料与特殊热处理工艺,以增强耐磨性和尺寸稳定性。接触角的设计使其能够承受径向和轴向联合载荷,适用于中高速旋转条件。在安装时,需注意预紧力的调整及配合公差,以确保性能发挥。这类轴承常见于精密机床主轴、电主轴或测量仪器中,能够满足高刚性、低振动与长寿命的使用需求。实际选用时需结合负载条件、转速范围及环境因素进行综合评估。
H
S
S
7
0
0
5
C
T
P
4
D
U
H:高转速
S:小球
S:密封型
7:精密角接触球轴承
0:尺寸系列:超轻 10 系列
05:内径:25 mm
C:15° 接触角
T:聚酰胺保持架
P4:P4 级精度
DU:两个万能组合
H:
高转速
S:
小球
S:
密封型
7:
精密角接触球轴承
0:
尺寸系列:超轻 10 系列
05:
内径:25 mm
C:
15° 接触角
T:
聚酰胺保持架
P4:
P4 级精度
DU:
两个万能组合
公称型号 | ||
高速小球密封型 | HSS7005CTP4DU | |
主要尺寸(mm) | ||
内径 | d | 25 |
外径 | D | 47 |
厚度(单列) | B | 12 |
厚度(多列) | T | 24 |
倒角尺寸 | r(min) | 0.6 |
倒角尺寸 | r1(min) | 0.3 |
额定载荷(KN) | ||
基本额定动载荷 | Cr | 15.8 |
基本额定静载荷 | C0r | 7.5 |
极限载荷(KN) | ||
轴向-单个 | 4.65 | |
接触角 | ||
度 | ° | 15 |
系数 | ||
fo | 7.6 | |
作用点(mm) | ||
a | 10.8 | |
限制速度(rpm) | ||
脂润滑 | Grease | 44500 |
油润滑 | Oil | - |
安装尺寸(mm) | ||
da(min) | 30 | |
Da(max) | 42 | |
Db(max) | 44.5 | |
ra(max) | 0.6 | |
rb(max) | 0.3 | |
预紧力(N)-DU/DB/DF | ||
微预紧 | EL | 25 |
轻预紧 | L | 52 |
中预紧 | M | 112 |
重预紧 | H | - |
轴承刚度(N/μm)-DU/DB/DF | ||
微预紧 | EL | 20 |
轻预紧 | L | 25 |
中预紧 | M | 35 |
重预紧 | H | - |
测量轴向游隙(μm) | ||
微预紧 | EL | 0 |
轻预紧 | L | -5 |
中预紧 | M | -13 |
重预紧 | H | - |
轴承组合 | ||
方式 | 万能 | |
列数 | 2 | |
重量(Kg) | ||
0.156 |

商品 | 品牌 | 主要尺寸 | 发货仓 | 产地 | 库存 | 含税单价 | VIP价 | 操作 |
FAG HSS7005-C-T-P4S-DUL轴承 超精密角接触球轴承 |
FAG | 25 X 47 X 24 | 海外 | 5 | 2343.84 | ¥2092.71 | ||