产品分类
- 深沟球轴承
- 角接触球轴承
- 超高精密轴承
- 精密角接触球轴承
- 标准型
- 标准密封型-S
- 陶瓷球标准型-C
- 陶瓷球密封型-CS
- 高速小球型-HS
- 小球密封型-HSS
- 陶瓷小球型-HC
- 陶瓷小球密封型-HCS
- 超高速陶瓷球型-XC
- 超高速陶瓷球密封型-XCS
- 超高速小球型-XS
- 超高速小球密封型-XSS
- 油气润滑-标准钢球型
- 油气润滑-标准陶瓷球型
- 油气润滑-高速小球型
- 油气润滑-高速陶瓷球型
- 油气润滑-超高速小球型
- 油气润滑-超高速陶瓷球型
- 精密丝杠轴承
- 精密圆柱滚子轴承
- 调心球轴承
- 推力轴承
- 圆柱滚子轴承
- 圆锥滚子轴承
- 调心滚子轴承
- 交叉滚子轴承
- 超薄截面轴承
- 滚针轴承
- 滚轮轴承
- 关节轴承
- 直线运动
- 轴承附件

HSS7002CTP4DU轴承
类型:【超高精密轴承 - 精密角接触球轴承】
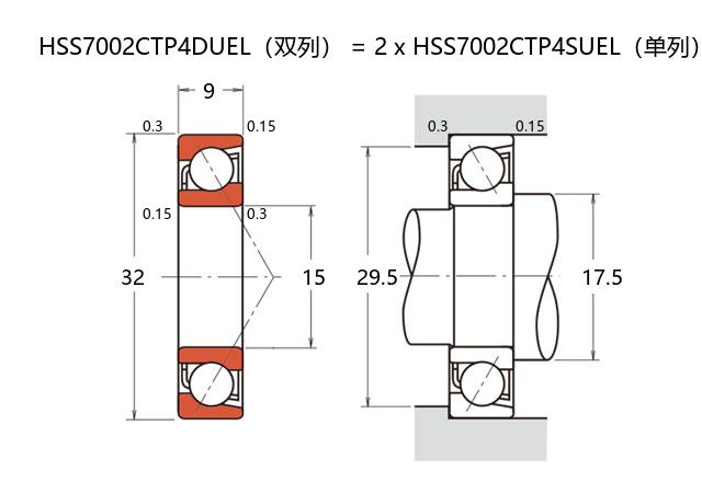
基本尺寸:内径:15 mm,外径:32 mm,厚度:18 mm。
价格区间:¥1938.55 - ¥2442.57【详情】
前缀列表:【H:高转速】【S:小球】【S:密封型】后缀列表:【C:15° 接触角】【T:聚酰胺保持架】【P4:P4 级精度】【DU:两个万能组合】
HSS7002CTP4DU是一款超高精密角接触球轴承,其内径为15毫米,外径32毫米,厚度18毫米。该轴承属于小球密封型设计,适用于需要高精度和良好密封性能的工况。
在结构上,该轴承采用接触角设计,能够同时承受径向和轴向载荷,特别适用于高速旋转场合。密封装置的加入有助于防止污染物进入轴承内部,同时保留润滑剂,延长使用寿命。材质和制造工艺的优化,使得轴承在运转过程中表现出低振动和低噪音特性。
该型号轴承常见于高精度机床主轴、精密仪器以及小型电机等设备中,能够满足对旋转精度和稳定性要求较高的应用需求。它的设计兼顾了刚性与耐久性,有助于提升整体设备的运行效率。需要注意的是,实际使用效果会受到安装条件、润滑状态以及工作环境等多方面因素的影响,用户需根据具体工况进行合理选型与维护。
H
S
S
7
0
0
2
C
T
P
4
D
U
H:高转速
S:小球
S:密封型
7:精密角接触球轴承
0:尺寸系列:超轻 10 系列
02:内径:15 mm
C:15° 接触角
T:聚酰胺保持架
P4:P4 级精度
DU:两个万能组合
H:
高转速
S:
小球
S:
密封型
7:
精密角接触球轴承
0:
尺寸系列:超轻 10 系列
02:
内径:15 mm
C:
15° 接触角
T:
聚酰胺保持架
P4:
P4 级精度
DU:
两个万能组合
公称型号 | ||
高速小球密封型 | HSS7002CTP4DU | |
主要尺寸(mm) | ||
内径 | d | 15 |
外径 | D | 32 |
厚度(单列) | B | 9 |
厚度(多列) | T | 18 |
倒角尺寸 | r(min) | 0.3 |
倒角尺寸 | r1(min) | 0.15 |
额定载荷(KN) | ||
基本额定动载荷 | Cr | 8.4 |
基本额定静载荷 | C0r | 3.44 |
极限载荷(KN) | ||
轴向-单个 | 2.12 | |
接触角 | ||
度 | ° | 15 |
系数 | ||
fo | 7.2 | |
作用点(mm) | ||
a | 7.6 | |
限制速度(rpm) | ||
脂润滑 | Grease | 68100 |
油润滑 | Oil | - |
安装尺寸(mm) | ||
da(min) | 17.5 | |
Da(max) | 29.5 | |
Db(max) | 30.8 | |
ra(max) | 0.3 | |
rb(max) | 0.15 | |
预紧力(N)-DU/DB/DF | ||
微预紧 | EL | 14 |
轻预紧 | L | 25 |
中预紧 | M | 53 |
重预紧 | H | - |
轴承刚度(N/μm)-DU/DB/DF | ||
微预紧 | EL | 13 |
轻预紧 | L | 16 |
中预紧 | M | 22 |
重预紧 | H | - |
测量轴向游隙(μm) | ||
微预紧 | EL | 3 |
轻预紧 | L | 0 |
中预紧 | M | -6 |
重预紧 | H | - |
轴承组合 | ||
方式 | 万能 | |
列数 | 2 | |
重量(Kg) | ||
0.06 |

商品 | 品牌 | 主要尺寸 | 发货仓 | 产地 | 库存 | 含税单价 | VIP价 | 操作 |
FAG HSS7002-C-T-P4S-DUL轴承 超精密角接触球轴承 |
FAG | 15 X 32 X 18 | 海外 | 5 | 2442.57 | ¥1938.55 | ||