产品分类
- 深沟球轴承
- 角接触球轴承
- 超高精密轴承
- 精密角接触球轴承
- 标准型
- 标准密封型-S
- 陶瓷球标准型-C
- 陶瓷球密封型-CS
- 高速小球型-HS
- 小球密封型-HSS
- 陶瓷小球型-HC
- 陶瓷小球密封型-HCS
- 超高速陶瓷球型-XC
- 超高速陶瓷球密封型-XCS
- 超高速小球型-XS
- 超高速小球密封型-XSS
- 油气润滑-标准钢球型
- 油气润滑-标准陶瓷球型
- 油气润滑-高速小球型
- 油气润滑-高速陶瓷球型
- 油气润滑-超高速小球型
- 油气润滑-超高速陶瓷球型
- 精密丝杠轴承
- 精密圆柱滚子轴承
- 调心球轴承
- 推力轴承
- 圆柱滚子轴承
- 圆锥滚子轴承
- 调心滚子轴承
- 交叉滚子轴承
- 超薄截面轴承
- 滚针轴承
- 滚轮轴承
- 关节轴承
- 直线运动
- 轴承附件
HS7901FTP4DB轴承
更新日期:
类型:【超高精密轴承 - 精密角接触球轴承】
基本尺寸:内径:12 mm,外径:24 mm,厚度:12 mm。
价格区间:¥0 - ¥0【详情】
前缀列表:【H:高转速】【S:小球型】后缀列表:【F:接触角 18°】【T:聚酰胺尼龙保持架】【P4:P4 级精度】【DB:双列背靠背(<>)配对】
H
S
7
9
0
1
F
T
P
4
D
B
H:高转速
S:小球型
7:精密角接触球轴承
9:尺寸系列:超轻 19 系列
01:内径:12 mm
F:接触角 18°
T:聚酰胺尼龙保持架
P4:P4 级精度
DB:双列背靠背(<>)配对
H:
高转速
S:
小球型
7:
精密角接触球轴承
9:
尺寸系列:超轻 19 系列
01:
内径:12 mm
F:
接触角 18°
T:
聚酰胺尼龙保持架
P4:
P4 级精度
DB:
双列背靠背(<>)配对
| 公称型号 | ||
| 品牌:CALOX | 高速小球型 | HS7901FTP4DB |
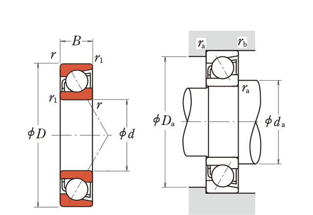
| 主要尺寸(mm) | ||
| 内径 | d![]() |
12 |
| 外径 | D![]() |
24 |
| 厚度(单列) | B![]() |
6 |
| 厚度(多列) | T![]() |
12 |
| 倒角尺寸 | r(min) | 0.3 |
| r1(min) | 0.15 | |
| 额定载荷(KN) | ||
| 基本额定动载荷 | Cr | 3.8 |
| 基本额定静载荷 | C0r | 1.6 |
| 极限载荷(KN) | ||
| 轴向-单个 | 1.1 | |
| 接触角 | ||
| 度 | °![]() |
18 |
| 系数 | ||
| fo | 7.7 | |
| 作用点(mm) | ||
| a | 6.1 | |
| 限制速度(rpm) | ||
| 脂润滑 | Grease | 88900 |
| 油润滑 | Oil | 123000 |
| 安装尺寸(mm) | ||
| 高可实测 | da(min) | 14.5 |
| Da(max) | 21.5 | |
| Db(max) | 22.8 | |
| ra(max) | 0.3 | |
| rb(max) | 0.15 | |
| 预紧力(N)-DU/DB/DF | ||
| 微预紧 | EL | 4.7 |
| 轻预紧 | L | 13 |
| 中预紧 | M | 25 |
| 重预紧 | H | - |
| 轴承刚度(N/μm)-DU/DB/DF | ||
| 微预紧 | EL | 9 |
| 轻预紧 | L | 13 |
| 中预紧 | M | 17 |
| 重预紧 | H | - |
| 测量轴向游隙(μm) | ||
| 微预紧 | EL | 6 |
| 轻预紧 | L | 3 |
| 中预紧 | M | 0 |
| 重预紧 | H | - |
| 轴承组合 | ||
| 高可推荐 | 方式 | <> |
| 列数 | 2 | |
| 重量(Kg) | ||
| 0.024 | ||
| 商品 | 品牌 | 主要尺寸 | 发货仓 | 产地 | 库存 | 含税单价 | VIP价 | 操作 |




