产品分类
- 深沟球轴承
- 角接触球轴承
- 超高精密轴承
- 精密角接触球轴承
- 标准型
- 标准密封型-S
- 陶瓷球标准型-C
- 陶瓷球密封型-CS
- 高速小球型-HS
- 小球密封型-HSS
- 陶瓷小球型-HC
- 陶瓷小球密封型-HCS
- 超高速陶瓷球型-XC
- 超高速陶瓷球密封型-XCS
- 超高速小球型-XS
- 超高速小球密封型-XSS
- 油气润滑-标准钢球型
- 油气润滑-标准陶瓷球型
- 油气润滑-高速小球型
- 油气润滑-高速陶瓷球型
- 油气润滑-超高速小球型
- 油气润滑-超高速陶瓷球型
- 精密丝杠轴承
- 精密圆柱滚子轴承
- 调心球轴承
- 推力轴承
- 圆柱滚子轴承
- 圆锥滚子轴承
- 调心滚子轴承
- 交叉滚子轴承
- 超薄截面轴承
- 滚针轴承
- 滚轮轴承
- 关节轴承
- 直线运动
- 轴承附件

HS7019FTP4DU轴承
类型:【超高精密轴承 - 精密角接触球轴承】
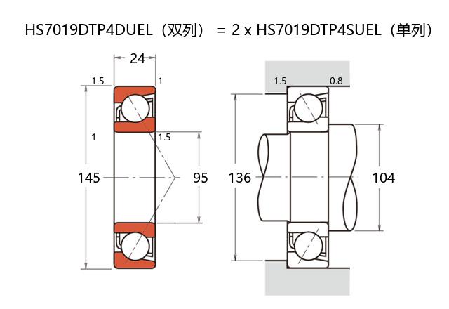
基本尺寸:内径:95 mm,外径:145 mm,厚度:48 mm。
价格区间:¥ - ¥【详情】
前缀列表:【H:高转速】【S:小球型】后缀列表:【F:接触角 18°】【T:聚酰胺尼龙保持架】【P4:P4 级精度】【DU:两个万能组合】
HS7019FTP4DU属于超高精密角接触球轴承系列,其基本尺寸设计为内径95mm、外径145mm、厚度48mm。该型号采用高速小球型结构,适用于需要高转速和低摩擦的工况。在材料与工艺方面,轴承通过优化的热处理和表面处理技术,提升了抗疲劳性能和尺寸稳定性。
此类轴承的接触角设计兼顾径向与轴向载荷能力,常见于精密机床主轴、电主轴或高精度回转机构中。由于采用特殊保持架与润滑方案,它在高速运转时能有效控制温升,并维持较低的振动噪声水平。此外,其内部游隙和预紧力可根据实际应用进行针对性调整,以适应不同的刚性及精度需求。
在实际使用中,需注意配合部件的加工精度及安装方式,避免因不当操作影响轴承性能。同时,定期的润滑维护与状态监测有助于延长其使用寿命。该系列轴承的设计理念侧重于在紧凑空间内实现高精度与高转速的平衡,为精密传动系统提供可靠支撑。
H
S
7
0
1
9
F
T
P
4
D
U
H:高转速
S:小球型
7:精密角接触球轴承
0:尺寸系列:超轻 10 系列
19:内径:95 mm
F:接触角 18°
T:聚酰胺尼龙保持架
P4:P4 级精度
DU:两个万能组合
H:
高转速
S:
小球型
7:
精密角接触球轴承
0:
尺寸系列:超轻 10 系列
19:
内径:95 mm
F:
接触角 18°
T:
聚酰胺尼龙保持架
P4:
P4 级精度
DU:
两个万能组合
公称型号 | ||
高速小球型 | HS7019FTP4DU | |
主要尺寸(mm) | ||
内径 | d | 95 |
外径 | D | 145 |
厚度(单列) | B | 24 |
厚度(多列) | T | 48 |
倒角尺寸 | r(min) | 1.5 |
倒角尺寸 | r1(min) | 1 |
额定载荷(KN) | ||
基本额定动载荷 | Cr | 71 |
基本额定静载荷 | C0r | 69 |
极限载荷(KN) | ||
轴向-单个 | 50 | |
接触角 | ||
度 | ° | 18 |
系数 | ||
fo | 10.8 | |
作用点(mm) | ||
a | 31.3 | |
限制速度(rpm) | ||
脂润滑 | Grease | 12500 |
油润滑 | Oil | 17900 |
安装尺寸(mm) | ||
da(min) | 104 | |
Da(max) | 136 | |
Db(max) | 139 | |
ra(max) | 1.5 | |
rb(max) | 0.8 | |
预紧力(N)-DU/DB/DF | ||
微预紧 | EL | 98 |
轻预紧 | L | 345 |
中预紧 | M | 854 |
重预紧 | H | - |
轴承刚度(N/μm)-DU/DB/DF | ||
微预紧 | EL | 77 |
轻预紧 | L | 120 |
中预紧 | M | 170 |
重预紧 | H | - |
测量轴向游隙(μm) | ||
微预紧 | EL | 0 |
轻预紧 | L | -10 |
中预紧 | M | -24 |
重预紧 | H | - |
轴承组合 | ||
方式 | 万能 | |
列数 | 2 | |
重量(Kg) | ||
2.6 |

商品 | 品牌 | 主要尺寸 | 发货仓 | 产地 | 库存 | 含税单价 | VIP价 | 操作 |
HRB 7019CETA/P4ADB轴承 |
HRB | 0 | ¥0 | |||||