产品分类
- 深沟球轴承
- 角接触球轴承
- 超高精密轴承
- 精密角接触球轴承
- 标准型
- 标准密封型-S
- 陶瓷球标准型-C
- 陶瓷球密封型-CS
- 高速小球型-HS
- 小球密封型-HSS
- 陶瓷小球型-HC
- 陶瓷小球密封型-HCS
- 超高速陶瓷球型-XC
- 超高速陶瓷球密封型-XCS
- 超高速小球型-XS
- 超高速小球密封型-XSS
- 油气润滑-标准钢球型
- 油气润滑-标准陶瓷球型
- 油气润滑-高速小球型
- 油气润滑-高速陶瓷球型
- 油气润滑-超高速小球型
- 油气润滑-超高速陶瓷球型
- 精密丝杠轴承
- 精密圆柱滚子轴承
- 调心球轴承
- 推力轴承
- 圆柱滚子轴承
- 圆锥滚子轴承
- 调心滚子轴承
- 交叉滚子轴承
- 超薄截面轴承
- 滚针轴承
- 滚轮轴承
- 关节轴承
- 直线运动
- 轴承附件

HS7012FTP4DU轴承
类型:【超高精密轴承 - 精密角接触球轴承】
基本尺寸:内径:60 mm,外径:95 mm,厚度:36 mm。
价格区间:¥ - ¥2424.19【详情】
前缀列表:【H:高转速】【S:小球型】后缀列表:【F:接触角 18°】【T:聚酰胺尼龙保持架】【P4:P4 级精度】【DU:两个万能组合】
HS7012FTP4DU是一款具备特定技术特点的角接触球轴承,其结构设计适用于精密机械领域。该型号轴承基本尺寸为内径60毫米,外径95毫米,厚度36毫米,属于高速小球型系列产品。此类轴承多用于需要较高运转精度和稳定性的工作场景。
该轴承在材料选择和制造工艺上注重控制公差,有助于减少运转中的振动和噪音。其内部结构经过优化,能够适应一定范围内的轴向和径向复合载荷。在合理润滑和适当工况条件下,该型号可表现出良好的高速运转性能。
此类产品常见于精密主轴、高速旋转装置等设备中。在使用过程中需注意配合公差的选择,并保证润滑系统的正常工作状态。正确安装与定期维护有助于保持其性能特点,延长使用寿命。不同应用场景下的实际表现可能因具体工况而有所差异。
H
S
7
0
1
2
F
T
P
4
D
U
H:高转速
S:小球型
7:精密角接触球轴承
0:尺寸系列:超轻 10 系列
12:内径:60 mm
F:接触角 18°
T:聚酰胺尼龙保持架
P4:P4 级精度
DU:两个万能组合
H:
高转速
S:
小球型
7:
精密角接触球轴承
0:
尺寸系列:超轻 10 系列
12:
内径:60 mm
F:
接触角 18°
T:
聚酰胺尼龙保持架
P4:
P4 级精度
DU:
两个万能组合
公称型号 | ||
高速小球型 | HS7012FTP4DU | |
主要尺寸(mm) | ||
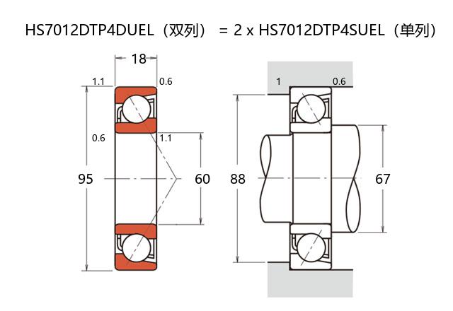
内径 | d | 60 |
外径 | D | 95 |
厚度(单列) | B | 18 |
厚度(多列) | T | 36 |
倒角尺寸 | r(min) | 1.1 |
倒角尺寸 | r1(min) | 0.6 |
额定载荷(KN) | ||
基本额定动载荷 | Cr | 31.2 |
基本额定静载荷 | C0r | 27.4 |
极限载荷(KN) | ||
轴向-单个 | 19.5 | |
接触角 | ||
度 | ° | 18 |
系数 | ||
fo | 10.8 | |
作用点(mm) | ||
a | 21.5 | |
限制速度(rpm) | ||
脂润滑 | Grease | 19400 |
油润滑 | Oil | 27700 |
安装尺寸(mm) | ||
da(min) | 67 | |
Da(max) | 88 | |
Db(max) | 90 | |
ra(max) | 1 | |
rb(max) | 0.6 | |
预紧力(N)-DU/DB/DF | ||
微预紧 | EL | 49 |
轻预紧 | L | 126 |
中预紧 | M | 348 |
重预紧 | H | - |
轴承刚度(N/μm)-DU/DB/DF | ||
微预紧 | EL | 51 |
轻预紧 | L | 71 |
中预紧 | M | 105 |
重预紧 | H | - |
测量轴向游隙(μm) | ||
微预紧 | EL | 0 |
轻预紧 | L | -5 |
中预紧 | M | -15 |
重预紧 | H | - |
轴承组合 | ||
方式 | 万能 | |
列数 | 2 | |
重量(Kg) | ||
0.886 |

商品 | 品牌 | 主要尺寸 | 发货仓 | 产地 | 库存 | 含税单价 | VIP价 | 操作 |
HRB 7012CETA/P4ADB轴承 |
HRB | 0 | ¥0 | |||||
NSK 60BNR10ETYNDUELP4轴承 高速小球型精密角接触球轴承 |
NSK | 60 X 95 X 36 | 华东 | 日本 | 27 | 1765.38 | ¥1423.69 | |
NSK 60BNR10ETYNDUELP4轴承 高速小球型精密角接触球轴承 |
NSK | 60 X 95 X 36 | 华东 | 日本 | 26 | 1470.91 | ¥1301.69 | |
NSK 60BNR10ETYNDUELP4轴承 高速小球型精密角接触球轴承 |
NSK | 60 X 95 X 36 | 华东 | 日本 | 27 | 1822.32 | ¥1423.69 | |
NSK 60BNR10ETYNDULP4轴承 高速小球型精密角接触球轴承 |
NSK | 60 X 95 X 36 | 华东 | 日本 | 5 | 1388.9 | ¥1262.64 | |
篇幅有限,仅显示五条,更多可点击:搜索,或者:深度搜索 |