产品分类
- 深沟球轴承
- 角接触球轴承
- 超高精密轴承
- 精密角接触球轴承
- 标准型
- 标准密封型-S
- 陶瓷球标准型-C
- 陶瓷球密封型-CS
- 高速小球型-HS
- 小球密封型-HSS
- 陶瓷小球型-HC
- 陶瓷小球密封型-HCS
- 超高速陶瓷球型-XC
- 超高速陶瓷球密封型-XCS
- 超高速小球型-XS
- 超高速小球密封型-XSS
- 油气润滑-标准钢球型
- 油气润滑-标准陶瓷球型
- 油气润滑-高速小球型
- 油气润滑-高速陶瓷球型
- 油气润滑-超高速小球型
- 油气润滑-超高速陶瓷球型
- 精密丝杠轴承
- 精密圆柱滚子轴承
- 调心球轴承
- 推力轴承
- 圆柱滚子轴承
- 圆锥滚子轴承
- 调心滚子轴承
- 交叉滚子轴承
- 超薄截面轴承
- 滚针轴承
- 滚轮轴承
- 关节轴承
- 直线运动
- 轴承附件

C7956ETP4DU轴承
类型:【超高精密轴承 - 精密角接触球轴承】
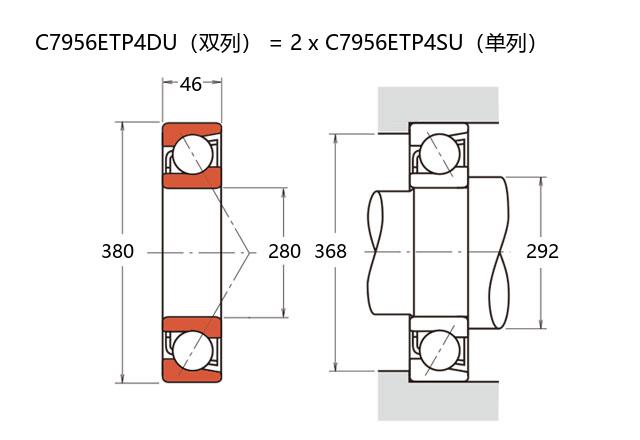
基本尺寸:内径:280 mm,外径:380 mm,厚度:92 mm。
价格区间:¥0 - ¥0【详情】
前缀列表:【C:标准陶瓷球型】后缀列表:【E:接触角 25°】【T:聚酰胺尼龙保持架】【P4:P4 级精度】【DU:两个万能组合】
C
7
9
5
6
E
T
P
4
D
U
C:标准陶瓷球型
7:精密角接触球轴承
9:尺寸系列:超轻 19 系列
56:内径:280 mm
E:接触角 25°
T:聚酰胺尼龙保持架
P4:P4 级精度
DU:两个万能组合
C:
标准陶瓷球型
7:
精密角接触球轴承
9:
尺寸系列:超轻 19 系列
56:
内径:280 mm
E:
接触角 25°
T:
聚酰胺尼龙保持架
P4:
P4 级精度
DU:
两个万能组合
公称型号 | ||
标准陶瓷球型 | C7956ETP4DU | |
主要尺寸(mm) | ||
内径 | d | 280 |
外径 | D | 380 |
厚度(单列) | B | 46 |
厚度(多列) | T | 92 |
倒角尺寸 | r(min) | 2.1 |
倒角尺寸 | r1(min) | 1.1 |
额定载荷(KN) | ||
基本额定动载荷 | Cr | 512 |
基本额定静载荷 | C0r | 780 |
极限载荷(KN) | ||
轴向-单个 | 286 | |
接触角 | ||
度 | ° | 25 |
系数 | ||
fo | - | |
作用点(mm) | ||
a | 99.9 | |
限制速度(rpm) | ||
脂润滑 | Grease | 3500 |
油润滑 | Oil | 5500 |
安装尺寸(mm) | ||
da(min) | 292 | |
Da(max) | 368 | |
Db(max) | 373 | |
ra(max) | 2 | |
rb(max) | 1 | |
预紧力(N)-DU/DB/DF | ||
微预紧 | EL | 2147 |
轻预紧 | L | 4379 |
中预紧 | M | 9870 |
重预紧 | H | 18954 |
轴承刚度(N/μm)-DU/DB/DF | ||
微预紧 | EL | 589 |
轻预紧 | L | 766 |
中预紧 | M | 1046 |
重预紧 | H | 1372 |
测量轴向游隙(μm) | ||
微预紧 | EL | - |
轻预紧 | L | - |
中预紧 | M | - |
重预紧 | H | - |
轴承组合 | ||
方式 | 万能 | |
列数 | 2 | |
重量(Kg) | ||
21.8 |

商品 | 品牌 | 主要尺寸 | 发货仓 | 产地 | 库存 | 含税单价 | VIP价 | 操作 |